低电压故障保护
时间:09-15
来源:互联网
点击:

图6. 故障状态下的输入和输出电压
4 应用
除了一些典型应用以外,例如在ATE和工业设备中作为模拟输入的保护,这些低电压、故障保护型开关还可以在很多其他应用中用来简化设计和解决板上空间不足的问题。
举例来讲,为了避免切断整个设备机箱的电源,许多应用要求能够向一个带电的底板插入扩展卡。尽管可以用MAX4271这样的热插拔控制器来限制卡上的浪涌电流,但其信号线的保护并不容易。当你将板卡插入底板时,底板的数据总线采用5V TTL电平进行通信,这时卡上的数字IC(微控制器,ASIC等)就有可能在5V电源接通前在其输入端“看到”5V电压。前面已经提到,这种情况会导致锁定或板卡损坏。
将低电压故障保护开关连接在敏感器件和底板之间(图7)可以提供必要的过压保护。这些开关在卡上电源电压接通之前保持COM输出为高阻态,电源就绪后开关闭合接通底板。开关的保护输入(NO)面向底板,未接电源时提供±12V的保护,而在电源电压稳定后也可保护板卡不受底板上的过电压冲击。应该注意的是,通常所用的来自于其他供应商的逻辑总线开关并不能提供这种保护。它们可以提供比标准CMOS器件高一些的锁定电流容限,但不能承受持续的过电压。

图7. 热插拔背板信号
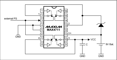
在图8所示电路中,低电压故障保护开关在检测到有外部电源(如墙上适配器)接入时,会切断内部电源 (一节9V电池或两节串连的锂电池)。通常情况下,开关由电池通过13引脚供电。低电压肖特基二极管阻止非充电电池被外部电源充电。

图8. 当有外部电源接入时电池被切断
VCC由第10引脚的开关取出,大多数应用中,这个电压还要由后面的电压调节器进行调理。一旦检测到外部电源电压,微控制器接通开关1和4,断开开关3。输出电容C在VCC由开关3切向开关4的过程中为系统提供电源。为了保护电池,当开关4闭合时,必须始终保持开关3处于断开状态。外部电源移走后,开关4和1断开而开关3闭合。当外部电源电压高于电池电压,或电池已深度放电时接入外部电源,或C已充电而电池被移走时,故障保护特性可以保证开关正确、安全地工作。
电压 电路 MOSFET 二极管 电路图 电流 半导体 电阻 比较器 电容 总线 CMOS 相关文章:
- 用于电压或电流调节的新调节器架构(07-19)
- 超低静态电流电源管理IC延长便携应用工作时间(04-14)
- 电源设计小贴士 2:驾驭噪声电源(01-01)
- 负载点降压稳压器及其稳定性检查方法(07-19)
- 电源设计小贴士 3:阻尼输入滤波器(第一部分)(01-16)
- 高效地驱动LED(04-23)
