电力载波遥控报警器
时间:12-14
来源:互联网
点击:
电力载波遥控由于不用另外布线或占用无线电频率而特别适合家庭室内采用。这里介绍一种简单、易制的电力载波遥控报警器,也许能给您的生活带来一些方便。
工作原理
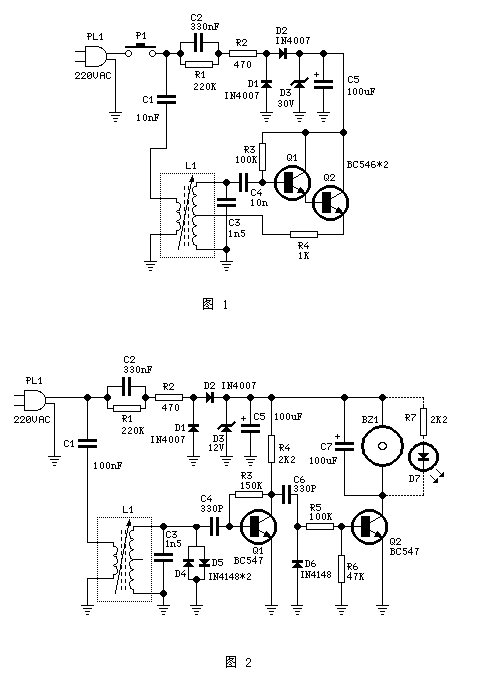
发射部分(见图1):发射部分由Q1、Q2接成复合管的形式组成频率为135KHz的哈特利震荡器。由C2、D1、D2、D3、C5等构成电压为30伏的电源部分。当按下发射按扭P1时,在L1的副变感应出的135KHz的振荡信号通过C1注入电力线路网络。
接收部分(见图2):由发射部分过来的135KHz的正弦波通过电力线路传播至接收部分通过C1并由L1、C3构成的选频电路取出135KHz信号。该信号经Q1放大并整形至幅度为12V的方波信号。D4、D5构成限幅电路保证Q1的基极峰值电压小于1V,以防止电力线路网络中各种异常干扰脉冲而损坏Q1。D6的作用是过滤掉信号中的负极性部分,并由Q2驱动报警部分工作。C7在这里用来保持输出部分平稳,过滤掉信号中残余部分。12V电源部分由C2、D1、D2、D3、C5等组成。

制作、调试要点
1. 调试时需仔细调节发射和接收部分L1的磁芯,保证在发射和接收部分的C3两端获得最大输出。
2. 有条件时在拉开距离调试时最好能用示波器观察此时彼此发射和接收的波形。
3. 如果L1都采用455KHz的中波收音机的中周,在磁芯全部调到最低部时应获得135KHz左右的输出频率。
4. 如果采用其它谐振频率类似的L1时,则必须同时调节发射和接收部分的C3,一般为1"3.3nF。
5. 输出部分可是蜂鸣器或LED或两者同时使用。如果只用LED,可将R7改为1K,可增加其亮度。可采用直径为10mm的LED。
6. 在选择元器件时,注意发射和接收部分C1、C2的耐压值必须大于400V,L1可采用一般中波收音机用的中周,其它元件无特殊要求可参考图1、图2选择。
7. 由于电路部分直接与220伏电源相联,所以调试时要特别注意,避免直接与电路部分接触,以免电击。该装置投入使用前电路部分应置于绝缘可靠的塑料盒内并确保安全可靠方可使用。
工作原理
发射部分(见图1):发射部分由Q1、Q2接成复合管的形式组成频率为135KHz的哈特利震荡器。由C2、D1、D2、D3、C5等构成电压为30伏的电源部分。当按下发射按扭P1时,在L1的副变感应出的135KHz的振荡信号通过C1注入电力线路网络。
接收部分(见图2):由发射部分过来的135KHz的正弦波通过电力线路传播至接收部分通过C1并由L1、C3构成的选频电路取出135KHz信号。该信号经Q1放大并整形至幅度为12V的方波信号。D4、D5构成限幅电路保证Q1的基极峰值电压小于1V,以防止电力线路网络中各种异常干扰脉冲而损坏Q1。D6的作用是过滤掉信号中的负极性部分,并由Q2驱动报警部分工作。C7在这里用来保持输出部分平稳,过滤掉信号中残余部分。12V电源部分由C2、D1、D2、D3、C5等组成。

制作、调试要点
1. 调试时需仔细调节发射和接收部分L1的磁芯,保证在发射和接收部分的C3两端获得最大输出。
2. 有条件时在拉开距离调试时最好能用示波器观察此时彼此发射和接收的波形。
3. 如果L1都采用455KHz的中波收音机的中周,在磁芯全部调到最低部时应获得135KHz左右的输出频率。
4. 如果采用其它谐振频率类似的L1时,则必须同时调节发射和接收部分的C3,一般为1"3.3nF。
5. 输出部分可是蜂鸣器或LED或两者同时使用。如果只用LED,可将R7改为1K,可增加其亮度。可采用直径为10mm的LED。
6. 在选择元器件时,注意发射和接收部分C1、C2的耐压值必须大于400V,L1可采用一般中波收音机用的中周,其它元件无特殊要求可参考图1、图2选择。
7. 由于电路部分直接与220伏电源相联,所以调试时要特别注意,避免直接与电路部分接触,以免电击。该装置投入使用前电路部分应置于绝缘可靠的塑料盒内并确保安全可靠方可使用。
- 新型锁相环芯片全面提升红外无线麦克风产品性能(05-04)
- ARM在数字化远程视频监控系统的应用(05-20)
- 如何充满信心地设计军用SDR产品(07-25)
- 什么是原子钟(07-04)
- 相对论有没有用?(07-04)
- 基于RFID的公交业务管理系统(03-07)
