液位传感器的信号调理电路设计
时间:12-09
来源:互联网
点击:
在变送器 的开发应用中,常常会遇到所需的变送器的输出与已有的变送器的输出不同,或用户已有的变送器的输出不能满足新的需求,这就需要改变变送器原来的输出。为了 满足多种客户的需求,就需有多种输出的变送器。例如:作为二型表,标准输出多为0~10mA, 或0~10V,而目前应用的三型表,却是4~20mA或1~5V的,它们之间如何变换,是我们必须解决的问题。
1 变送器信号调理电路的设计

1.1 温度漂移的处理
---传感器的温度漂移可分为零点温度漂移和灵敏度温度漂移。零点温漂即传感器不受压时的输出由温度变化引起的漂移,在传感器的应用中,经常用恒流供电,零点及其温漂的补偿方法可用电阻串并联法,采用图1所示的电路可有效的解决零点温漂问题。
---恒 流供电桥路的传感器,其灵敏度温度补偿通常采用的电路如图2所示。其中R的网路中Rt为温度系数与灵敏度温漂同向的热敏电阻,Rs、Rp、Rz为温度系数 可忽略的电阻,用来调整Rt的温度系数。经上述零点和灵敏度的温度补偿的传感器的输出信号即可视为在一定的温度范围内与温度变化无关。
1.2 放大及非线性的处理

---任何力敏传感器的非线性都有大小、正负之分,信号的处理和传输时要进行线性化处理,使最后得到的信号与液位成线性关系。线性化电路就是根据非线性的大小和正负来设计的,线性化可以在信号处理的不同阶段来进行,有的在模拟信号阶段进行,有的在数字信号阶段进行。
---在图3的电路中,12脚与6脚连接后调整电阻R8,可以调节正非线性;12脚与1脚连接后调整电阻R8,可以调节负非线性。
---对于一般应用要求的精度(±0.5%FS0),在适当的量程范围内,使用简单的正负反馈的修正就足够了;小量程的传感器应用到大量程中,非线性会增大,有时用简单的正负反馈修正进行线性化比较困难,最好使用数字线性化方法,也可以采用多点修正方法。

---对于输出信号很小,甚至只有几mV的传感器在制作4~20mA液位变送器时,可以使用性能优良的仪表放大器,如INA118,对温度补偿、线性化、放大以及输出全面考虑,设计出满足需求的液位变送器电路。
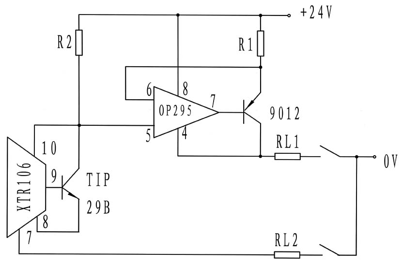
---也可以应用变送器电路块,如xTR106,这是美国BB公司的产品。具体电路如图3所示,用该电路组装的变送器经过长期运行,各方面的性能都很好,其中用Wl调零点,W2调量程,R3调灵敏度温漂,R8调线性。

2 变送器输出的变换
2.1 4~20mA变换为0~5V
---利用OP295放大器的变换电路
---OP295 为双运放电路,噪声低,精度高,可输入和输出正负信号。单电源工作3~36V,低失调电压300μV,高开环增益1000V/mV,每个放大器的电 源电流最大为150μA,输出电流±18mA,工作温度-40~125℃。是一种很好的放大器。
---用OP295放大器构成的4~20mA变换为0~5V的原理图如图4所示。其中R1为取样电阻,W1和W2分别为调零位和满位的电位器,二极管组用于共模调整,8V电压可用LM317得到。该电路组装调试便捷,精度高。

---利用BB公司的RCV420的变换电路
---RCV420 是 BB公司的产品。它能将4~20mA变换为0~5V。它的电源电压额定值为±15V,静态电流为3mA,工作温度范围-55~125℃。虽 然说明书中给出的电源是双电源,但也可以应用于单电源0~24V的场合,这就十分方便,应用时不加任何外部元件(见图5)。
2.2 4~20mA变换为0~10mA

---把4~20mA变换为0~10mA的电路如图6所示。这个电路虽然比较复杂,但性能稳定可靠。
---设R1 上的压降(取样电压)为Vi,经推导可以得到流经RL上的电流为I=(Vi-1)/R11 。很显然,如果变送器在零位时输出4mA,在250Ω的取样电阻的压降为1V,于是I=0。如果变送器输出为20mA,Vi=5V,则I= (5-1)/R11,适当选取R11,可得I=10mA。
2.3双4~20mA输出
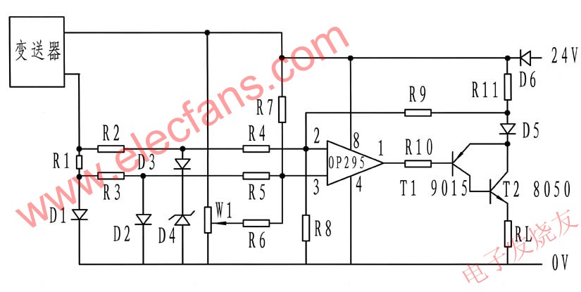
---有时为应用方便,一个变送器需用两个或多个4~20mA输出。图7给出了在实际应用中很成功的解决方法。
---实际电路由OP295和9015PNP管构成,调解R1使其输出为4~20mA,就成了双4~20mA输出。这个电路输出稳定可靠。
3 结语
---本文介绍的液位传感器的信号调理电路以及各种变送器的变换电路是作者实际工作的总结,用该方法设计的液位变送器,经多年的实际应用,证明用该设计方法制作的变送器性能优良运行可靠。
1 变送器信号调理电路的设计

1.1 温度漂移的处理
---传感器的温度漂移可分为零点温度漂移和灵敏度温度漂移。零点温漂即传感器不受压时的输出由温度变化引起的漂移,在传感器的应用中,经常用恒流供电,零点及其温漂的补偿方法可用电阻串并联法,采用图1所示的电路可有效的解决零点温漂问题。
---恒 流供电桥路的传感器,其灵敏度温度补偿通常采用的电路如图2所示。其中R的网路中Rt为温度系数与灵敏度温漂同向的热敏电阻,Rs、Rp、Rz为温度系数 可忽略的电阻,用来调整Rt的温度系数。经上述零点和灵敏度的温度补偿的传感器的输出信号即可视为在一定的温度范围内与温度变化无关。
1.2 放大及非线性的处理

---任何力敏传感器的非线性都有大小、正负之分,信号的处理和传输时要进行线性化处理,使最后得到的信号与液位成线性关系。线性化电路就是根据非线性的大小和正负来设计的,线性化可以在信号处理的不同阶段来进行,有的在模拟信号阶段进行,有的在数字信号阶段进行。
---在图3的电路中,12脚与6脚连接后调整电阻R8,可以调节正非线性;12脚与1脚连接后调整电阻R8,可以调节负非线性。
---对于一般应用要求的精度(±0.5%FS0),在适当的量程范围内,使用简单的正负反馈的修正就足够了;小量程的传感器应用到大量程中,非线性会增大,有时用简单的正负反馈修正进行线性化比较困难,最好使用数字线性化方法,也可以采用多点修正方法。

---对于输出信号很小,甚至只有几mV的传感器在制作4~20mA液位变送器时,可以使用性能优良的仪表放大器,如INA118,对温度补偿、线性化、放大以及输出全面考虑,设计出满足需求的液位变送器电路。
---也可以应用变送器电路块,如xTR106,这是美国BB公司的产品。具体电路如图3所示,用该电路组装的变送器经过长期运行,各方面的性能都很好,其中用Wl调零点,W2调量程,R3调灵敏度温漂,R8调线性。

2 变送器输出的变换
2.1 4~20mA变换为0~5V
---利用OP295放大器的变换电路
---OP295 为双运放电路,噪声低,精度高,可输入和输出正负信号。单电源工作3~36V,低失调电压300μV,高开环增益1000V/mV,每个放大器的电 源电流最大为150μA,输出电流±18mA,工作温度-40~125℃。是一种很好的放大器。
---用OP295放大器构成的4~20mA变换为0~5V的原理图如图4所示。其中R1为取样电阻,W1和W2分别为调零位和满位的电位器,二极管组用于共模调整,8V电压可用LM317得到。该电路组装调试便捷,精度高。

---利用BB公司的RCV420的变换电路
---RCV420 是 BB公司的产品。它能将4~20mA变换为0~5V。它的电源电压额定值为±15V,静态电流为3mA,工作温度范围-55~125℃。虽 然说明书中给出的电源是双电源,但也可以应用于单电源0~24V的场合,这就十分方便,应用时不加任何外部元件(见图5)。
2.2 4~20mA变换为0~10mA

---把4~20mA变换为0~10mA的电路如图6所示。这个电路虽然比较复杂,但性能稳定可靠。
---设R1 上的压降(取样电压)为Vi,经推导可以得到流经RL上的电流为I=(Vi-1)/R11 。很显然,如果变送器在零位时输出4mA,在250Ω的取样电阻的压降为1V,于是I=0。如果变送器输出为20mA,Vi=5V,则I= (5-1)/R11,适当选取R11,可得I=10mA。
2.3双4~20mA输出
---有时为应用方便,一个变送器需用两个或多个4~20mA输出。图7给出了在实际应用中很成功的解决方法。
---实际电路由OP295和9015PNP管构成,调解R1使其输出为4~20mA,就成了双4~20mA输出。这个电路输出稳定可靠。
3 结语
---本文介绍的液位传感器的信号调理电路以及各种变送器的变换电路是作者实际工作的总结,用该方法设计的液位变送器,经多年的实际应用,证明用该设计方法制作的变送器性能优良运行可靠。
- 一种新型防伪读码器的设计(01-01)
- 基于ARM与DSP的嵌入式运动控制器设计(04-25)
- 航天器DC/DC变换器的可靠性设计(02-12)
- 基于ARM核的AT75C220及其在指纹识别系统中的应用(05-24)
- 基于nRF2401智能小区无线抄表系统集中器设计(04-30)
- 卫星电源分系统可靠性设计与研究(02-12)
