高性价比电机驱动器的能耗解决方案
时间:12-04
来源:互联网
点击:
计算应用的发展引起了人们对电子产业如何减少能耗的广泛关注和讨论。根据电力研究协会(EPRI)的研究,机械传动类应用,包括电机驱动、消费类白色家电和工业用机器的能耗占全球电力消耗总量的50%以上,因此这一领域成为新的低能耗设计的首要目标。
除了能耗管理IC之外,这类机械传动控制应用的解决之道在于采用MCU形式的智能芯片。MCU能够以更高的效率、更低的成本进行电机管理,加速从机电控制到电子控制的转变过程,实现变速电机(VSM)的控制。
MCU控制的无刷直流(BLDC)电机相比传统的直流电机具有更高的效率、很高的力矩-惯性比、较高的速度性能、较低的噪声、较好的热效率和较低的EMI指标。智能电机的效率可以超过95%,而感应式电机只有85%。而且,在很多应用中,相比恒速电机,MCU控制的可变速BLDC电机能够节省25%~40%的能耗。
BLDC电机的能效
用于电机控制的高性价比MCU的出现也引起了传统电机制造商和应用厂商的关注,促使他们重新比较和考虑VSM的一些特殊控制技术。利用传统的标量控制方法实现VSM要求制造商增大电机的尺寸,以容纳大的瞬态电压或峰值电压。
为了避免增大电机而带来的成本,制造商开始寻求采用磁场导向控制(FOC)(也称为矢量控制)技术来缩小电机的尺寸。FOC技术具有较好的动态响应特性、较高的功率密度和较低的转矩波动,这些都有助于提高系统的效率。此外,FOC不需要位置传感器,只需要一个分路电阻器,从而降低了制造成本,提高了可靠性。
磁场导向控制技术通过改变定子绕组中的电流,使电机中的定子磁场和转子磁场保持90°的角度。尽管我们已知系统中定子磁场的角度,但是还必须测量或估算出转子磁场的角度,以便计算出二者之间的角度差。
当判断出转子磁场的角度之后,矢量控制算法就可以计算出向定子相位绕组上加载电压的最佳时机和大小。由于这类矢量控制算法都是数据密集型算法,因此目前常见的无传感器FOC实现方案都采用了16位或32位的MCU、DSP或DSC处理器,用于处理复杂的三角函数方程。
此外,为了确保所需的精度,还需要在系统中内置查找表,这需要采用大容量的闪存和复杂的软件算法,以处理电流计算、矢量旋转、空间矢量调制和比例积分控制等方面的问题。这些因素都会增大控制系统的成本。
新推出的8位微控制器在体系结构上进行了特殊的增强配置,例如英飞凌技术公司的XC800系列就具备了实现更高性价比FOC系统所需的硬件功能(如图1所示)。

图1 内含专用模块的低成本8位控制器提供了磁场导向电机控制所需的全部功能
低成本8位FOC解决方案
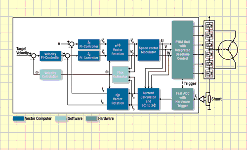
具有FOC功能的MCU内部集成了一个兼容8051的处理器内核和一个强大的片上处理单元——矢量计算器,该计算器能够同时对矢量数据(一维阵列)执行多个计算操作(如图2所示)。该矢量计算器由多个处理单元组成,包括一个坐标旋转数字计算(CORDIC)单元和一个乘/除法运算单元,当与16位的采集/比较单元和快速片上A/D转换器配合使用时,它能够执行16位的数学运算。

图2 一款具有FOC功能的MCU,内部集成了一个8051兼容内核和一个强大的能够同时对矢量数据进行多个计算操作的片上处理单元
该CORDIC内置了一个容量很小的查找表,利用加法、减法和移位操作能够实现多种复杂数学函数和三角函数的迭代计算,例如Clarke和Park算法。CORDIC的输出结果可达16位的精度,它的功能基本上与CPU核是相互独立的,从而为其他控制任务节省了资源开销。
乘除法单元可以执行16位和32位的数学运算,可以用来代替标准的8051 MUL/div指令。要想进一步缩小闪存容量,提高访问速度,我们还可以在自举ROM中加入定点和浮点指令的数学运算库。
如前所述,FOC算法的主要目标是确保定子的磁场与转子内永磁体的磁场保持垂直的方向。它们的关系是通过一次分路电流的测量而估计出来的,这种测量需要用相应的PWM模式快速触发A/D转换器。在智能PWM单元CapCom6E和A/D转换器之间,采用基于事件的硬件触发器可以实现这一目标。这种基于事件的触发器消除了中断等待时间,实现了快速而精确的电流测量。
将片上运算单元和外设集成在一起实现FOC的方式为其他使用低成本8位MCU的系统控制功能节省了充分的资源。例如,在15kHz的PWM频率和133μs的电流测量速度下,FOC控制功能仅仅占用了58%的CPU性能,为其他专用功能提供了很大的余量。与硬编码FOC实现方式不同的是,集成了矢量计算器的MCU具有软件可重编程能力。我们可以利用这一功能,通过构造一个程控斜面或者采用减弱磁场的方法(例如减弱FOC算法的ID组件),优化电机的启动过程。
除了能耗管理IC之外,这类机械传动控制应用的解决之道在于采用MCU形式的智能芯片。MCU能够以更高的效率、更低的成本进行电机管理,加速从机电控制到电子控制的转变过程,实现变速电机(VSM)的控制。
MCU控制的无刷直流(BLDC)电机相比传统的直流电机具有更高的效率、很高的力矩-惯性比、较高的速度性能、较低的噪声、较好的热效率和较低的EMI指标。智能电机的效率可以超过95%,而感应式电机只有85%。而且,在很多应用中,相比恒速电机,MCU控制的可变速BLDC电机能够节省25%~40%的能耗。
BLDC电机的能效
用于电机控制的高性价比MCU的出现也引起了传统电机制造商和应用厂商的关注,促使他们重新比较和考虑VSM的一些特殊控制技术。利用传统的标量控制方法实现VSM要求制造商增大电机的尺寸,以容纳大的瞬态电压或峰值电压。
为了避免增大电机而带来的成本,制造商开始寻求采用磁场导向控制(FOC)(也称为矢量控制)技术来缩小电机的尺寸。FOC技术具有较好的动态响应特性、较高的功率密度和较低的转矩波动,这些都有助于提高系统的效率。此外,FOC不需要位置传感器,只需要一个分路电阻器,从而降低了制造成本,提高了可靠性。
磁场导向控制技术通过改变定子绕组中的电流,使电机中的定子磁场和转子磁场保持90°的角度。尽管我们已知系统中定子磁场的角度,但是还必须测量或估算出转子磁场的角度,以便计算出二者之间的角度差。
当判断出转子磁场的角度之后,矢量控制算法就可以计算出向定子相位绕组上加载电压的最佳时机和大小。由于这类矢量控制算法都是数据密集型算法,因此目前常见的无传感器FOC实现方案都采用了16位或32位的MCU、DSP或DSC处理器,用于处理复杂的三角函数方程。
此外,为了确保所需的精度,还需要在系统中内置查找表,这需要采用大容量的闪存和复杂的软件算法,以处理电流计算、矢量旋转、空间矢量调制和比例积分控制等方面的问题。这些因素都会增大控制系统的成本。
新推出的8位微控制器在体系结构上进行了特殊的增强配置,例如英飞凌技术公司的XC800系列就具备了实现更高性价比FOC系统所需的硬件功能(如图1所示)。

图1 内含专用模块的低成本8位控制器提供了磁场导向电机控制所需的全部功能
低成本8位FOC解决方案
具有FOC功能的MCU内部集成了一个兼容8051的处理器内核和一个强大的片上处理单元——矢量计算器,该计算器能够同时对矢量数据(一维阵列)执行多个计算操作(如图2所示)。该矢量计算器由多个处理单元组成,包括一个坐标旋转数字计算(CORDIC)单元和一个乘/除法运算单元,当与16位的采集/比较单元和快速片上A/D转换器配合使用时,它能够执行16位的数学运算。

图2 一款具有FOC功能的MCU,内部集成了一个8051兼容内核和一个强大的能够同时对矢量数据进行多个计算操作的片上处理单元
该CORDIC内置了一个容量很小的查找表,利用加法、减法和移位操作能够实现多种复杂数学函数和三角函数的迭代计算,例如Clarke和Park算法。CORDIC的输出结果可达16位的精度,它的功能基本上与CPU核是相互独立的,从而为其他控制任务节省了资源开销。
乘除法单元可以执行16位和32位的数学运算,可以用来代替标准的8051 MUL/div指令。要想进一步缩小闪存容量,提高访问速度,我们还可以在自举ROM中加入定点和浮点指令的数学运算库。
如前所述,FOC算法的主要目标是确保定子的磁场与转子内永磁体的磁场保持垂直的方向。它们的关系是通过一次分路电流的测量而估计出来的,这种测量需要用相应的PWM模式快速触发A/D转换器。在智能PWM单元CapCom6E和A/D转换器之间,采用基于事件的硬件触发器可以实现这一目标。这种基于事件的触发器消除了中断等待时间,实现了快速而精确的电流测量。
将片上运算单元和外设集成在一起实现FOC的方式为其他使用低成本8位MCU的系统控制功能节省了充分的资源。例如,在15kHz的PWM频率和133μs的电流测量速度下,FOC控制功能仅仅占用了58%的CPU性能,为其他专用功能提供了很大的余量。与硬编码FOC实现方式不同的是,集成了矢量计算器的MCU具有软件可重编程能力。我们可以利用这一功能,通过构造一个程控斜面或者采用减弱磁场的方法(例如减弱FOC算法的ID组件),优化电机的启动过程。
电子 MCU 电压 传感器 电阻 电流 DSP PWM USB 相关文章:
- 一种新型防伪读码器的设计(01-01)
- 基于ARM与DSP的嵌入式运动控制器设计(04-25)
- 航天器DC/DC变换器的可靠性设计(02-12)
- 我国科学家人脸与笔迹识别领域获突破(04-29)
- 基于ARM核的AT75C220及其在指纹识别系统中的应用(05-24)
- 基于nRF2401智能小区无线抄表系统集中器设计(04-30)
