变频与传动-高压变频器原理及应用
时间:10-21
来源:互联网
点击:
1.引言
电机是工业生产中主要的耗电设备,高压大功率电动机的应用更为突出,而这些设备大部分都存在很大的节能潜力。所以大力发展高压大功率变频调速技术具有时代的必要性和迫切性。
目前,随着现代电力电子技术和微电子技术的迅猛发展,高压大 功率变频调速装置不断地成熟起来,原来一直难于解决的高压问题,近年来通过器件串联或单元串联得到了很好的解决。其应用领域和范围也越来越为广范,这为工矿企业高效、合理地利用能源(尤其是电能)提供了技术先决条件。
2.几种常用高压变频器的主电路分析
(1)单元串联多重化电压源型高压变频器
单元串联多重化电压源型高压变频器利用低压单相变频器串联,弥补功率器件IGBT的耐压能力的不足。所谓多重化,就是每相由几个低压功率单元串联组成,各功率单元由一个多绕组的移相隔离变压器供电,用高速微处理器实现控制和以光导纤维隔离驱动。但其存在以下缺点:
a) 使用的功率单元及功率器件数量太多,6kV系统要使用150只功率器件(90只二极管,60只IGBT),装 置的体积太大,重量大,安装位置和基建投资成问题;
b)所需高压电缆太多,系统的内阻无形中增大,接线太多,故障点相应的增多;
c) 一个单元损坏时,单元可旁路,但此时输出电压不平衡中心点的电压是浮动的,造成电压、电流不平衡,从而谐波也相应的增大,勉强运行时终 究会导致电动机的损坏;
d)输出电压波形在额定负载时尚好,低于25Hz以下畸变突出;
e)由于系统中存在着变压器,系统效率再提高不容易实现;移相变压器中,6kV 三相6绕组×3(10kV时需12绕组×3)延边三角形接法,在三相电压不平衡(实际上三相电压是不可能绝对平衡的)时,产生的内部环流,必将引起内阻的 增加和电流的损耗,也相应的就造成了变压器的铜损增大。此时,再加上变压器的铁芯的固有损耗,变压器的效率就会降低,也就影响了整个高压变频器的效率。这 种情况在越低于额定负荷运行时,越是显著。10kV时,变压器有近400个接头、近百根电缆。在额定负荷时效率可达96%,但在轻负荷时,效率低于 90%。
(2)中性点钳位三电平PWM变频器
该系列变频器采用传统的电压型变频器结构。中性点钳位三电平PWM变频器的逆变部 分采用传统的三电平方式,所以输出波形中会不可避免地产生比较大的谐波分量,这是三电平逆变方式所固有的。因此在变频器的输出侧必须配置输出LC滤波器才 能用于普通的鼠笼型电机。同样由于谐波的原因,电动机的功率因数和效率、甚至寿命都会受到一定的影响,只有在额定工况点才能达到最佳的工作状态,但随着转速的下降,功率因数和效率都会相应降低。
多电平+多重化高压变频器。多电平+多重化高压变频器的本意是想解决高压IGBT的耐压有限的问题,但此种方式,不仅增加了系统的复杂性,而且降低了多重化冗余性能好和三电平结构简单的优点。因此此类变频器实际上并不可取。
此类型变频器的性能价格优势并不大,与其同时采用多电平和多重化两种技术,还不如采用前面提到的高压IGBT的多重化变频器或者三电平变频器。
(3)电流源型高压变频器
功率器件直接串联的电流源型高压变频器是在线路中串联大电感,再将SCR(或GTO、 SGCT等)开关速度较慢的功率器件直接串联而构成的。
这种方式虽然使用功率器件少、易于控制电流,但是没有真正解决高压功率器 件的串联问题。因为即使功率器件出现故障,由于大电感的限流作用,di/dt受到限制,功率器件虽不易损坏,但带来的问题是对电网污染严重、功率因数低。并且电流源型高压变频器对电网电压及电机负载的变化敏感,无法做成真正的通用型产品。
电流源型高压变频器是最早的产品,但凡是电压型变频器到达的地方,它都被迫退出,因为在经济上、技术上,它都明显处于劣势。
3.IGBT直接串联的直接高压变频器
3.1 主电路简介
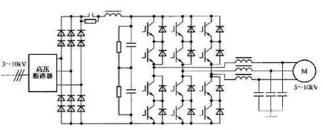
如图1所示,图中系统由电网高压直接经高压断路器进入变频器,经过高压二极管全桥整流、直流平波电抗器和电容滤波,再通过 逆变器进行逆变,加上正弦波滤波器,简单易行地实现高压变频输出,直接供给高压电动机。
功率器件IGBT直接串联的二电平电压型 高压变频器是采用变频器已有的成熟技术,应用独特而简单的控制技术成功设计出的一种无输入输出变压器、IGBT直接串联逆变、输出效率达98%的高压调速系统。
对于需要快速制动的场合,采用直流放电制动装置,如图2所示:
如果需要四象限运行,以及需要能量回馈的场合,或输入电源侧短路容量较小时,也可采用如图3所示的PWM整流电路,使输入 电流也真正实现完美正弦波。
电机是工业生产中主要的耗电设备,高压大功率电动机的应用更为突出,而这些设备大部分都存在很大的节能潜力。所以大力发展高压大功率变频调速技术具有时代的必要性和迫切性。
目前,随着现代电力电子技术和微电子技术的迅猛发展,高压大 功率变频调速装置不断地成熟起来,原来一直难于解决的高压问题,近年来通过器件串联或单元串联得到了很好的解决。其应用领域和范围也越来越为广范,这为工矿企业高效、合理地利用能源(尤其是电能)提供了技术先决条件。
2.几种常用高压变频器的主电路分析
(1)单元串联多重化电压源型高压变频器
单元串联多重化电压源型高压变频器利用低压单相变频器串联,弥补功率器件IGBT的耐压能力的不足。所谓多重化,就是每相由几个低压功率单元串联组成,各功率单元由一个多绕组的移相隔离变压器供电,用高速微处理器实现控制和以光导纤维隔离驱动。但其存在以下缺点:
a) 使用的功率单元及功率器件数量太多,6kV系统要使用150只功率器件(90只二极管,60只IGBT),装 置的体积太大,重量大,安装位置和基建投资成问题;
b)所需高压电缆太多,系统的内阻无形中增大,接线太多,故障点相应的增多;
c) 一个单元损坏时,单元可旁路,但此时输出电压不平衡中心点的电压是浮动的,造成电压、电流不平衡,从而谐波也相应的增大,勉强运行时终 究会导致电动机的损坏;
d)输出电压波形在额定负载时尚好,低于25Hz以下畸变突出;
e)由于系统中存在着变压器,系统效率再提高不容易实现;移相变压器中,6kV 三相6绕组×3(10kV时需12绕组×3)延边三角形接法,在三相电压不平衡(实际上三相电压是不可能绝对平衡的)时,产生的内部环流,必将引起内阻的 增加和电流的损耗,也相应的就造成了变压器的铜损增大。此时,再加上变压器的铁芯的固有损耗,变压器的效率就会降低,也就影响了整个高压变频器的效率。这 种情况在越低于额定负荷运行时,越是显著。10kV时,变压器有近400个接头、近百根电缆。在额定负荷时效率可达96%,但在轻负荷时,效率低于 90%。
(2)中性点钳位三电平PWM变频器
该系列变频器采用传统的电压型变频器结构。中性点钳位三电平PWM变频器的逆变部 分采用传统的三电平方式,所以输出波形中会不可避免地产生比较大的谐波分量,这是三电平逆变方式所固有的。因此在变频器的输出侧必须配置输出LC滤波器才 能用于普通的鼠笼型电机。同样由于谐波的原因,电动机的功率因数和效率、甚至寿命都会受到一定的影响,只有在额定工况点才能达到最佳的工作状态,但随着转速的下降,功率因数和效率都会相应降低。
多电平+多重化高压变频器。多电平+多重化高压变频器的本意是想解决高压IGBT的耐压有限的问题,但此种方式,不仅增加了系统的复杂性,而且降低了多重化冗余性能好和三电平结构简单的优点。因此此类变频器实际上并不可取。
此类型变频器的性能价格优势并不大,与其同时采用多电平和多重化两种技术,还不如采用前面提到的高压IGBT的多重化变频器或者三电平变频器。
(3)电流源型高压变频器
功率器件直接串联的电流源型高压变频器是在线路中串联大电感,再将SCR(或GTO、 SGCT等)开关速度较慢的功率器件直接串联而构成的。
这种方式虽然使用功率器件少、易于控制电流,但是没有真正解决高压功率器 件的串联问题。因为即使功率器件出现故障,由于大电感的限流作用,di/dt受到限制,功率器件虽不易损坏,但带来的问题是对电网污染严重、功率因数低。并且电流源型高压变频器对电网电压及电机负载的变化敏感,无法做成真正的通用型产品。
电流源型高压变频器是最早的产品,但凡是电压型变频器到达的地方,它都被迫退出,因为在经济上、技术上,它都明显处于劣势。
3.IGBT直接串联的直接高压变频器
3.1 主电路简介

图1.IGBT直接串联高压变频
如图1所示,图中系统由电网高压直接经高压断路器进入变频器,经过高压二极管全桥整流、直流平波电抗器和电容滤波,再通过 逆变器进行逆变,加上正弦波滤波器,简单易行地实现高压变频输出,直接供给高压电动机。
功率器件IGBT直接串联的二电平电压型 高压变频器是采用变频器已有的成熟技术,应用独特而简单的控制技术成功设计出的一种无输入输出变压器、IGBT直接串联逆变、输出效率达98%的高压调速系统。
对于需要快速制动的场合,采用直流放电制动装置,如图2所示:

图2.具有直流放电制动装置的IGBT直接串联高压变频器主电路图
如果需要四象限运行,以及需要能量回馈的场合,或输入电源侧短路容量较小时,也可采用如图3所示的PWM整流电路,使输入 电流也真正实现完美正弦波。
电动机 电力电子 电子 电路 电压 IGBT 变压器 二极管 电流 PWM 滤波器 电感 电容 逆变器 电路图 触摸屏 PLC 自动化 场效应管 相关文章:
- 基于DSP高精度伺服位置环设计(06-21)
- 基于DSP的工业缝纫机控制系统设计(09-23)
- 无传感器交流电动机控制技术提高了运行效率(10-15)
- 一种变频调速系统的SVPWM控制设计(02-03)
- FPGA在步进电机控制中的应用(03-07)
- 用C8051F构成的采集与控制系统(03-09)
