变频与传动-高压变频器原理及应用
时间:10-21
来源:互联网
点击:

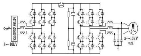
图3.具备能量回馈和四象限运行的IGBT直接串联高压变频器主电路图
3.2 IGBT直接串联高压变频器25Hz、30Hz、40Hz、50Hz电压、电流输出波形及谐波图:


3.3 核心关键技术
(1)高速功率器件的串联技术
根据查新,世界 各国均未生产出IGBT直接串联的高压变频器。原因正如一些权威人士所言:“IGBT是不能串联的。因为开关时间短,微秒级,很难保证所有管子串联同时开关。否则有的早开,所有的电压都来加在晚开的管子上,那么这个1200V的管子加上6000V,只能烧掉,一烧一串,不可能串联。”
(2) 正弦波技术
高压电机对变频器的输出电压波形有严格的要求,是业内人士都知道的常识。解决变频器输出电压波形,从两方面着手:一是优化 PWM波形;二是研制出特种滤波器。
过去一些人认为:“三电平的电压波形一定优于二电平,今后就是低压变 频器也应采用三电平。”,这种说法可能不太全面。三电平的总谐波含量可能低于二电平,但由于三电平的11次、13次谐波含量特别高,处理起来特别困难,而二电平只要波形优化得好,60次以下的谐波皆可大大降低。而对60次以上的谐波滤波自然容易得多。人们使用三电平是为避免器件串联的困难,不得已而为之。
(3) 抗共模电压技术
仅解决IGBT的串联,并不能甩掉输入变压器。原因在于共模电压的存在。在低压变频器领域,近年来发现的电机轴承损坏,共模电压就是影响之一,在高压变频器的领域中,共模电压更是必须解决的关键问题之一。共模电压(也叫零序电压),是指电动机定子绕组的中心点和地之间的电压。
共模电压也是对外产生干扰的原因,特别是长线传输设备。无论是电流源还是电压源变频器产生共模电压是必然的。技术人员根据共模电压产生的机理,采取了“堵和疏”的办法将共模电压消灭在变频器内部。
由于采用了上述三项核心关键技术,使IGBT直接高 压变频器的效率达到98%以上。输出电压正弦化、共模电压最小化。适用于任何异步电机、同步电机,无需降容使用,几km的长线传输也无问题。对于传输距离 太长时应考虑线路电压补偿。如提高电压或增大导线截面等。
4 系统特点:
(1)电压等级为3kV-10kV;
(2)系统自带专门设计的高压开关柜,与本身高压变频器高效安全配套,并含变/工频切换装 置和电子式真空断路器;
(3)全中文操作界面,基于 Windows操作平台,彩色液晶触摸屏,便于就地监控、设定参数、选择功能和调试;
(3)内置PLC可编程控制器,易于改变和扩展控制逻辑关系;
(4)高压主电路与低压控制电路采 用光纤传输,安全隔离,使得系统抗干扰能力强;
(5)控制电路通讯方式采用全数字化通讯;
(6)系统的 整流单元、逆变单元设计,选用组合模块化积木结构,整机占地面积小、重量轻,便于安装、维护;
(7)装置可在本机上操作,也可实 现远距离外控,具备完善、方便的操作功能选择;
(8)系统具有标准的计算机通讯接口RS232或 RS422、RS485,可方便 的与用户DCS系统或工控系统组态建立整个系统的工作站,进一步提高系统的自动化控制程度,实现整个工控系统的全闭环监控,从而获得更加完善的、可靠自动化运行;
(10)具备全面的故障监测、可靠的故障报警保护功能;
(11)输入功率因数高,输出电压谐波 含量小,无需功率因数补偿和谐波抑制器;
(12)输出电压为标准正弦波形,对电缆和电动机的绝缘无损害,减轻电动机的轴承和叶片 等机械部分震动和磨损,延长电动机的使用寿命,输出至电动机的线缆长度可达20km;
(13)采用独特的抗共模电压技术,使系统*模电压 ≤1000V,无需再提高电动机的绝缘等级,无需专用电机;
(14)易于实现能量回馈和四象限运行;并可直接引出直流 进行直流输电;
(15)对用户的高压异步电动机无任何特殊要求。不但适用于新旧异步电动机,也适用于同步电动机。
5.应用实例:IGBT直接串联高压变频器在 炼铁厂冲渣泵上的应用
5.1 应用概况
永峰钢厂是莱钢集团公司的一个主要生产厂,负责公司所需铁水和铁块冶炼。高炉冶炼铁水过程中产生大量的熔渣,通常是用大流量的中压水将其降温并 冲散,同时输送到水渣池回收,作为炼铁生产的副产品。高炉生产是不间断的,一般情况下每天出铁15次,在高炉出铁前、后各放一次渣,两次出渣时间约 30min,在此时间内要求水冲渣系统的水泵满负荷工作,其余时间水泵只需保持约30%水流量防止管道堵塞即可。4#-高炉使用ZGB-300型冲渣泵,原系统运行时,起动前管道进出水阀门关闭,起动后阀门开度约90%,机组全速运行,电网电压6300V,电机运行电流33A,功率因数81.6%,耗电功率294kW。不需冲渣水时通过调节阀门在30%来调节水流量(此时电机电流25A),耗电功率214kW,一方面导致大量的节能损失,另一方面频繁操作阀门,致使其使用寿命大大降低,增加了停产更换阀门的时间,为此公司决定对4#高炉冲渣泵进行改造。
电动机 电力电子 电子 电路 电压 IGBT 变压器 二极管 电流 PWM 滤波器 电感 电容 逆变器 电路图 触摸屏 PLC 自动化 场效应管 相关文章:
- 基于DSP高精度伺服位置环设计(06-21)
- 基于DSP的工业缝纫机控制系统设计(09-23)
- 无传感器交流电动机控制技术提高了运行效率(10-15)
- 一种变频调速系统的SVPWM控制设计(02-03)
- FPGA在步进电机控制中的应用(03-07)
- 用C8051F构成的采集与控制系统(03-09)
