风光变频器在调度绞车中的应用
时间:07-28
来源:互联网
点击:
5 90KW大屯绞车接线图
(1)主回路接线图

图 1主回路接线图
Q1、Q2、Q3 工变频转换开关
K1 三相双掷开关
K2 三相双掷开关
BPQ JD-BP32-90T风光变频器
M 用户三相异步电动机
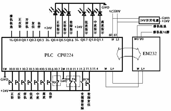
( 2 ) PLC 接线图
在该系统中 , 西门子 PLC 接线如下图 2:
图 2 西门子 PLC 接线图
KC0 为变频器内部故障继电器常开触点。
用户通过操作台发出各种指令,经过 PLC 处理后,给出开停机等各种动作信号。由模拟量模块 EM232 接受 CPU224 发出的指令,给出模拟电压信号控制变频器的频率高低,进而控制调度绞车电机的速度大小。
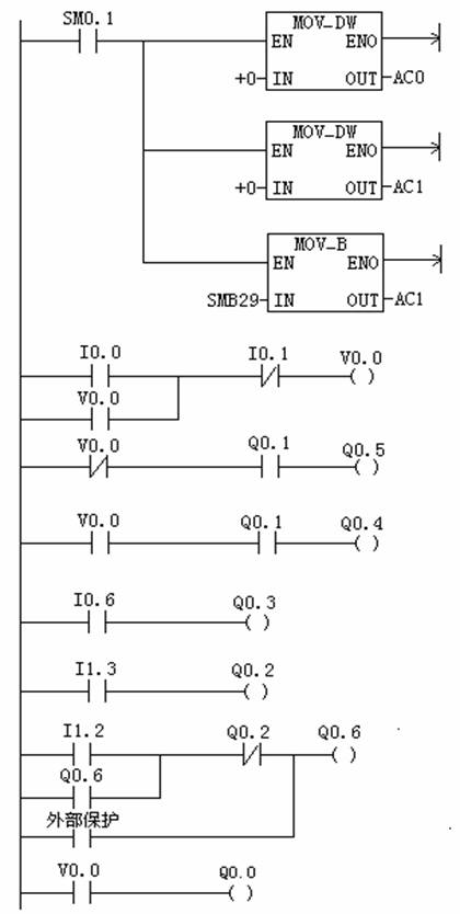
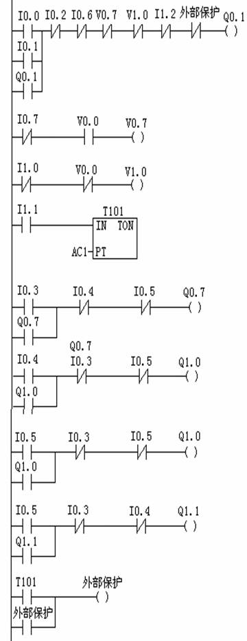
6 PLC 控制流程图及程序
( 1 )系统 PLC 控制流程如下图 3 示 :
图 3 PLC 控制流程图
( 2 )系统 PLC 控制程序如下:



7 对再生能量的处理
为了再生能量能够回馈电网,变频器的主回路采用双向逆变方案。主回路原理示意图如图 4 示。
图 4 主回路原理示意图
8 调度绞车变频控制系统的主要优点:
( 1 )变频系统甩掉了原电控系统用的交流接触器,设备不再频繁启动,提高了系统的可靠性。
( 2 )变频系统实现了低频低压的软启动和软停止, S 形速度曲线加速,使运行更加平稳,机械冲击小,延长了机械设备的使用寿命。
( 3 )采用德国西门子 PLC ,抗干扰性强,能在比较恶劣的情况下使用,方便地适应工艺现场要求,使整个系统性价比高。
( 4 )采用能耗制动、回馈制动技术,成功解决了调度绞车在快速减速或急停时的再生发电能量处理问题,保证了变频器的安全运行。
( 5 )节能效果显著。变频改造后,据实测,节电效果可达 40% 左右。
( 6 )采用变频控制后,原双速电机不用更换,将原电机当作 45KW 高速电机使用即可,节约了用户投资。
( 7 )提高了生产效率。采用变频控制后,当出料口的出料多时,变频器采用中速拖动列车车厢前行;当出料少时,变频器采用低速缓慢拖动列车装车,不再需要电机频繁启动。用户 50 节列车车厢装料,若用原电控系统需要 30min ;变频改造后,仅需要 21min ,大大提高了装车效率。
9 结束语
总之,风光牌 JD-BP32-90T 变频器在大屯选煤厂调度绞车上的改造是成功的。它不仅大大提高了生产效率,而且节电效果显著,可以在类似场合大力推广。
(1)主回路接线图

图 1主回路接线图
Q1、Q2、Q3 工变频转换开关
K1 三相双掷开关
K2 三相双掷开关
BPQ JD-BP32-90T风光变频器
M 用户三相异步电动机
( 2 ) PLC 接线图
在该系统中 , 西门子 PLC 接线如下图 2:
图 2 西门子 PLC 接线图
KC0 为变频器内部故障继电器常开触点。
用户通过操作台发出各种指令,经过 PLC 处理后,给出开停机等各种动作信号。由模拟量模块 EM232 接受 CPU224 发出的指令,给出模拟电压信号控制变频器的频率高低,进而控制调度绞车电机的速度大小。
6 PLC 控制流程图及程序
( 1 )系统 PLC 控制流程如下图 3 示 :
图 3 PLC 控制流程图
( 2 )系统 PLC 控制程序如下:



7 对再生能量的处理
为了再生能量能够回馈电网,变频器的主回路采用双向逆变方案。主回路原理示意图如图 4 示。
图 4 主回路原理示意图
8 调度绞车变频控制系统的主要优点:
( 1 )变频系统甩掉了原电控系统用的交流接触器,设备不再频繁启动,提高了系统的可靠性。
( 2 )变频系统实现了低频低压的软启动和软停止, S 形速度曲线加速,使运行更加平稳,机械冲击小,延长了机械设备的使用寿命。
( 3 )采用德国西门子 PLC ,抗干扰性强,能在比较恶劣的情况下使用,方便地适应工艺现场要求,使整个系统性价比高。
( 4 )采用能耗制动、回馈制动技术,成功解决了调度绞车在快速减速或急停时的再生发电能量处理问题,保证了变频器的安全运行。
( 5 )节能效果显著。变频改造后,据实测,节电效果可达 40% 左右。
( 6 )采用变频控制后,原双速电机不用更换,将原电机当作 45KW 高速电机使用即可,节约了用户投资。
( 7 )提高了生产效率。采用变频控制后,当出料口的出料多时,变频器采用中速拖动列车车厢前行;当出料少时,变频器采用低速缓慢拖动列车装车,不再需要电机频繁启动。用户 50 节列车车厢装料,若用原电控系统需要 30min ;变频改造后,仅需要 21min ,大大提高了装车效率。
9 结束语
总之,风光牌 JD-BP32-90T 变频器在大屯选煤厂调度绞车上的改造是成功的。它不仅大大提高了生产效率,而且节电效果显著,可以在类似场合大力推广。
电动机 电流 电子 PLC 变压器 电路 继电器 电源模块 自动化 电压 相关文章:
- 基于DSP高精度伺服位置环设计(06-21)
- 基于DSP的工业缝纫机控制系统设计(09-23)
- 无传感器交流电动机控制技术提高了运行效率(10-15)
- 一种变频调速系统的SVPWM控制设计(02-03)
- FPGA在步进电机控制中的应用(03-07)
- 用C8051F构成的采集与控制系统(03-09)
