JK-DP50型数字降噪声处理器的工作原理及其应用
时间:07-28
来源:互联网
点击:
随着数字信号处理(DSP)技术的迅猛发展,以数字信号处理器及相关算法为技术的数字降噪声技术也不断出现。本文提到的JK-DP50型数字降噪声处理器就是应用数字信号处理器DSP技术及高速实时处理运算的特性,采用独特的软件算法,对高噪声环境中的话音和噪音进行处理,完成高噪声环境中的语音通信功能,使话音在高噪声环境下仍然比较清晰。
JK-DP50的性能指标
● 工作电压为+12V±10%;工作电流小于70mA。
● 具有降噪控制功能(CON) 控制信号(CON)为高电平(+5V)时,降噪声模块断开,信号直接通过;控制信号(CON)为低电平(0V)时,降噪声模块接入,进行降噪声处理。
● 输入端参数 直通时为100~600mV;降噪时为25~200mV;输入阻抗为10kΩ。
● 输出端参数 直通时为100~600mV;降噪时为25~200mV;输入阻抗为600Ω。
● 输出频响特性 输入为100mV时,断续比为1:1正弦波信号,在300~3400Hz范围内,不均匀度小于3dB。
● 降噪能力 输入为100mV时,断续比为1:1正弦波信号与输入100mV持续的白噪声信号时模块输出的比不小于30dB 。

JK-DP50的工作原理
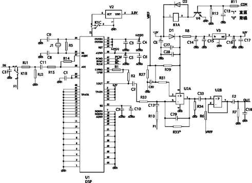
本文中JK-DP50型数字降噪声处理器主要完成在高噪声环境下话音的高清晰度通信功能。它有降噪和直通两种工作状态,其工作原理如图1所示。工作状态的选择由控制信号CON的电平来决定,控制特别灵活,可由监控单元直接来控制。CON为低电平(0V)时,降噪声模块接入,进行降噪处理;CON为高电平(+5V)时,降噪声模块断开,信号直接通过。降噪状态时,CON为低电平,晶体管V4截止,继电器K1处于常闭状态,话音信号和环境噪声通过话筒输入,送到数字信号处理DSP的27、28脚,把话音和环境噪声进行放大,增益由R15和R14来决定,放大到DSP芯片内的A/D能识别的幅度,以便A/D能正常转换信号。模拟信号通过A/D转换后,变成12位的数字信号进入DSP的运算单元,DSP在前3秒中测试出周围环境噪声的大小,并建立相关数学模型,然后按给定的算法处理话音和噪声,把处理后的结果经过数据总线送到D/A,经放大器U2:A,电容C29和电阻R33组成的平滑滤波器,进行平滑滤波后送到放大器U2:B,放大器的作用是为了满足相连设备的输入要求。直通状态时,CON为高电平,晶体管V4导通,继电器K1处于吸合状态,话音信号和环境噪声通过话筒输入,不经过DSP直接送到平滑滤波器,进行平滑滤波后送到放大器U2:B。

降噪模块中DSP的选择
在实现降噪处理时,选择数字信号处理芯片DSP是非常重要的一环。DSP芯片要根据降噪处理的软件算法和实际的系统要求来选择。首先,应该考虑是选用浮点还是定点DSP;其次,根据软件算法的复杂程度,考虑DSP的运算速度;此外,还应考虑DSP芯片提供的硬件资源和功耗,如片内RAM、ROM的数量、外部可扩展的程序和数据空间、总线接口、I/O接口、封装形式等因素。本文设计的数字降噪声处理器选用TI公司的TMS320C5XX系列DSP芯片中的一款作为处理芯片,该定点DSP的运算速度为40MIPS,集成高速A/D、D/A转换器及16KB的flash存储器,共有64引出管脚,大大减小了PCB板的面积,选用19.2MHz的晶体作时钟。
降噪模块中DSP的选择
数字降噪声处理器是采用回波对消的原理。回波对消采用了自适应噪声对消的技术,自适应噪声对消系统的方框图见图2。
自适应噪声对消系统的输入分两路,A路是有用信号s混有噪声n0,即y=s+n0;B路为消噪系统中自适应滤波器的参考输入n1,即x=n1。
设s与n0或n1互不相关,n0与n1相关,且它们都是零均值平稳随机过程,则系统的输出等于误差信号,其中是噪声n1通过自适应滤波器的估计值。为了使均方误差最小,在理想的情况下,希望系统的输出通过自适应算法使噪声全部被抵消,只剩下有用信号,即:
显然,当均方误差信号最小时,=n0,故输出为有用信号,噪声n0被消除,达到降噪的效果。
系统中的自适应滤波器具有跟踪信号和噪声变化的能力,使滤波器的特性也随信号和噪声的变化而变化,以达到最佳的降噪处理效果。
自适应滤波器特性变化是由自适应算法通过调整滤波器权系数来实现的。一般情况,自适应滤波器由两部分组成,一是滤波器结构,二是调整滤波器权系数的自适应算法。自适应滤波器的结构采用横向型FIR结构。对带内白噪声的处理用经典的最小均方LMS算法还不能达到最佳的降噪效果,还要利用噪声的自相关特性和功率谱密度特性,在LMS算法的基础上作适当的修正才能达到最佳的降噪效果。
自适应滤波器主要完成对输入信号中的噪声进行估计,并把估计值与输入信号相减,但不是一般的代数相减,而是有一套相应的软件算法,如相关功率的功率谱密度分析等。
自适应滤波器采用横向型结构。
一个自适应滤波器实现的复杂性通常是由它所需要的乘法次数和阶数来衡量。
JK-DP50型数字降噪声处理器采用了120阶自适应滤波器。根据噪声的自相关特性和功率谱密度性,软件上除了采用传统对称横向结构的FIR滤波器中的LMS算法外,还对噪声和信号的功率谱密度进行估计,即对采样编码的16个值进行平方累加,求出其平均功率值进行比较,比较后的误差信号与设定的噪声门限值进行相除,结果若大于1,则调整滤波器的权系数,使权系数变小,信号的输出幅度变大;结果若小于1,则调整滤波器的权系数,使权系数变大,信号的输出幅度变小。在数字信号传输过程中,为了避免回波的影响,必须采取回波抵消技术。
JK-DP50的性能指标
● 工作电压为+12V±10%;工作电流小于70mA。
● 具有降噪控制功能(CON) 控制信号(CON)为高电平(+5V)时,降噪声模块断开,信号直接通过;控制信号(CON)为低电平(0V)时,降噪声模块接入,进行降噪声处理。
● 输入端参数 直通时为100~600mV;降噪时为25~200mV;输入阻抗为10kΩ。
● 输出端参数 直通时为100~600mV;降噪时为25~200mV;输入阻抗为600Ω。
● 输出频响特性 输入为100mV时,断续比为1:1正弦波信号,在300~3400Hz范围内,不均匀度小于3dB。
● 降噪能力 输入为100mV时,断续比为1:1正弦波信号与输入100mV持续的白噪声信号时模块输出的比不小于30dB 。

JK-DP50的工作原理
本文中JK-DP50型数字降噪声处理器主要完成在高噪声环境下话音的高清晰度通信功能。它有降噪和直通两种工作状态,其工作原理如图1所示。工作状态的选择由控制信号CON的电平来决定,控制特别灵活,可由监控单元直接来控制。CON为低电平(0V)时,降噪声模块接入,进行降噪处理;CON为高电平(+5V)时,降噪声模块断开,信号直接通过。降噪状态时,CON为低电平,晶体管V4截止,继电器K1处于常闭状态,话音信号和环境噪声通过话筒输入,送到数字信号处理DSP的27、28脚,把话音和环境噪声进行放大,增益由R15和R14来决定,放大到DSP芯片内的A/D能识别的幅度,以便A/D能正常转换信号。模拟信号通过A/D转换后,变成12位的数字信号进入DSP的运算单元,DSP在前3秒中测试出周围环境噪声的大小,并建立相关数学模型,然后按给定的算法处理话音和噪声,把处理后的结果经过数据总线送到D/A,经放大器U2:A,电容C29和电阻R33组成的平滑滤波器,进行平滑滤波后送到放大器U2:B,放大器的作用是为了满足相连设备的输入要求。直通状态时,CON为高电平,晶体管V4导通,继电器K1处于吸合状态,话音信号和环境噪声通过话筒输入,不经过DSP直接送到平滑滤波器,进行平滑滤波后送到放大器U2:B。

降噪模块中DSP的选择
在实现降噪处理时,选择数字信号处理芯片DSP是非常重要的一环。DSP芯片要根据降噪处理的软件算法和实际的系统要求来选择。首先,应该考虑是选用浮点还是定点DSP;其次,根据软件算法的复杂程度,考虑DSP的运算速度;此外,还应考虑DSP芯片提供的硬件资源和功耗,如片内RAM、ROM的数量、外部可扩展的程序和数据空间、总线接口、I/O接口、封装形式等因素。本文设计的数字降噪声处理器选用TI公司的TMS320C5XX系列DSP芯片中的一款作为处理芯片,该定点DSP的运算速度为40MIPS,集成高速A/D、D/A转换器及16KB的flash存储器,共有64引出管脚,大大减小了PCB板的面积,选用19.2MHz的晶体作时钟。
降噪模块中DSP的选择
数字降噪声处理器是采用回波对消的原理。回波对消采用了自适应噪声对消的技术,自适应噪声对消系统的方框图见图2。
自适应噪声对消系统的输入分两路,A路是有用信号s混有噪声n0,即y=s+n0;B路为消噪系统中自适应滤波器的参考输入n1,即x=n1。
设s与n0或n1互不相关,n0与n1相关,且它们都是零均值平稳随机过程,则系统的输出等于误差信号,其中是噪声n1通过自适应滤波器的估计值。为了使均方误差最小,在理想的情况下,希望系统的输出通过自适应算法使噪声全部被抵消,只剩下有用信号,即:
显然,当均方误差信号最小时,=n0,故输出为有用信号,噪声n0被消除,达到降噪的效果。
系统中的自适应滤波器具有跟踪信号和噪声变化的能力,使滤波器的特性也随信号和噪声的变化而变化,以达到最佳的降噪处理效果。
自适应滤波器特性变化是由自适应算法通过调整滤波器权系数来实现的。一般情况,自适应滤波器由两部分组成,一是滤波器结构,二是调整滤波器权系数的自适应算法。自适应滤波器的结构采用横向型FIR结构。对带内白噪声的处理用经典的最小均方LMS算法还不能达到最佳的降噪效果,还要利用噪声的自相关特性和功率谱密度特性,在LMS算法的基础上作适当的修正才能达到最佳的降噪效果。
自适应滤波器主要完成对输入信号中的噪声进行估计,并把估计值与输入信号相减,但不是一般的代数相减,而是有一套相应的软件算法,如相关功率的功率谱密度分析等。
自适应滤波器采用横向型结构。
一个自适应滤波器实现的复杂性通常是由它所需要的乘法次数和阶数来衡量。
JK-DP50型数字降噪声处理器采用了120阶自适应滤波器。根据噪声的自相关特性和功率谱密度性,软件上除了采用传统对称横向结构的FIR滤波器中的LMS算法外,还对噪声和信号的功率谱密度进行估计,即对采样编码的16个值进行平方累加,求出其平均功率值进行比较,比较后的误差信号与设定的噪声门限值进行相除,结果若大于1,则调整滤波器的权系数,使权系数变小,信号的输出幅度变大;结果若小于1,则调整滤波器的权系数,使权系数变大,信号的输出幅度变小。在数字信号传输过程中,为了避免回波的影响,必须采取回波抵消技术。
DSP 电压 电流 继电器 总线 放大器 电容 电阻 滤波器 MIPS PCB 相关文章:
- 基于ARM与DSP的嵌入式运动控制器设计(04-25)
- 基于ARM核的AT75C220及其在指纹识别系统中的应用(05-24)
- 智能视频多媒体技术的应用(05-31)
- 提高实时系统数据采集质量的研究(04-09)
- 2009视频监控:网络化及其推动的几大趋势(06-03)
- 高清化:视频监控领域的下一个里程碑(06-04)
