NI Compact RIO在海洋环境多物理场测量中的应用
时间:07-10
来源:互联网
点击:
三、软件系统介绍:
1.软件简介:
软件所使用的开发平台为NI公司的LabVIEW软件。LabVIEW是NI公司开发的一种目前应用最广、发展最快、功能最 强的图形化开发平台。它是一种适合任何编程任务,具有扩展函数库的通用编程环境,定义了数据模型、结构类型和模块调用语法规则等编程语言的基本要素;它的扩展函数库面向数据采集、GPIB和串行仪器控制,以及数据分析、数据显示和数据存储;提供了与遵从GPIB、VXI、RS-232、RS-485协议的硬件及数据采集卡的全部功能,还内置了TCP/IP,ActiveX等软件标准的库函数,不需要编写程序代码,而是利用编程人员熟悉的术语,图表和概念,来绘制程序流程图,直观清晰,并且包括了常用的程序调试工具,简化了程序的开发时间和难度。
2.编程思路说明
本系统的软件编程主要是需要实现对各个物理场采集的控制,按需要的采样率要求进行数据采集;将采集信号传送到上位机的用户界面上,实时显示,方便测试人员对测量体的布放、调试以及对目标的测量。
对于本系统来说,工作的重点是编译各个物理场采集控制模块,并将各采集模块同姿态仪控制模块集成在一起,形成一个成熟的系统采集控制软件,可以便捷的对各个采集模块进行控制,实时的显示采集结果、存储数据,更重要的是要让程序的采集模块之间即不相互产生冲突,也不会因为运行速度的问题产生丢点和串道。

图3 程序流程图
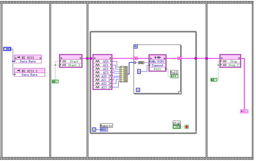
2.1 NI cRIO-9233控制采集部分
利用NI cRIO-9233采集水下物理场交变部分,软件设计的关键问题首先是要保证两个NI cRIO-9233的同步,这在Project中通过设置两个cRIO-9233的硬件属性,可以将两个NI cRIO-9233的时钟设为同步,达到要求;其次是保证信号不会产生丢点和串道,根据采样率的要求,最高要达到10K的采样率,选择DMA FIFO的方式,可以解决这个问题。采集到的数据,通过对DMA的读取,经过二进制到十进制的转换,进行显示和存储以及后期的数据处理。同时,在程序中还集成了错误报警,当程序出错时,可以及时的提醒测量人员。
2.2 cRIO-9004与单片机的串口通信
在本系统中,集成了对于海洋环境物理场直流信号的采集模块以及姿态仪与漏水报警的控制和数据采集模块,利用单片机控制各个模块的采集,将信号通过串口传给NI cRIO-9004,并在上位机显示与存储。
姿态仪和环境物理场采集模块的工作通过上位机给单片机发送命令进行切换,方便测量人员的观测和控制,同时,当漏水报警启动时,单片机将传送报警信号而不再发送其他信号,通过对信号的判断,进行软件报警。
在对水下测量体进行布放的时候,程序发送姿态仪工作指令给单片机,然后,读取串口数据,并按照姿态仪的数据传输格式,将从串口得到的姿态仪数据提取出来并显示,同时增加报警判断,根据需要设定姿态判断规则,当系统姿态达到一定的角度,程序开始报警。
FPGA.vi的程序部分

图4 FPGA.vi的程序部分
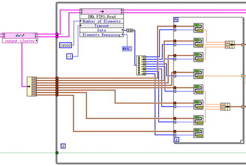
当水下测量体姿态稳定之后,通过程序设定的切换按钮,给单片机发送指令,结束姿态仪数据的采集并发送稳恒物理场传感器工作指令,开始稳恒物理场的数据采集,根据单片机的数据传输格式,读出串口中的字符串,并将其分解,转换为10进制数值,并根据规则将其换算为实际的物理量,显示出来。

图5 上位机中DMA的数据读取和转换 四、结论
本文讨论了基于National Instruments公司的NI CompactRIO控制和采集系统和图形化的编程开发平台LabVIEW而构建的海洋环境多物理场测量系统。由于很好的利用了NI CompactRIO——小巧而坚固的工业化控制和采集系统灵活,可靠等多项特性,并且结合了LabVIEW这一强大、高效的软件开发平台,使得整个自动化控制和采集系统能成功的应用于海洋环境多物理场的测量中,解决了传统测量系统体积庞大,灵活性差,且操作繁琐的难题。这也使海上实验变得更加的方便、快捷和易于维护。通过已研制样机的实验,其多点同测,稳定可靠,实时便捷,灵活小巧,低功耗,布放方便等诸多优点,很好地证明了测量系统能够满足海上多种物理场实验的不同参数要求。该系统的成功开发,也展现了NI公司的虚拟仪器技术在测试测量领域内的良好应用前景,为今后海洋环境多物理场测量阵的研制提供了极为有力的参考。
1.软件简介:
软件所使用的开发平台为NI公司的LabVIEW软件。LabVIEW是NI公司开发的一种目前应用最广、发展最快、功能最 强的图形化开发平台。它是一种适合任何编程任务,具有扩展函数库的通用编程环境,定义了数据模型、结构类型和模块调用语法规则等编程语言的基本要素;它的扩展函数库面向数据采集、GPIB和串行仪器控制,以及数据分析、数据显示和数据存储;提供了与遵从GPIB、VXI、RS-232、RS-485协议的硬件及数据采集卡的全部功能,还内置了TCP/IP,ActiveX等软件标准的库函数,不需要编写程序代码,而是利用编程人员熟悉的术语,图表和概念,来绘制程序流程图,直观清晰,并且包括了常用的程序调试工具,简化了程序的开发时间和难度。
2.编程思路说明
本系统的软件编程主要是需要实现对各个物理场采集的控制,按需要的采样率要求进行数据采集;将采集信号传送到上位机的用户界面上,实时显示,方便测试人员对测量体的布放、调试以及对目标的测量。
对于本系统来说,工作的重点是编译各个物理场采集控制模块,并将各采集模块同姿态仪控制模块集成在一起,形成一个成熟的系统采集控制软件,可以便捷的对各个采集模块进行控制,实时的显示采集结果、存储数据,更重要的是要让程序的采集模块之间即不相互产生冲突,也不会因为运行速度的问题产生丢点和串道。

图3 程序流程图
2.1 NI cRIO-9233控制采集部分
利用NI cRIO-9233采集水下物理场交变部分,软件设计的关键问题首先是要保证两个NI cRIO-9233的同步,这在Project中通过设置两个cRIO-9233的硬件属性,可以将两个NI cRIO-9233的时钟设为同步,达到要求;其次是保证信号不会产生丢点和串道,根据采样率的要求,最高要达到10K的采样率,选择DMA FIFO的方式,可以解决这个问题。采集到的数据,通过对DMA的读取,经过二进制到十进制的转换,进行显示和存储以及后期的数据处理。同时,在程序中还集成了错误报警,当程序出错时,可以及时的提醒测量人员。
2.2 cRIO-9004与单片机的串口通信
在本系统中,集成了对于海洋环境物理场直流信号的采集模块以及姿态仪与漏水报警的控制和数据采集模块,利用单片机控制各个模块的采集,将信号通过串口传给NI cRIO-9004,并在上位机显示与存储。
姿态仪和环境物理场采集模块的工作通过上位机给单片机发送命令进行切换,方便测量人员的观测和控制,同时,当漏水报警启动时,单片机将传送报警信号而不再发送其他信号,通过对信号的判断,进行软件报警。
在对水下测量体进行布放的时候,程序发送姿态仪工作指令给单片机,然后,读取串口数据,并按照姿态仪的数据传输格式,将从串口得到的姿态仪数据提取出来并显示,同时增加报警判断,根据需要设定姿态判断规则,当系统姿态达到一定的角度,程序开始报警。
FPGA.vi的程序部分

图4 FPGA.vi的程序部分
当水下测量体姿态稳定之后,通过程序设定的切换按钮,给单片机发送指令,结束姿态仪数据的采集并发送稳恒物理场传感器工作指令,开始稳恒物理场的数据采集,根据单片机的数据传输格式,读出串口中的字符串,并将其分解,转换为10进制数值,并根据规则将其换算为实际的物理量,显示出来。

图5 上位机中DMA的数据读取和转换 四、结论
本文讨论了基于National Instruments公司的NI CompactRIO控制和采集系统和图形化的编程开发平台LabVIEW而构建的海洋环境多物理场测量系统。由于很好的利用了NI CompactRIO——小巧而坚固的工业化控制和采集系统灵活,可靠等多项特性,并且结合了LabVIEW这一强大、高效的软件开发平台,使得整个自动化控制和采集系统能成功的应用于海洋环境多物理场的测量中,解决了传统测量系统体积庞大,灵活性差,且操作繁琐的难题。这也使海上实验变得更加的方便、快捷和易于维护。通过已研制样机的实验,其多点同测,稳定可靠,实时便捷,灵活小巧,低功耗,布放方便等诸多优点,很好地证明了测量系统能够满足海上多种物理场实验的不同参数要求。该系统的成功开发,也展现了NI公司的虚拟仪器技术在测试测量领域内的良好应用前景,为今后海洋环境多物理场测量阵的研制提供了极为有力的参考。
FPGA 嵌入式 传感器 LabVIEW 电压 单片机 自动化 虚拟仪器 相关文章:
- 基于FPGA安全封装的身份认证模型研究(05-27)
- ARM在数字化远程视频监控系统的应用(05-20)
- FPGA在弹上信息处理机中的应用(04-15)
- 如何充满信心地设计军用SDR产品(07-25)
- 关于安防应用中图像处理难点分析及处理器选择(07-14)
- 基于 SoPC 的震动信号采集设备设计(08-14)
