新型语音识别电路AP7003及其应用
时间:06-24
来源:互联网
点击:
表3(a) AP7003-02键盘模式
| Modey | 8Key PIM1=0 | 12Key PIM1=1 |
| Key NO. | ||
| 1 | Store Word | Store Word1 |
| 2 | Word Up | Store Word2 |
| 3 | Word Down | Store Word3 |
| 4 | Set R_Level1 | Store Word4 |
| 5 | Set R_Level2 | Store Word5 |
| 6 | Set R_Level3? | Store Word6 |
| 7 | Clear Output | Store Word7 |
| 8 | Shut Down | Store Word8 |
| 9 | N.A. | Set R_Level1 |
| 10 | N.A. | Set R_Level2 |
| 11 | N.A. | Clear Output |
| 12 | N.A. | Shut Down |
| PIT3 | Store Word | N.A. |
| PIT4 | Clear Word | Clear |
表3 b AP7003-2按键功能
| 键 名 | 功 能 说 明 |
| Clear Word | 清除12个存储体内容,之后进入存储目标词1(Store Word1)状态 |
| Store Word | 选择当前存储体以存储录入的语音!?/td>[/td] |
| Store Word1~8 | 选择12个存储体中的一个以存储录入的语音 |
| Wor Up | 选择后一个存储体以存储录入的语音;存储体12的“后一个”是存储体1 |
| Word Down | 选择前一个存储体以存储录入的语音;存储体1的“前一个”仍是存储体1 |
| et R_Level1~3 | 设置语音识别的匹配度,之后进入语音识别初始状态 |
| Clear Output | 清除POA1~POA12和LED2状态,之后进入语音识别初始状态 |
| Shut Down | 将芯片转入省电模式 |


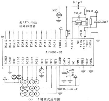
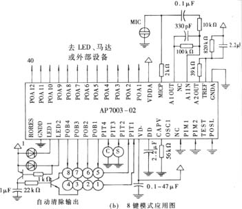
上电后POB1~POB4均被置成低电平。当有键按下时,芯片按POB1→POB2→POB3→POB4的顺序依次发出键盘扫描信号,扫描信号为16ms低脉冲加64ms间隔,且循环进行,按键信号从PIT1~PIT4输入芯片。键盘阵列如表3(c)所示。
表3(c)AP7003-02键盘阵列
| POB1 | POB2 | POB3 | POB4 | |
| PIT1 | KEY1 | KEY2 | KEY3 | KEY4 |
| PIT2 | KEY5 | KEY6 | KEY7 | KEY8 |
| PIT3 | KEY9 | KEY10 | KEY11 | KEY12 |
上电后12个存储体在录入目标词之前必须首先清空。开始录入目标词时LED1及POA1~POA12之一(与所选择的存储体相对应的一个)有效,目标词录入到存储体后芯片进入识别模式。
在识别模式初始状态,只有LED1是有效的。识别完成后,如果没有词相匹配,LED1闪烁3秒钟后回到识别模式初始状态;如果有词相匹配,LED2有效,与匹配词所在存储体相对应的POA输出端口也有效。如果芯片被设置成自动模式(PIM2=0),则LED2及POA的输出将在3分钟后被清除,之后回到识别模式初始状态。当PIM2=0时,如果连续8分钟没有语音输入芯片,将自动进入省电模式。
5 应注意的问题
?1 语音识别电路对外部麦克风(MIC)的分贝值有一定的要求。使用经验表明,本语音识别电路中选用56dB的麦克风可达到最佳效果。
?2 语音识别前设置的匹配度是一个影响识别率高低的重要因素,在实验过程中需要根据使用环境、使用要求等情况多次实验才能确定最佳值。
?3 AP7003的工作电压为2.4V~4.5V。对于3V的应用系统,可直接使用;如果您的应用系统是5V工作电压,建议通过一个二极管给AP7003供电,以保证系统长期稳定可靠地工作,也有利于降低系统功耗。
应用表明,AP7003使用简单方便,具有较高的识别率,一般可达80%以上,是一款较好的语音识别芯片。
集成电路 放大器 LED 电压 电路 电阻 电容 电子 二极管 相关文章:
- 基于MSP430单片机的多路数据采集系统的设计(06-20)
- LED照明全方位渗透,高能效驱动方案点亮前景(11-17)
- 使用L6506 实现步进电机的电流控制(12-10)
- 激光微加工系统及基于DSP+FPGA的控制单元的研究(03-05)
- Si472x射频收发芯片的交通状况提示装置(02-18)
- 红外方式数字图像采集报警系统的设计(03-15)
