单片机在电磁炉中的应用设计
时间:12-12
来源:互联网
点击:
1 引言
电磁灶是应用电磁感应原理进行加热工作的,是现代家庭烹饪食物的先进电子炊具。它使用起来非常方便,可用来进行煮、炸、煎、蒸、炒等各种烹调操作。电磁灶的功率一般在700--1800W左右。
电磁炉按感应线圈中的电流频率分为低频和高频两大类,相比较高频电磁灶受热效率高,比较省电。
按样式分类,可以分以下三种。
台式电磁炉:分为单头和双头两种,具有摆放方便、可移动性强等优点。因为价格低较受欢迎。
埋入式电磁炉:是将整个电磁炉放入橱柜面内,然后在台面上挖个洞,使灶面与橱柜台面成一个平面。业内专家认
为这种安装方法只求美观,但不科学,很大一部分消费群体把电磁炉当做火锅,埋入式炒菜并不方便。
嵌入式电磁炉:可适应不同锅具的需要,不再对锅具有特殊要求。
本文主要介绍利用SPMC65P2404芯片来实现电磁炉的设计。SPMC65P2404是凌阳推出的一款工业控制8位单片机,具有很高的性价比,抗干扰能力强,非常适合应用于工业控制类、家电类产品的设计。使用SPMC65P2404设计的电磁炉具有如下性能:
六种加热模式:火锅、煎炸、炒菜、烧烤、蒸煮、烧焖;
一种自动工作模式:烧水; 最大720分钟的定时开机功能; 2小时自动关机保护功能; 小物件检测功能,对不合适的物件不进行加热; 系统采用过流、过压、超温等多种保护措施; 采用开关电源,使系统能够在180~250V的电压范围内正常工作; 系统设置了故障报警功能,方便故障查找及检修; 系统含有自检程序,方便生产测试。
2 电磁炉加热原理
电磁炉是应用电磁感应原理对食品进行加热的。电磁炉的炉面是耐热陶瓷板,交变电流通过陶瓷板下方的线圈产生磁场,磁场内的磁力线穿过铁锅、不锈钢锅等底部时,产生涡流,令锅底迅速发热,达到加热食品的目的。
电磁炉加热原理如图2-1所示,灶台台面是一块高强度、耐冲击的陶瓷平板(结晶玻璃),台面下边装有高频感应加热线圈(即励磁线圈)、高频电力转换装置及相应的控制系统,台面的上面放有平底烹饪锅。
其工作过程如下:电流电压经过整流器转换为直流电,又经高频电力转换装置使直流电变为超过音频的高频交流电,将高频交流电加在扁平空心螺旋状的感应加热线圈上,由此产生高频交变磁场。其磁力线穿透灶台的陶瓷台板而作用于金属锅。在烹饪锅体内因电磁感应就有强大的涡流产生。涡流克服锅体的内阻流动时完成电能向热能的转换,所产生的焦耳热就是烹调的热源。
3 电磁炉设计要求
电磁炉作为一种普遍的家用产品,除了要具有基本的加热功能外,它的安全性能及稳定性能是设计的关键。
电磁炉设有多种保护装置,包括小物件检测、过热自动停机保护、过压或欠压自动停机保护、空烧自动停止加热保护、2小时断电保护、1~2分钟自动停机保护以及声光报警显示等。综合起来,电磁炉可由下述技术特性参数考核:
(1)自身保护特性。输出开关管是电磁炉的关键元件,工作于高电压、大功率状态,受成本和器件参数限制,设计时不可能有很大的富裕量,故在工作过程中,若电源电压过高、工作状态切换时产生瞬间冲击、电流增大、机内温升过高、铁锅挪离灶板或空载,开关管都可能损坏。因此,应保证过压、过流、过温、锅检测等保护装置正常;
(2)锅底温度控制特征。锅底发热直接传至灶板(陶瓷玻璃),灶板是导热材料
,故一般都将热敏元件安装在灶板底部,探测锅底的温度;
(3)功率稳定性。电磁炉应具有输出功率自动调整功能,以改善电源适应性和负载适应性;
(4)电磁兼容性。该性能涉及对其余家电的干扰和对人体的危害。电磁炉均在电源回路中设有LC滤波电路并用金属围框吸收漏磁通,同时采用脉冲方式,使平均辐射功率控制在最小限度;
4 系统硬件设计
系统采用SPMC65P2404 作为主控MCU,主要模式有:键盘扫描,锅体温度检测,IGBT 温度检测,电流过流检测,超压欠压检测,振荡信号检测,风扇控制,数码管显示控制,LED 控制,蜂鸣器控制,系统启动控制。
4.1.1 加热线圈工作电路
4.1.2 开关电源电路部分
电磁灶是应用电磁感应原理进行加热工作的,是现代家庭烹饪食物的先进电子炊具。它使用起来非常方便,可用来进行煮、炸、煎、蒸、炒等各种烹调操作。电磁灶的功率一般在700--1800W左右。
电磁炉按感应线圈中的电流频率分为低频和高频两大类,相比较高频电磁灶受热效率高,比较省电。
按样式分类,可以分以下三种。
台式电磁炉:分为单头和双头两种,具有摆放方便、可移动性强等优点。因为价格低较受欢迎。
埋入式电磁炉:是将整个电磁炉放入橱柜面内,然后在台面上挖个洞,使灶面与橱柜台面成一个平面。业内专家认
为这种安装方法只求美观,但不科学,很大一部分消费群体把电磁炉当做火锅,埋入式炒菜并不方便。
嵌入式电磁炉:可适应不同锅具的需要,不再对锅具有特殊要求。
本文主要介绍利用SPMC65P2404芯片来实现电磁炉的设计。SPMC65P2404是凌阳推出的一款工业控制8位单片机,具有很高的性价比,抗干扰能力强,非常适合应用于工业控制类、家电类产品的设计。使用SPMC65P2404设计的电磁炉具有如下性能:
六种加热模式:火锅、煎炸、炒菜、烧烤、蒸煮、烧焖;
一种自动工作模式:烧水; 最大720分钟的定时开机功能; 2小时自动关机保护功能; 小物件检测功能,对不合适的物件不进行加热; 系统采用过流、过压、超温等多种保护措施; 采用开关电源,使系统能够在180~250V的电压范围内正常工作; 系统设置了故障报警功能,方便故障查找及检修; 系统含有自检程序,方便生产测试。
2 电磁炉加热原理
电磁炉是应用电磁感应原理对食品进行加热的。电磁炉的炉面是耐热陶瓷板,交变电流通过陶瓷板下方的线圈产生磁场,磁场内的磁力线穿过铁锅、不锈钢锅等底部时,产生涡流,令锅底迅速发热,达到加热食品的目的。
电磁炉加热原理如图2-1所示,灶台台面是一块高强度、耐冲击的陶瓷平板(结晶玻璃),台面下边装有高频感应加热线圈(即励磁线圈)、高频电力转换装置及相应的控制系统,台面的上面放有平底烹饪锅。
图 2‑1 电磁炉加热原理
其工作过程如下:电流电压经过整流器转换为直流电,又经高频电力转换装置使直流电变为超过音频的高频交流电,将高频交流电加在扁平空心螺旋状的感应加热线圈上,由此产生高频交变磁场。其磁力线穿透灶台的陶瓷台板而作用于金属锅。在烹饪锅体内因电磁感应就有强大的涡流产生。涡流克服锅体的内阻流动时完成电能向热能的转换,所产生的焦耳热就是烹调的热源。
3 电磁炉设计要求
电磁炉作为一种普遍的家用产品,除了要具有基本的加热功能外,它的安全性能及稳定性能是设计的关键。
电磁炉设有多种保护装置,包括小物件检测、过热自动停机保护、过压或欠压自动停机保护、空烧自动停止加热保护、2小时断电保护、1~2分钟自动停机保护以及声光报警显示等。综合起来,电磁炉可由下述技术特性参数考核:
(1)自身保护特性。输出开关管是电磁炉的关键元件,工作于高电压、大功率状态,受成本和器件参数限制,设计时不可能有很大的富裕量,故在工作过程中,若电源电压过高、工作状态切换时产生瞬间冲击、电流增大、机内温升过高、铁锅挪离灶板或空载,开关管都可能损坏。因此,应保证过压、过流、过温、锅检测等保护装置正常;
(2)锅底温度控制特征。锅底发热直接传至灶板(陶瓷玻璃),灶板是导热材料
,故一般都将热敏元件安装在灶板底部,探测锅底的温度;
(3)功率稳定性。电磁炉应具有输出功率自动调整功能,以改善电源适应性和负载适应性;
(4)电磁兼容性。该性能涉及对其余家电的干扰和对人体的危害。电磁炉均在电源回路中设有LC滤波电路并用金属围框吸收漏磁通,同时采用脉冲方式,使平均辐射功率控制在最小限度;
4 系统硬件设计
系统采用SPMC65P2404 作为主控MCU,主要模式有:键盘扫描,锅体温度检测,IGBT 温度检测,电流过流检测,超压欠压检测,振荡信号检测,风扇控制,数码管显示控制,LED 控制,蜂鸣器控制,系统启动控制。
图 4‑1 系统框图
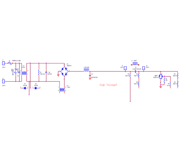
4.1 功率板电路分析
图 4‑2 功率板电路图
4.1.1 加热线圈工作电路
4.1.2 开关电源电路部分
开关电源部分采用TI 公司最新推出的集成电路VIPer12A,来实现不同电压的输出,AC 接入后经过半波整流,接到VIPer1
电子 电流 嵌入式 单片机 开关电源 电压 电路 MCU IGBT LED 电路图 集成电路 电阻 二极管 发光二极管 PWM 相关文章:
- 利用蓝牙技术和远程信息控制单元实现汽车诊断(11-13)
- 六大特点助CMOS图像传感器席卷医疗电子应用(11-13)
- 汽车网络的分类及发展趋向(11-13)
- 多核嵌入式处理技术推动汽车技术发展(11-18)
- CAN总线的客车轻便换档系统设计与实现(02-13)
- 高性能嵌入式ARM MPU在医疗电子系统中的设计应用(05-12)
