宽带低EVM直接变频发射机
时间:02-26
来源:互联网
点击:
电路功能与优势 本电路为宽带直接变频发射机模拟部分的完整实施方案(模拟基带输入、RF输出)。通过使用锁相环(PLL)和宽带集成电压控制振荡器(VCO),本电路支持500 MHz至4.4 GHz范围内的RF频率。PLL中的LO执行谐波滤波,确保提供出色的正交精度。低噪声LDO确保电源管理方案对相位噪声和EVM没有不利影响。这种器件组合可以提供500 MHz至4.4 GHz频率范围内业界领先的直接变频发射机性能。
电路描述
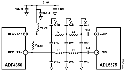
图1所示电路使用完全集成的小数N分频PLL ICADF4350和宽带发射调制器ADL5375。ADF4350向发射正交调制器ADL5375提供本振(LO)信号,后者将模拟I/Q信号上变频为RF信号。两个器件共同提供宽带基带I/Q至RF发射解决方案。ADF4350采用超低噪声3.3 VADP150调节器供电,以实现最佳LO相位噪声性能。ADL5375则采用5 VADP3334 LDO供电。ADP150 LDO的输出电压噪声仅为9 μVrms,有助于优化VCO相位噪声并降低VCO推挤(相当于电源抑制)的影响。
宽带低EVM直接变频发射机 (CN0134)
需要对ADF4350 RF输出进行滤波,以衰减谐波水平,使ADL5375正交产生模块的误差最小。依据测量和仿真得知,奇次谐波对正交误差的贡献大于偶次谐波;如果将奇次谐波衰减至−30 dBc以下,则可以实现−40 dBc或更好的边带抑制性能。ADF4350数据手册给出了其二次谐波(2H)和三次谐波(3H)水平,如表1所示。为使三次谐波低于-30 dBc,大约需要衰减20 dB。
表1. ADF4350 RF输出谐波水平(未经滤波)
本电路提供四种不同的滤波器选项,以适应四个不同的频段。这些滤波器针对100 Ω差分输入(ADF4350 RF输出及适当的匹配)和50 Ω差分输出(ADL5375 LOIN差分阻抗)而设计,并采用切比雪夫响应,以获得最佳滤波器滚降,但通道纹波会增多。
滤波器原理图如图1所示。这种拓扑结构十分灵活,既可以使用全差分滤波器,使器件数量最少,也可以对各路输出使用一个单端滤波器,或者综合运用以上二者。我们发现,对于较高频率(>2 GHz),两个单端滤波器的串联电感值是全差分滤波器电感值的两倍,因而器件寄生效应的影响得以减小,可提供最佳性能。对于较低频率(<2 GHz),全差分滤波器足以满足需要。
ADF4350输出匹配包括ZBIAS 上拉电阻,电源节点的去耦电容也起到一定的作用。为实现宽带匹配,建议使用阻性负载(ZBIAS = 50 Ω),或者将一个阻性负载与ZBIAS的电抗性负载并联。后者提供的输出功率稍高,具体取决于所选的电感。请注意,可以将并联电阻作为差分元件(即100 Ω)放置在位置C1c,使电路板空间最小。表2中的c型滤波器即为这种情况。
寄生效应常常会导致截止频率低于设计值,所以滤波器的设计截止频率应为目标频段中最高频率的约1.2至1.5倍,留出一定的余量。PCB寄生效应可以在EM仿真工具中进行仿真,以提高精度。
宽带低EVM直接变频发射机 (CN0134)
表2. ADF4350 RF输出滤波器元件值(DNI = 不插入)
从表2可以看出,在1250 MHz以下的较低频率时,需要一个五阶滤波器。对于1.25 GHz至2.8 GHz的频率,三阶滤波器便足够。对于2.8 GHz以上的频率,由于此时谐波水平非常低,足以满足边带抑制要求,因此无需滤波。
宽带低EVM直接变频发射机 (CN0134)
对于使用滤波器b(850 MHz至2450 MHz)的电路,其边带抑制性能与频率的关系如图4所示。此次扫频的测试条件如下:基带I/Q幅度 = 1 V峰峰值差分正弦波,与500 mV (ADL5375-05)直流偏置正交;基带I/Q频率(fBB) = 1 MHz。
宽带低EVM直接变频发射机 (CN0134)
误差矢量幅度(EVM)衡量数字发射机或接收机的性能质量,反映幅度和相位误差所导致的实际星座点与理想位置的偏差。EVM图如图5所示。
表3给出了有滤波器和无滤波器两种情况下的EVM测量结果。本例中,基带I/Q信号是利用3GPP测试模型4,使用Rhode & Schwarz AMIQ(数字输出)和外部16位DAC板(AD9788)而产生。另外还使用了滤波器b。图6为EVM测试设置的框图。
宽带低EVM直接变频发射机 (CN0134)
电路描述
图1:直接变频发射机(原理示意图:未显示去耦和所有连接) |
宽带低EVM直接变频发射机 (CN0134)
图2. 直接变频发射机评估板
需要对ADF4350 RF输出进行滤波,以衰减谐波水平,使ADL5375正交产生模块的误差最小。依据测量和仿真得知,奇次谐波对正交误差的贡献大于偶次谐波;如果将奇次谐波衰减至−30 dBc以下,则可以实现−40 dBc或更好的边带抑制性能。ADF4350数据手册给出了其二次谐波(2H)和三次谐波(3H)水平,如表1所示。为使三次谐波低于-30 dBc,大约需要衰减20 dB。
| 谐波成分(二次) | −19 dBc | 基波VCO输出 |
| 谐波成分(三次) | −13 dBc | 基波VCO输出 |
| 谐波成分(二次) | −20 dBc | 分频VCO输出 |
| 谐波成分(三次) | −10 dBc | 分频VCO输出 |
表1. ADF4350 RF输出谐波水平(未经滤波)
本电路提供四种不同的滤波器选项,以适应四个不同的频段。这些滤波器针对100 Ω差分输入(ADF4350 RF输出及适当的匹配)和50 Ω差分输出(ADL5375 LOIN差分阻抗)而设计,并采用切比雪夫响应,以获得最佳滤波器滚降,但通道纹波会增多。
滤波器原理图如图1所示。这种拓扑结构十分灵活,既可以使用全差分滤波器,使器件数量最少,也可以对各路输出使用一个单端滤波器,或者综合运用以上二者。我们发现,对于较高频率(>2 GHz),两个单端滤波器的串联电感值是全差分滤波器电感值的两倍,因而器件寄生效应的影响得以减小,可提供最佳性能。对于较低频率(<2 GHz),全差分滤波器足以满足需要。
ADF4350输出匹配包括ZBIAS 上拉电阻,电源节点的去耦电容也起到一定的作用。为实现宽带匹配,建议使用阻性负载(ZBIAS = 50 Ω),或者将一个阻性负载与ZBIAS的电抗性负载并联。后者提供的输出功率稍高,具体取决于所选的电感。请注意,可以将并联电阻作为差分元件(即100 Ω)放置在位置C1c,使电路板空间最小。表2中的c型滤波器即为这种情况。
寄生效应常常会导致截止频率低于设计值,所以滤波器的设计截止频率应为目标频段中最高频率的约1.2至1.5倍,留出一定的余量。PCB寄生效应可以在EM仿真工具中进行仿真,以提高精度。
宽带低EVM直接变频发射机 (CN0134)
图3. ADF4350 RF输出滤波器原理图
| 频率范围(MHz) | ZBIAS | L1 (nH) | L2 (nH) | C1a (pF) | C1c (pF) | C2a (pF) | C2c (pF) | C3a (pF) | C3c (pF) |
| a. 500–1300 | 27 nH|| 50 Ω | 3.9 | 3.9 | DNI | 4.7 | DNI | 5.6 | DNI | 3.3 |
| b. 850–2450 | 19 nH || (100 Ω in position C1c) | 2.7 | 2.7 | 3.3 | 100 Ω | 4.7 | DNI | 3.3 | DNI |
| c. 1250–2800 | 50 Ω | 0 Ω | 3.6 | DNI | DNI | 2.2 | DNI | 1.5 | DNI |
| d. 2800–4400 | 3.9 nH | 0 Ω | 0 Ω | DNI | DNI | DNI | DNI | DNI | DNI |
表2. ADF4350 RF输出滤波器元件值(DNI = 不插入)
从表2可以看出,在1250 MHz以下的较低频率时,需要一个五阶滤波器。对于1.25 GHz至2.8 GHz的频率,三阶滤波器便足够。对于2.8 GHz以上的频率,由于此时谐波水平非常低,足以满足边带抑制要求,因此无需滤波。
宽带低EVM直接变频发射机 (CN0134)
图4. 滤波器b的边带抑制(850 MHz至2450 MHz)
对于使用滤波器b(850 MHz至2450 MHz)的电路,其边带抑制性能与频率的关系如图4所示。此次扫频的测试条件如下:基带I/Q幅度 = 1 V峰峰值差分正弦波,与500 mV (ADL5375-05)直流偏置正交;基带I/Q频率(fBB) = 1 MHz。
宽带低EVM直接变频发射机 (CN0134)
图5. EVM图
误差矢量幅度(EVM)衡量数字发射机或接收机的性能质量,反映幅度和相位误差所导致的实际星座点与理想位置的偏差。EVM图如图5所示。
表3给出了有滤波器和无滤波器两种情况下的EVM测量结果。本例中,基带I/Q信号是利用3GPP测试模型4,使用Rhode & Schwarz AMIQ(数字输出)和外部16位DAC板(AD9788)而产生。另外还使用了滤波器b。图6为EVM测试设置的框图。
宽带低EVM直接变频发射机 (CN0134)
电路 电压 振荡器 LDO 电源管理 仿真 滤波器 电感 电阻 电容 PCB DAC 相关文章:
- 整流电路(11-30)
- 单运放构成的单稳延时电路(11-29)
- 直流稳压电源电路(11-30)
- 基于ISP1581型接口电路的USB2.0接口设计(01-18)
- 单电源供电的IGBT驱动电路在铁路辅助电源系统中的应用(01-16)
- 为太阳能灯供电的低损耗电路的设计(01-22)
