同步采样A/D转换器AD7262原理及应用
时间:08-21
来源:互联网
点击:
1 概述
AD7262是一款逐步逼近式(SAR)模数转换器(A/D转换器)。其内部有2个跟踪保持放大器,2个12位的同步采样A/D转换器,2个可编程的放大器以及2组比较器和2个独立的数据输出引脚。适用于汽车控制领域及要求高同步、需简单运算的微弱信号检测应用。因此,这里详细介绍同步采样MD转换器AD7262原理及应用。
2 AD7262简介
2.1 主要特点
AD7262具有高速低功耗同步采样,最高可达1 MS/s。其内部集成的可编程放大器PGA有14种放大增益可供选择。两组比较器A、B和C、D用作电机控制或各种电极传感器的运算器。其中比较器A和B具有低功耗特点,比较器C和D具有高速特点。双通道差分输入同时采样和A/D转换,输入阻抗大于1 GΩ。单电源+5 V供电。PGA增益为2,-3 dB带宽为1.7 MHz,信噪比SNR为73 dB;其增益为32时,信噪比为66 dB。输入直流漏电流±0.001μA,失调漂移为2.5μV/℃。带有串行外设接口SPI,兼容QSPI,MICROWIRE,DSP。该器件具有多种节能模式,动态匹配所需内部模块,具有寄存器控制和引脚驱动两种工作方式。
2.2 引脚功能
AVcc:模拟电源输入端,4.75~5.25 V;
CA_CBVCC/CC_CDVCC:比较器的电源输入端,2.7~5.25 V;
CA_CB_GND/CC_CD_GND:比较器的地输入端;
VA+/VA-,VB+/VB-:A/D转换器A和B通道的差分模拟输入端;
VREFA/VREFB:A/D转换器A和B通道的基准电压输入输出端;
SCLK:串行时钟,SPI通讯时钟,也是A/D转换过程的时钟源;
CAL:初始化内部失调校准逻辑输入;
PD2:节能模式选择逻辑输入;
PD1:节能模式选择逻辑输入;
PD0/DIN:节能模式选择逻辑输入,同时在寄存器控制模式下为数据输入端;
CS:片选输入端;
CA+/CA-,CB+/CB-:比较器A和B的差分输入端;
CC+/CC-,CD+/CD-:比较器C和D的差分输入端;
AGND:模拟地输入端;
DGND:数字地输入端;
COUTA~COUTD:比较器CMOS推拉输出,使用VDRIVE时,为数字输出端;
DOUTA/DOUTB:A/D转换串行数据输出端;
G0~G3:增益倍数逻辑输入端,当全为低电平时,为寄存器控制工作方式;
VDRIVE:逻辑电源输入端,2.7~5.25 V;
REFSEL:基准电压选择端,高电平使用内部基准电压,低电平使用外部基准电压。
2.3 内部结构
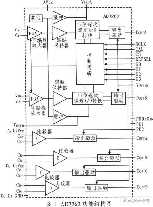
图1为AD7262的内部结构图。两路差分信号通过各自的PGA同步采样放大后,进入跟踪保持器,此时由控制逻辑控制2个12位的逐次逼近型A/D转换器实现模拟数字转换,最后由输出驱动器分别串行驱动输出至DOUTA和DOUTB。

在引脚驱动方式下,G0~G3必须至少有一个高电平。外接的G0~G3决定PGA的放大倍数。PD2~PD0 3个端口电平控制其内部比较器和12位的A/D转换器各模块的使用或关闭。在寄存器控制方式下,PD2,PD1,G0~G3全为低电平。PD0/DIN为数据输入端,用于写入相关控制寄存器,动态配置放大倍数、校准和节能模式。AD7262以2的补码输出转换结果。
2.4 自动校准
自动校准是AD7262的主要特点之一。利用CAL引脚校准设备失调。设置CAL为高电平,在下一个CS下降沿完成初始化校准值。失调校准的完成需要一个完整的转换周期,包括CS下降沿后的19个SCLK周期。如果需要,CAL可保持多于一个转换周期的高电平,且此时AD7262继续校准。也可使用控制寄存器初始校准值,设置控制寄存器的CAL位为1即可实现。注意在下一个CS下降沿,校准会被初始化,AD7262的当前转换就失去意义。其A/D转换器必须处于工作状态来完成内部校准。
A/D转换器A和B通道具有独立的外部增益寄存器用以校准信号增益。增益校准寄存器有7位,改变该寄存器以补偿增益。MSB是符号位,其他6位为存储增益倍数,用于调整模拟输入信号的范围,其校准精度是1/4 096。
3 典型应用
3.1 硬件设计
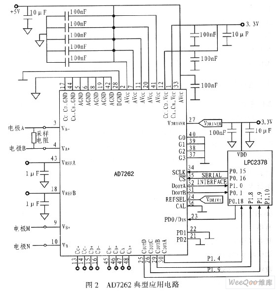
图2为AD7262与ARM处理器LPC2378的典型应用电路,实现直流电法勘探中电极A、B电流和电极M、N电压的采集。采用金属膜电阻作为采样电阻以提高测量精度。由于A、B电极之间电压是对大地供电的电极电压,一般大于100 V,前端电极中都有高压隔离电路,该采样电阻阻值一般小于100 Ω。AD7262工作在寄存器控制方式。在LPC2378的P0.15提供的SCLK的控制时序下,通过P0.18向AD7262的控制寄存器写入相关数据。CS进入低电平状态后,首先由P0.18写入相关寄存器数据,再开始采样保持并转换输出。在写入寄存器时,DOUTA和DOUTB输出为三态。

AD7262主要通信方式为SPI四线式。由于AD7262无法控制何时通信,故只能工作在从模式下。主控制器LPC2378的P0.15提供通讯时钟信号SCLK。CS为片选输入。DOUTA或DOUTB为SPI的数据输出端。SPI的数据输入端为PD0/DIN。电路设计时,通过LPC2378向AD7262内部写入相关数据来实现各类动态配置。图3和图4为串行接口读写时序图。串行时钟SCLK提供转换时钟及AD7262转换后传输信息的控制。对于片内2个A/D转换器,AD7262有相应的2个输出引脚。数据从AD7262的DOUTA和DOUTB读取。用户可选用其中一个输出数据。

在CS下降沿,跟踪保持器处于保持模式。此时,采样、转换同时被初始化模拟输入。这需要至少19个SCLK周期。第19个SCLK的下降沿到来时,AD7262恢复至跟踪模式,并设置DOUTA、DOUTB为使能。数据流由12位组成,MSB在前。转换结果MSB在SCLK第19个周期的下降沿由微控制器在第20个时钟SCLK的下降沿或上升沿读取。上升沿还是下降沿取决于所使用的SCLK的频率。如SCLK最大频率为40 MHz时,其读取数据时间是23 ns,则导致2 ns的建立时间。而这2 ns的建立时间无法与微控制器匹配。在这种情况下,就需要在时钟SCLK的上升沿开始读数据。这样,转换结果的MSB位在第19个SCLK下降沿,延迟15 ns,并在第20个周期SCLK的上升沿才被读出。依此类推,至第30个SCLK下降沿A/D转换器输出LSB,在第31个SCLK上升沿读出。反之,如果SCLK为32 MHz时,则下降沿读数据。在设计中SPI的通信时钟频率(LPC2378的P0.15)小于32 MHz,所以在时钟的下降沿由LPC2378读写数据。为提高系统的精度和稳定性,可加入一定阻值的耦合电容。
AD7262是一款逐步逼近式(SAR)模数转换器(A/D转换器)。其内部有2个跟踪保持放大器,2个12位的同步采样A/D转换器,2个可编程的放大器以及2组比较器和2个独立的数据输出引脚。适用于汽车控制领域及要求高同步、需简单运算的微弱信号检测应用。因此,这里详细介绍同步采样MD转换器AD7262原理及应用。
2 AD7262简介
2.1 主要特点
AD7262具有高速低功耗同步采样,最高可达1 MS/s。其内部集成的可编程放大器PGA有14种放大增益可供选择。两组比较器A、B和C、D用作电机控制或各种电极传感器的运算器。其中比较器A和B具有低功耗特点,比较器C和D具有高速特点。双通道差分输入同时采样和A/D转换,输入阻抗大于1 GΩ。单电源+5 V供电。PGA增益为2,-3 dB带宽为1.7 MHz,信噪比SNR为73 dB;其增益为32时,信噪比为66 dB。输入直流漏电流±0.001μA,失调漂移为2.5μV/℃。带有串行外设接口SPI,兼容QSPI,MICROWIRE,DSP。该器件具有多种节能模式,动态匹配所需内部模块,具有寄存器控制和引脚驱动两种工作方式。
2.2 引脚功能
AVcc:模拟电源输入端,4.75~5.25 V;
CA_CBVCC/CC_CDVCC:比较器的电源输入端,2.7~5.25 V;
CA_CB_GND/CC_CD_GND:比较器的地输入端;
VA+/VA-,VB+/VB-:A/D转换器A和B通道的差分模拟输入端;
VREFA/VREFB:A/D转换器A和B通道的基准电压输入输出端;
SCLK:串行时钟,SPI通讯时钟,也是A/D转换过程的时钟源;
CAL:初始化内部失调校准逻辑输入;
PD2:节能模式选择逻辑输入;
PD1:节能模式选择逻辑输入;
PD0/DIN:节能模式选择逻辑输入,同时在寄存器控制模式下为数据输入端;
CS:片选输入端;
CA+/CA-,CB+/CB-:比较器A和B的差分输入端;
CC+/CC-,CD+/CD-:比较器C和D的差分输入端;
AGND:模拟地输入端;
DGND:数字地输入端;
COUTA~COUTD:比较器CMOS推拉输出,使用VDRIVE时,为数字输出端;
DOUTA/DOUTB:A/D转换串行数据输出端;
G0~G3:增益倍数逻辑输入端,当全为低电平时,为寄存器控制工作方式;
VDRIVE:逻辑电源输入端,2.7~5.25 V;
REFSEL:基准电压选择端,高电平使用内部基准电压,低电平使用外部基准电压。
2.3 内部结构
图1为AD7262的内部结构图。两路差分信号通过各自的PGA同步采样放大后,进入跟踪保持器,此时由控制逻辑控制2个12位的逐次逼近型A/D转换器实现模拟数字转换,最后由输出驱动器分别串行驱动输出至DOUTA和DOUTB。

在引脚驱动方式下,G0~G3必须至少有一个高电平。外接的G0~G3决定PGA的放大倍数。PD2~PD0 3个端口电平控制其内部比较器和12位的A/D转换器各模块的使用或关闭。在寄存器控制方式下,PD2,PD1,G0~G3全为低电平。PD0/DIN为数据输入端,用于写入相关控制寄存器,动态配置放大倍数、校准和节能模式。AD7262以2的补码输出转换结果。
2.4 自动校准
自动校准是AD7262的主要特点之一。利用CAL引脚校准设备失调。设置CAL为高电平,在下一个CS下降沿完成初始化校准值。失调校准的完成需要一个完整的转换周期,包括CS下降沿后的19个SCLK周期。如果需要,CAL可保持多于一个转换周期的高电平,且此时AD7262继续校准。也可使用控制寄存器初始校准值,设置控制寄存器的CAL位为1即可实现。注意在下一个CS下降沿,校准会被初始化,AD7262的当前转换就失去意义。其A/D转换器必须处于工作状态来完成内部校准。
A/D转换器A和B通道具有独立的外部增益寄存器用以校准信号增益。增益校准寄存器有7位,改变该寄存器以补偿增益。MSB是符号位,其他6位为存储增益倍数,用于调整模拟输入信号的范围,其校准精度是1/4 096。
3 典型应用
3.1 硬件设计
图2为AD7262与ARM处理器LPC2378的典型应用电路,实现直流电法勘探中电极A、B电流和电极M、N电压的采集。采用金属膜电阻作为采样电阻以提高测量精度。由于A、B电极之间电压是对大地供电的电极电压,一般大于100 V,前端电极中都有高压隔离电路,该采样电阻阻值一般小于100 Ω。AD7262工作在寄存器控制方式。在LPC2378的P0.15提供的SCLK的控制时序下,通过P0.18向AD7262的控制寄存器写入相关数据。CS进入低电平状态后,首先由P0.18写入相关寄存器数据,再开始采样保持并转换输出。在写入寄存器时,DOUTA和DOUTB输出为三态。

AD7262主要通信方式为SPI四线式。由于AD7262无法控制何时通信,故只能工作在从模式下。主控制器LPC2378的P0.15提供通讯时钟信号SCLK。CS为片选输入。DOUTA或DOUTB为SPI的数据输出端。SPI的数据输入端为PD0/DIN。电路设计时,通过LPC2378向AD7262内部写入相关数据来实现各类动态配置。图3和图4为串行接口读写时序图。串行时钟SCLK提供转换时钟及AD7262转换后传输信息的控制。对于片内2个A/D转换器,AD7262有相应的2个输出引脚。数据从AD7262的DOUTA和DOUTB读取。用户可选用其中一个输出数据。

在CS下降沿,跟踪保持器处于保持模式。此时,采样、转换同时被初始化模拟输入。这需要至少19个SCLK周期。第19个SCLK的下降沿到来时,AD7262恢复至跟踪模式,并设置DOUTA、DOUTB为使能。数据流由12位组成,MSB在前。转换结果MSB在SCLK第19个周期的下降沿由微控制器在第20个时钟SCLK的下降沿或上升沿读取。上升沿还是下降沿取决于所使用的SCLK的频率。如SCLK最大频率为40 MHz时,其读取数据时间是23 ns,则导致2 ns的建立时间。而这2 ns的建立时间无法与微控制器匹配。在这种情况下,就需要在时钟SCLK的上升沿开始读数据。这样,转换结果的MSB位在第19个SCLK下降沿,延迟15 ns,并在第20个周期SCLK的上升沿才被读出。依此类推,至第30个SCLK下降沿A/D转换器输出LSB,在第31个SCLK上升沿读出。反之,如果SCLK为32 MHz时,则下降沿读数据。在设计中SPI的通信时钟频率(LPC2378的P0.15)小于32 MHz,所以在时钟的下降沿由LPC2378读写数据。为提高系统的精度和稳定性,可加入一定阻值的耦合电容。
放大器 比较器 传感器 电流 DSP 电压 CMOS ARM 电路 电阻 电容 相关文章:
- 使用简化电路的高压放大器(11-21)
- 无需调谐的“砖墙式”低通音频滤波器(11-20)
- 对数放大器的技术指标(11-26)
- 一种增大放大器增益的方法(11-28)
- 对数放大器的典型应用 (11-26)
- AGC中频放大器的设计 (11-29)
