语音识别电路设计图集锦
音识别结果驱动云台转动,在AT89S52 和云台之间放置一个电流放大器件ULN2003 。ULN2003 是大电流、高耐压达林顿阵列, 包括7 个达林顿管, 在5 V 的工作电压下, 能够与TTL 和CMOS 电路直接相连, 这样就可以直接处理原来需要标准逻辑缓冲器来处理的数据。将控制云台转动方向的4 个端口D_Right 、D_Left 、D_Up 、D_Down 分别与继电器K1、K2、K3、K4 相连, 单片机AT89S52 根据解码后的语音识别结果控制继电器的断开和闭合, 从而控制云台转动的方向和角度。云台转动电路图如图所示。

TOP10 语音识别播放电路
语音识别播放电路主要由语音芯片LD3320、STC10L08XE 单片机及其他外围电路构成。语音芯片LD3320 内部固化有完整的非特定人语音识别特征库和高效的非特定人语音识别搜索引擎模块, 不需要事先训练和录音。只需要单片机把候选识别语句的拼音串传入芯片内部, 通过芯片内部的DSP 算法, 找出最佳识别结果。同时此芯片还支持MP3 播放功能, 此时需要外接Flash 芯片, 用来存储播放的声音素材等数据。STC10L08XE 单片机读取串行存储芯片的MP3 数据, 依次送入LD3320 芯片内部就可以从芯片的相应引脚输出声音。STC10L08XE 单片机与语音芯片LD3320 之间采用并行的通信方式, 故在硬件上需要使用8 根数据线和4 个控制信号将语音芯片与单片机并行连接。
最小系统电路
最小系统电路图如下图所示,在OSC0,OSC1 口接晶振以及谐振电容,在锁相环接入相应电容电阻,在电源端和接地端接上0.1UF 去耦电容,提高考干扰能力。

SPCE061A 语音识别模块硬件结构
在SPCE061A 主控芯片对语音信号进行A/D 转换具有专门的转换通道——声音模-数转换通道。并且SPCE061A 内部置有麦克风放大电路和自动增益控制部分。自动增益控制部分可以自动调节所收到的麦克风音量,这样使得该系统不会受到发送命令的人所处位置的限制。 SPCE061A 内部的麦克风前置放大电路主要由输入级、中间级、输出级三部分组成,输入级采用的是差分放大电路,它是麦克风前置放大电路的主要组成部分,差分放大电路作为输入级有很大的优势,能够有效的抑制输入端输入的共模干扰,对于输入的有效差分信号则不会产生任何干扰。本系统的语音识别信号输入电路如下图所示。 C23,C24 是作为退偶电容用,减少噪音信号对语音识别的干扰。

SPCE061A 的音频输出模块硬件电路设计图如下所示:

电源模块电路设计分析

TOP11 RSC-4X系列语音识别集成应用电路
在本系统中SPCE061A 所需要用到的3.3V 电源,采用AMS1117 芯片产生。AMS1117 是一个正向低压降稳压器,AMS1117 有两种:一种为固定输出电压,输出的电压值有:1.5V、1.8V、2.5V、2.85V、3.0V、3.3V;另一种为可调节输出电压。AMS1117 内部集成了过热保护电路和过流保护电路。为了保护AMS1117 的稳定性,在输出端要接一个至少22UF 的钽电容由AMS1117 构成的3.3V 电压产生电路图。
由LM2576 构成的5V 电压产生电路图如下图所示:

电机驱动模块硬件电路设计
L298 是专用驱动集成电路,可以驱动感性负载,例如:大功率直流电机和步进电机等,可驱动46V,2A 以下的电机。其输入端可以直接与单片机连接,并且可以实现电机的正转、反转、加速和减速等控制。L298 有两个电源,分别为逻辑电源和动力电源,6V 为逻辑电源。12V 为动力电源。电路图如下所示:

总的来说,计还是比较简单的,对于语音识别技术更是有了全新的认识,完全掌握了SPCE061A的原理及其技术。还有,语音识别是一项很有应用前景的全新项目,可以应用于多种未来新新项目,应用范围广,可靠性高。是一个很有前途的创新项目!
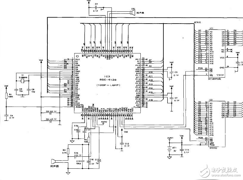
RSC-4X系列语音识别集成应用电路设计
RSC-4x系列是新一代嵌入式语音识别处理器集成电路,它具有集成度高、外围电路简单、功耗低、不怕掉电、使用方便等特点。一个完整的语音识别系统仅由RSC-4x系列芯片及少量外部元器件(扬声器、麦克风、音频输入/输出电路、存储器和电池或整流稳压电源)等组成.R S C-4 x系列芯片适用7.0语音识别技术RSC-4x系列芯片通常采用48P/64P/100P-LQFP封装。

工作原理:RSC-4x是一种交互式智能语音识别电路,通过执行内嵌的马尔可夫链和神经网络去处理语音识别。说话者需要在芯片的外部存储器(如 sRAM、EEPROM、闪存等)存储语音识别信息,识别过程中需要ROM去存储要被识别的字.RSC-4x有如下几个独创的识别特性:
1、语音识别无须训练。在一个活动单元内可识别16个字(单元存储的
- 盘点:那些为健康而生的APP与智能硬件(11-24)
- 指尖的密码!手指静脉识别鼠标问世(02-02)
- WLAN射频优化的解决方案设计详解(03-03)
- 智能鞋垫:解决跑步者的膝伤问题(02-12)
- 混合动力汽车系统结构大盘点TOP3(03-14)
- 盘点STM32-NUCLEO开发与仿真平台(03-28)
