196系列单片机在空调电路中的应用
随着国内经济的飞速发展,空调车、豪华车也进入了新的发展阶段。空调逆变器是一种新型高效无污染"绿色"能源,其应用前景非常广阔。
SPWM技术是空调逆变器中主要的控制技术,要生成SPWM脉冲常采用两种方法:一是由模拟电路生成;二是由单片机等数字电路生成。前者电路复杂,抗干扰性能差,有温漂现象,系统可靠性和一致性低;数字方法则利用计算机实时计算,这样系统一致性很高,没用温漂现象,同时调试工作量大大降低。INTEL公司推出的16位微处理器N87C196MC/MD是专为电机拖动设置的低成本单片机芯片,片内集成了一个3相波形发生器WFG(Wave Form Generator),这一外设装置大大简化了产生SPWM波形的控制软件和外部硬件,完成整套控制电路十分简洁。

1 N87C1 96MC片内波形发生器简介
1.1 WFG的功能特点
N87C196MC片内WFG有3个同步的PWM模块,每个模块包含一个相位比较寄存器、一个无信号时间发生器和一对可编程的输出,即WFG可产生独立的3对6个PWM波形,它们有共同的载波频率、无信号时间和操作模式。一旦工作以后,WFG只要求单片机在改变PWM的占空比时对WG COMPX寄存器改变赋值即可。
WFG产生SPWM波形是在下列专用寄存器的控制下完成的。
a.双向计数寄存器WG COUNT。16位双向计数器是3对输出信号的时基发生器。它的时钟频率是振荡频率处于2,每个状态周期WG COUNT改变一个计数值。用户可对WG RELOAD寄存器进行写操作,而它的值周期地装入到计数器中。
b.重装载寄存器WG RELOAD。该寄存器实际包含一对1 6位寄存器,当读或写该寄存器时,访问的是WG RELOAD寄存器。写到WG_RELOAD的值,被周期地(取决于操作方式)装入到第二个寄存器。这后一个寄存器叫做计数器比较寄存器,它是WG_COUNT实际与之比较的时间寄存器。
c.相位比较寄存器WG_COMPx。共有3个(X=1,2,3)可读写的16位相位比较缓冲器。每一个相位比较缓冲器有一个关联的比较寄存器,它的值与每次计数后的WG_COUNT相比较。这些寄存器不能直接被用户访问。
d.控制寄存器WG_CON。WG_CON是一个16位寄存器。可控制计数方式及产生3个10位无信号时间(deadTIme)。利用无信号时间重装载寄存器可以随时改变无信号时间。
e.输出控制缓冲寄存器WG_OUT。可用于选择输出引脚的输出信号方式。可对每个引脚独立定义有效状态。

1.2 WFG的基本工作原理
a.从功能上,WFG可分为3部分:时基发生器、相位驱动通道和控制电路。
(1)时基发生器为PWM建立载波周期。该周期值取决于WG_RELOAD的值;
(2)相位驱动通道决定PWM波形的占空比,共有3个独立的相位驱动通道,每一个通道有一对可编程输出,每个相位驱动器包含一个可编程的无信号时间发生器;
(3)控制电路包含一些用来确定工作模式和其它配置信息的寄存器。
b.时基发生器WG_COUNT有4种工作方式。当选通波形发生器工作时,根据所选择的工作方式,作为时基发生器的WG_COUNT连续向上计数或向上/向下计数,每次计数时,WG_COUNT内容与计数比较寄存器WG_RELOAD的值作比较,当二者匹配时,按所选择的工作方式产生相应操作。
我们一般选择第0种工作模式,中心对准PWM方式:
载波周期Tc=(4&TImes;WG RELOAD)/Fxtal(μ s)
不考虑无信号时间,输出"有效"的时间Toutput=(4&TImes;WG_COMPx)/Fxtal(μ s)。
不考虑无信号时间,占空比=(WG COMPx/WG RELOAD)&TImes;100%。
其中Fxtal为XTAL1引脚上晶振频率,MHz;WG COMPx为16位值,等于或小于WG_RELOAD,如果大于WG_RELOAD的值输出占空比为1。
由上式可知,WG COMPX值的变化,改变了PWM波的占空比。而SPWM波形的产生正是由正弦规律的数据值经计算后赋给WG COMPX的,每一次中断都赋给WG COMPX一个随正弦规律变化的值,从而产生一系列脉宽不等的SPWM波。
c.WFG的中断。与波形发生器有关的中断有2种:WFG中断和EXTINT中断。WFG中断在重装载WG COUNT时产生。方式0在WG_COUNT=WG_RELOAD时产生一次WFG中断,每次中断都产生一个正弦规律的脉冲波,从而形成SPWM波。
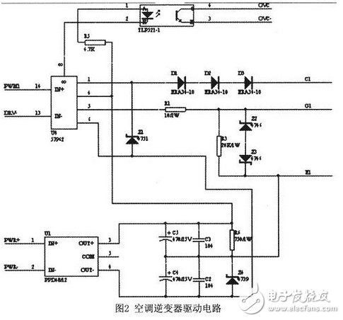
EXTINT中断由保护电路产生。可编程设置产生中断的方式是边沿触发或电平触发,当控制系统检测到过流信号,单片机自动封锁SPWM波形,从而关断IGBT, 来保护电力电子开关器件。

2 空调逆变器主回路
空调逆变电源主要由下列几个部分组成:
2.1 主电路
它的形式为DC/AC逆变电路。输入电压为DC600V,经输入接触器、预充电电路、支撑电容供给逆变器。主开关器件选用德国SIEMENS
- 什么是LED驱动时序?LCD背光驱动程序设计(04-26)
- LCD驱动的移植及其GUI仿真如何进行,LCD数模转换现实原理及其源代码(04-25)
- wince代码写入LCD驱动参考,数码产品怎样分别是不是LCD坏点(04-26)
- ARM微处理器助记符指令及其功能描述(04-30)
- 布线工程师如何充分“掌控”时钟信号?(02-21)
- FPGA组成、工作原理和开发流程(10-13)
