一种新型的正弦信号发生器的设计与实现
高频正弦波的幅度就是振幅键控调制ASK。在CPLD内部只需要根据所设定的二进制基带序列码对产生的DDS波形进行处理,二进制基带序列为1时波形通过,序列为0时输出0,仿真波形如图5所示。

图5 二进制ASK仿真波形图
移相键控PSK是数字基带信号去控制载波的相位。它是利用载波不同相位或相位变化来传递信息的。PSK的实现方法是根据数字基带信号的两个电平(或符号)使载波相位在两个不同的数值之间切换,两个载波相位通常相差180°。波形如图6所示。

图6 二进制PSK仿真波形图
1.5 输出信号调理部分
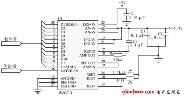
D/A转换电路如图7所示,选用的是12位高速D/A器件AD9713,该器件具有更好的静态性能和动态特性。AD9713B更新速率可达100MS/ s。由于该D/A转换器是针对DDS、波形重构和高质量图像信号处理等应用而设计的,这款芯片在动态特性方面表现特别突出,并且具有优良的谐波抑制能力。AD9713输出满量程电流输出是由VCONTROLAMP IN和RSET决定的,图7中AD9713采用内部参考电压,输出满量程电流为-20 mA。

图7 D/A转换电路
幅度调节电路是由放大器组成。高频信号放大要求放大器有足够的输出电压转换速率,在正弦波的情况下,放大器所需要的最大摆率SR=2πω=2πAf,其中ω为信号的角频率,A为信号幅度,f为频率。此外,幅度调节电路要求带低阻负载,放大器的电流输出能力也是个重要参数,要在50 Ω负载上输出6 V信号,则放大器至少要有120 mA的连续电流输出能力。考虑以上原因,本文选择AD公司的高速运放AD811作为输出放大器,它是一个宽带高速电流反馈型运算放大器,其各项参数非常适合上述指标:小信号带宽(G=+2时)达120 MHz,电压摆率SR为2 500 V/μs,全谐波失真THD为-74 dB(10 MHz),输出电流达100 mA,其短路输出电流可达150mA。
幅度调节电路如图8所示,图中R3和R4起分流作用,限制用于I/V转换的电流,1个电流反馈的高速放大电路。它把AD9713输出的电流转换成电压,通过反馈电阻Rf的电流决定AD811输出的幅度为6 V。为了增大后级的带负载能力设计了后级电压跟随,模拟输出的最后部分是滤波电路,滤波器的选择主要取决于系统所要输出的波形,在50 Ω的负载电阻上的电压峰峰值为6±1 V。

图8 幅度调节电路
1.6 频率值的接收与显示
键盘、显示部分用来实现用户与单片机的交互。系统采用中断查询的方式接收通过键盘输入的频率值。该频率值一方面送到数码显示接口进行显示,另一方面转化成频率控制字送往相位累加模块。
2 系统软件设计
单片机程序采用C语言,在Keil uV2环境下编译,用WAVE6000L仿真器调试CPLD在MAXPLUSⅡ下开发,采用VHDL语言编程。
关于CPLD部分,相位测量仪和数字移相信号发生器采用ALTERA公司的EP1K30TC144-3FPGA芯片,原理图已经在前面的分析中。关于单片机部分,程序流程图如图9所示。

图9 程序流程图
3 功能及指标测试
利用测试仪器:EE1641B1型函数信号发生器/计数器,直流稳压电源GPS-3303C、60 MHz示波器TDS1002,高频测试仪等对设计的信号发生器进行性能测试。正弦波的频率范围、步进、在50 Ω负载上的输出电压幅度,失真度测量如表1所示,频率稳定度测量如表2所示,步进为10%的幅度调制测试如表3所示,调制信号为1 kHz的频率调制测试如图10所示,二进制PSK、ASK如图11和图12所示。
表1 正弦波实验观察结果

表2 正弦波频率稳定度测试结果

表3 正弦波幅度调制测试结果


图10 正弦波频率调制测试结果

图11 ASK信号测试图

图12 PSK信号测试图
经过测试可以得到,本文设计的系统可达以下性能指标:
1)正弦波输出频率范围 1 kHz~10 MHz。
2)具有频率设置功能,频率步进100 Hz。
3)输出信号频率稳定度优于10-4。
4)输出电压幅度在50 Ω负载电阻上的电压峰-峰值Vopp≥1 V。
5)失真度用示波器观察时无明显失真。
综合分析各项指标的测试结果发现,该设计频率变化范围大,信号稳定度高,失真度好,达到了性能良好的设计要求。
4 结论
以CPLD和单片机AT89S52为基础,采用DDS技术实现的正弦信号发生器在保证输出稳定的正弦波频率情况下能够实现频率可调,失真度小,频率步进小,精确度高等特点,产生的正弦信号源可以广泛运用于教学或一般工业以及实验场合,测试结果表明本文提出的正弦信号发生器的设计是有效的,易于工程实现且具有一定的实用性。
- 基于单片机的新型液晶显示控制电路设计(05-12)
- 基于AT89S52和MAX197的高精度数据采集系统(07-08)
- 基于51单片机的数字测速系统的设计方案(02-17)
- 基于modbus协议的空间分布式温湿度测控系统设计(06-08)
- 基于DDS芯片的全数控函数信号发生器的设计与实现(06-24)
- 基于数字信号处理器的中文语音合成系统设计(11-28)
