安森美半导体用于白家电应用的无刷直流(BLDC)电机驱动及控制方案
其中,LB1909M采用简化设计的三端口接口,是一款双通道低饱和电压步进电机驱动器,工作电源电压为2.5 V至16 V,待机状态下的电流消耗为零,内置过热关闭电路。而LV8549M是一款单通道低饱和电压步进电机驱动器,导通阻抗仅为1 Ω,帮助提升能效;待机模式下的电流消耗同样为零,提供低能耗工作。LV8549M的最大电源电压为20 V,最大输出电流可达1 A。
烘干及洗衣机用电机驱动器
烘干及洗衣机阻尼器的关键要求跟电冰箱阻尼器相同,可采用的单芯片电机驱动器有如LB1948M、LV8548M、LB1909M和LV8549M等。
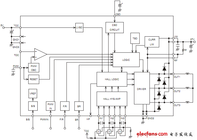
除了阻尼器,烘干及洗衣机的排水/供水泵也会用到直流电机。安森美半导体用于烘干及洗衣机的电机驱动器包括LB11920和LB1975等,具有高能效和变速控制等关键特性。其中,LB11920是一款三相BLDC电机驱动器,采用直接的PWM驱动,易于控制,PWM占空比可由IC的输入控制。LB11920支持9.5 V至30 V的宽供电电压范围。这器件内置高边及低边反冲吸收二极管,提供反冲保护。其它特性包括短路制动、限流、低压保护、电机锁定保护及过热保护等。

图6:LB11920框图。
LB1975也是一款三相BLDC电机驱动器,能够承受46 V电压和2.5 A输出电流,除了可用于烘干及洗衣机的排水/供水泵电机驱动,还可用于其直流风扇风机驱动。
空调室内机/室外机用直流风扇电机控制器
常见的房间空调包括室内机及室外机等不同组成部分,均会使用到直流风扇。安森美半导体为空调室内机/室外机直流风扇提供的电机控制器结合了保护电路和安森美半导体收购的三洋半导体的混合集成电路(HIC),具有高能效及静音驱动等关键特性。这些器件包括LC08000M、LV8139JA和LV8136V等。
其中,LC08000M是安森美半导体正在开发的一款三相BLDC风扇电机控制信号处理器。这器件采用磁场定向控制(FOC)技术,具有超高能效。这器件采用带霍尔传感器的FOC工作,能够以FOC进行闭环速度控制,具有静音驱动、宽工作条件下高能效驱动、FOC无须软件开发、易于调配等关键特性,还集成了多种保护功能,如过流保护、锁定保护及自动恢复、反转保护、霍尔传感器故障检测、外部故障信号输入、低压保护、温度异常检测及异常状态输出等。

图7:LC08000M应用示意图。
LV8136V是一款三相BLDC电机用PWM系统预驱动IC。这器件使用高能效、安静的PWM驱动(150°驱动系统),能够降低驱动噪声。这器件可与安森美半导体STK611或STK5C4系列的HIC结合使用,并提供了与这系列HIC互补的保护电路,能够减少元器件数量及提供高可靠性。这器件还提供省电模式,可将待机模式下的能耗降至零。LV8139JA则提供180°PWM静音驱动。
总结:
安森美半导体身为应用于高能效电子产品的全球首要高性能、高能效硅方案供应商,提供应用于白家电的完整方案,包括电源、电机驱动、用户接口、通信、测量等。本文重点介绍了安森美半导体应用于电冰箱、烘干及洗衣机等白家电的无刷直流电机驱动及控制方案,帮助设计人员针对具体应用选择适合的产品,设计出高能效、高可靠性及静音工作的白家电,并满足相关能效法规要求。
- 用于白家电应用的无刷直流电机驱动及控制方案(09-12)
- 针对白家电应用的无刷直流电机驱动及控制方案(04-06)
- 简化三相无刷直流电机控制和驱动系统的策略(10-11)
- 无刷直流电机高精度采样保护电路设计(11-24)
- 可用于多领域的电机功率驱动电路设计—电路精选(46)(02-18)
- 浅析无刷直流电机,无刷直流电机的工作原理及其结构构成(05-19)
