How to measure a circuit whose signal is pulse.
If you post your circuit, we can give you some advices..
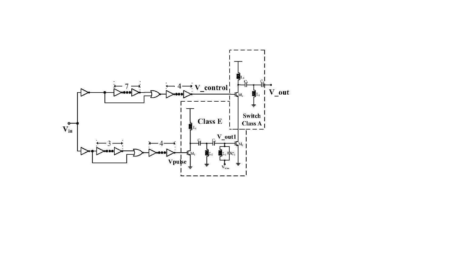
My circuit is in the workstation and it is complicted to derive it. I found a image in a paper and I quoted it. My circuit is like that. I hope it can help. And thank you very much.

That link doesnt take us to an image of the circuit it takes us to a page where
images can be uploaded
try again with a correct www address if you want some help :)
but for a start give us an idea of what the BPF is like .... is it a stripline, is it a
separate cased unit with in and out connectors and tuning screw adjustment ?
regardless .... you need to tune the BPF to the required freq for a start
difficult with a pulsed RF source so you should use a RF signal generator that
has a constant level of output. Inject that into the input of the BPF and confirm
that its tuned for the wanted freq. If it isnt you are never going to get any RF
out of it at the required freq.
Dave
My circuit is in the workstation and it is complicted to derive it. I found a image in a paper and I quoted it. My circuit is like that. I hope it can help. And thank you very much.
http://images.elektroda.net/index.php
