PA Gain Difference
时间:04-08
整理:3721RD
点击:
Hi. I am trying to design PA in ADS.When i perform one tone load pull simulation for
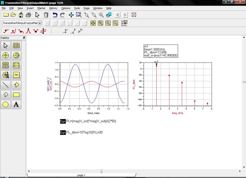
-2.5 dbm constant input power program says that the maximum power delivered is 11.08 dbm. When i design input and output impedance networks for impedances shown in loadpull dataset and simulate circuit , i got 12.6 dbm.How can this occurs?My results are below.
Thanks
-2.5 dbm constant input power program says that the maximum power delivered is 11.08 dbm. When i design input and output impedance networks for impedances shown in loadpull dataset and simulate circuit , i got 12.6 dbm.How can this occurs?My results are below.
Thanks


Not all the transistor models used by simulators are very accurate, otherwise prototypes will work from the very beginning, which is not the case.
The datasheet shows the real measurements, not simulations.
The precision of the smith chart in term of optimum load impedance may not be very accurate (intermediare values).By chance, you could find an impedance that gives you more power.
i scanned 256 points on smith chart for optimum load resistor i guess my impedance matching networks because of the real element loses took away me lucky point. Thanks for yours interest.
