How to use Load Pull Wizard in MWO
时间:04-07
整理:3721RD
点击:
Anyone know the exact procedures to use a load-pull wizard in MWO?
When I add measurement to the graph, it always shows, the measurement is not compatible with the graph...
How to use the load-pull in Elements category and the load pull Wizard together?
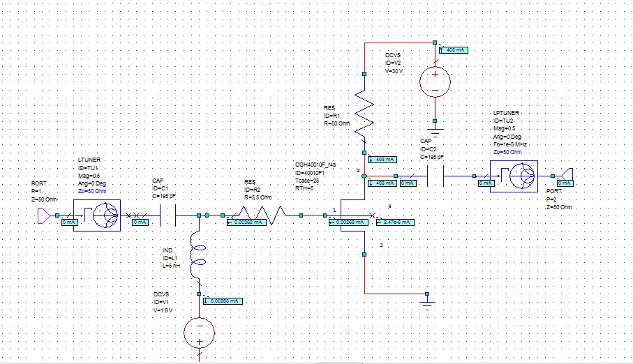
Also, I 'm not sure if I can connect the LTUNER with a DC bias ?
As the picture shows?
Thanks
When I add measurement to the graph, it always shows, the measurement is not compatible with the graph...
How to use the load-pull in Elements category and the load pull Wizard together?
Also, I 'm not sure if I can connect the LTUNER with a DC bias ?
As the picture shows?

Thanks
Hello,
There are good number of examples on loadpull simulations available at AWR MWO installation Examples folder...
Also see the MWO Help menu for step by step procedure for Loadpull Wizard simulations...
AWRDE User Guide > AWR Design Wizards > AWR Load Pull Wizard
9.2. AWR Load Pull Wizard
9.3. AWR Load Pull Script
https://awrcorp.com/download/faq/eng...Load_Pull.aspx
Also there is excellent Thesis paper on "DESIGN OF RADIO FREQUENCY POWER AMPLIFIERS FOR HIGH EFFICIENCY AND HIGH LINEARITY" which uses AWR MWO
http://csuchico-dspace.calstate.edu/...pdf?sequence=1
I recommend you to go through the same which is similar to what you are doing...
---manju---
