Antenna Impedance and Inductance
do someone knows the exact equation to calculate the inductance and impedance of a multi turn, circular loop antenna?
Regarding the impedance I will operate at around 2GHz, so I think that we should count the skin effect...
Thanks
There are a lot of equations and complex curves that go into that calculation. The most direct solution would be to find a copy of Antenna Theory by C.A. Balanis. I have the 3rd edition, and the equations and figures you'd need are in Chapter 5. See example 5.4 (pg 260) for an example problem that does similar calculations to what you need.
Another way would be to model your antenna in NEC and let it calculate the input impedance for you.
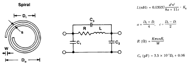
The inductance equation is the same as for finding the inductance of a spiral inductor.

Impedence is recommended to be find using an EM simulator, instead using an equation.
For modeling circular loop antennas you could use a wire-MoM software with conformal geometry model (curved MoM segments), like AN-SOF This improves the convergence rate compared to NEC-softwares.
