Query on Heterodyne PLL Architecture
1. If the PLL output noise calculated from 20log(N) is for example 120dBc/Hz@10kHz offset and the LO used to down convert it has 90dBc@10kHz offset what will be the overall phase noise and how to calculate it?
2. If the LO signal is generated from an up conversion of another PLL and a DDS, is it necessary to use SSB mixer there?
Not fully following you, but in this

Assuming sufficient open loop gain, and loop filter well wider than 10 khz,
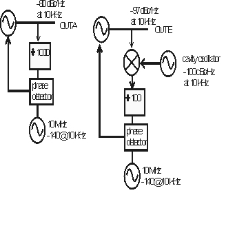
if the dominant noise floor (assumed to be in the crystal 10 mhz source) is -140 at 10 khz offset, the divide by 1000 makes
the phase noise of the OUT A 10 GHz signal -80 dBc/Hz.
If you had a downconverting offset at 9 GHz (some sort of cavity or other low noise oscillator), the divisor ratio can
be reduced to 100. The phase noise at OUT B would have be -100 dBc/Hz, except that the LO also has that phase noise. So the resultant phase noise will be 3 dB worse, or -97 dBc/Hz.
Rich
Yes...thank you...but how are you calculating that since both signals have -100dBc phase noise overall will be -3dB down...can you explain a little bit....what if the two noises are unequal e.g -90dBc for the loop and -100 for the cavity osc.? how to calculate...
about my 2nd qn...i am using M1 as IRM to downconvert and M2 to upconvert...is it better to use M2 as SSB or a simple double balanced mixer will do?

another qn...should Noise Figure have any impact on phase noise?..if i use an amp with higher NF will it degrade PH noise much?
Is the all oscillator using the same ONE TCXO?
If I have 2 uncorrelated sources that both have -100 dBc/Hz phase noise at some offset frequency, and add them together, in general their phase noise will be 3 dB worse, or -97 dBc/Hz.
As far as noise figure, typically the noise figure for a device is random thermal noise, and contains equal parts amplitude and phase noise. If a part of a system has a 20 dB noise figure, and the input signal is say -5 dBm, the phase noise floor of that system is at -174 dBm/Hz +20 dB -3 dB = -157 dBm/Hz. Since your signal is at -5 dBm, the additive (or residual) phase noise should be -152 dBc/Hz. Someone check my math please!
I think biff44 math is right.
Heterodyne Query Architecture 相关文章:
