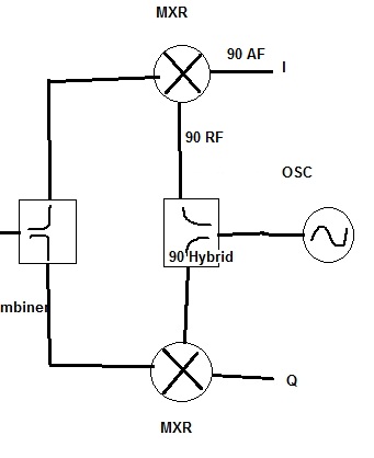
Quadrature mixer phases correction

What if some relatively small phase error occurrs on the local oscillator? Would I be able to correct this phase error by adjusting the phase accordingly on the IF? (assumming I can adjust the IF phasing)
Or both the IF and LO phasing has to be corrected?
There is a method using adaptive low pass filters (tapped filters) after the IQ mixers, which can compensate for the LO phase error.
This compensation should be enough getting the right phasing in the demodulator, and restoring somehow the SNR degradation.
Ok so I suppose correction cannot be done by just shifting the IF phase. One should shift the LO phase as well, in order to achieve a total difference of 90deg from the other mixer?
Or one could use a line stretcher (shifter) on the RF side of the top mixer?
The only way to split the I and Q signals is to demodulate them strictly phase wise. If your LO drifts out to a phase error of 45 degrees you will get equal I and Q signal in the two IF streams, totally cross talked.
Frank
