tl494仿真
时间:10-02
整理:3721RD
点击:
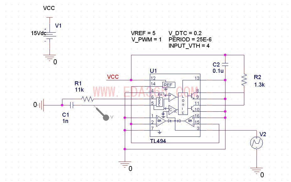
小弟我毕业论文要用TL494产生PWM波,根据那个PDF技术文档搭建的电路,而ORCAD无法仿真,请教前辈……感谢,QQ:312101061
仿真图见下图:还请解决了这问题的前辈不吝赐教。

仿真图见下图:还请解决了这问题的前辈不吝赐教。

