求助坛友有关电压电流串并联负反馈的问题!
时间:10-02
整理:3721RD
点击:
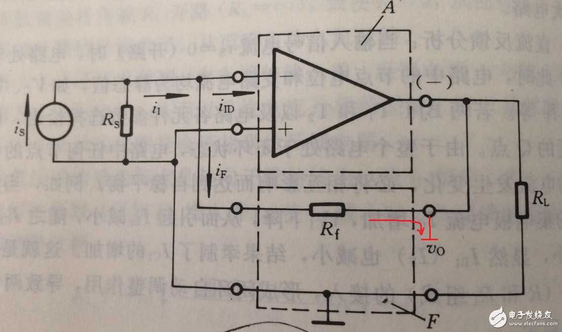
模电书上讲判断是否是电压反馈的方法:“将负载RL两端短路,如果使反馈电压或电流vF(iF)等于0,则是电压反馈。”但是图中所示的电压并联负反馈电路,如果将RL短路的话,反馈电阻上仍然有电流流过?书中没有解释,只是说“输出端取样对象是vo,故是电压反馈”,在这里犯迷糊了,请高人指点,小弟先拜谢了!

该电路在负载短路后,输出电压为0,反馈电阻Rf的右侧则取不到电压,但Rf上仍有电流。
反过来说,若负载不短路,则Rf从输出端取到的是输出电压反馈回到输入端了,所以,该电路是电压反馈。
这样看,负载短路是一种不正常状态,Rf上有没有电流就不要去管他。
刚刚弄明白了,应该是虚短的原因!

