请问这原理图如何看
时间:10-02
整理:3721RD
点击:
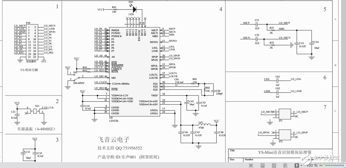
请问这语音原理图如何看,第1,2,7部分是什么来的

液晶和晶振把!
小编看图一定要仔细 里面有标注的

液晶和晶振把!
小编看图一定要仔细 里面有标注的