无线设计中LNA和PA的基本原理
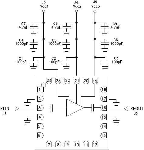
路,在三个电源轨馈电上具有低寄生效应,指定为Vdd(图3)。

图3: 在实际应用中,HMC519LC4TR LNA 在其电源轨上需要多个额定电压相同的旁路电容器,以提供用于低频滤波的大电容以及用于射频旁路的较小值电容,从而最大程度地减少射频寄生效应。(图片来源:Analog Devices)
根据此增强原理图生成评估板,详细说明布局和BOM,包括非FR4 印刷电路板材料的使用(图4(a) 和4(b))。

图4(a)

图4(b)
图4: 考虑到这些LNA 前端工作的高频率和它们必须捕获的低电平信号,一个详细且经测试的评估设计至关重要。其中包括一份原理图(未显示)、电路板布局(a) 和BOM,及无源元器件和印刷电路板材料(b) 的细节。(图片来源:Analog Devices)
MACOM MAAL-011111 是用于更高频率的GaAs LNA,可支持22 至38 GHz 运行(图5)。该器件可提供19 dB 的小信号增益和2.5 dB 的噪声系数。此LNA 表面上是一个单级器件,但其内部实际有三个级联级。第一级针对最低噪声和中等增益进行了优化,后续级别提供额外增益。

图5: 对用户来说,MAAL-011111 LNA 表面上是一个单级放大器,但其内部使用了一系列增益级,旨在最大化输入到输出信号路径SNR,同时在输出端增加显著增益。(图片来源:MACOM)
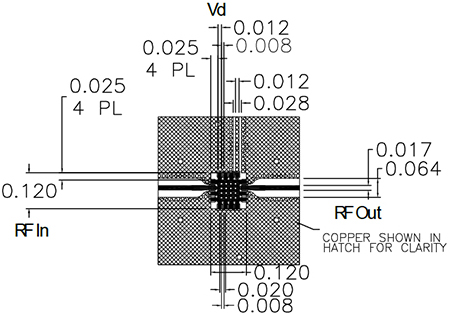
与Analog Devices 的LNA 类似,MAAL-011111 只需要一个低压电源,且尺寸仅为3×3 mm,极为小巧。用户可以通过将偏置(电源)电压设置在3.0 和3.6 V 之间的不同值来调整和权衡某些性能规格。建议电路板布局显示保持适当的阻抗匹配和地平面性能所需的关键印刷电路板铜皮尺寸(图6)。

图6: 建议的布局,充分利用了MACOM 的MAAL-011111,同时提供输入和输出阻抗匹配。注意,对于阻抗控制型传输线以及低阻抗地平面,使用印刷电路板铜皮(尺寸以毫米为单位)。(图片来源:MACOM)
PA 驱动天线
与LNA 困难的信号捕获挑战相反,PA 则是从电路中获取相对强的信号,具有很高的SNR,且必须用来提高信号功率。与信号有关的所有通用系数均已知,如幅值、调制、波形、占空比等。这就是信号处理图中的已知信号/已知噪声象限,是最容易应对的。
PA 的主要参数为相关频率下的功率输出,其典型增益在+10 至+30 dB 之间。能效是PA 参数中仅次于增益的又一关键参数,但是使用模型、调制、占空比、允许失真度以及受驱信号的其它方面会使任何能效评估变得复杂。PA 的能效在30 到80% 之间,但这在很大程度上是由多种因素决定的。线性度也是PA 的关键参数,与在LNA 一样用IP3 值判定。
尽管许多PA 采用低功耗CMOS 技术(最高约1 至5 W),但在最近几年里,其它技术业已发展成熟并被广泛应用,在考虑将能效作为电池续航时间和散热的关键指标的更高功率水平的情况下,尤其如此。在需要几个瓦特或更高功率的情况下,采用氮化镓(GaN) 的PA 在更高功率和频率(典型值为1 GHz)下具有更优的能效。尤其是考虑到能效和功率耗散时,GaN PA 极具成本竞争力。
Cree/Wolfspeed CGHV14800F(1200 到1400 MHz,800 W 器件)是最新的一些基于GaN 的PA 代表。这种HEMT PA 的能效、增益和带宽组合对脉冲L 波段雷达放大器进行了优化,使设计人员能够在空中流量管制(ATC)、天气、反导和目标跟踪系统等应用中找到许多用途。使用50 V 电源,提供50% 及更高的典型能量转换效率,并采用10 ×20 mm 陶瓷封装,带有用于冷却的金属法兰(图7)。

图7:CGHV14800F 1200 至1400 MHz,800 W,GaN PA 具有金属法兰的10 ×20 mm 陶瓷封装必须同时满足困难的射频和散热要求。出于机械和热完整性考虑,注意安装法兰时将封装旋紧(不焊接)到印刷电路板。(图片来源:Cree/Wolfspeed)
CGHV14800F 采用50 V 电源供电,通常提供14 dB 的功率增益,能量转换效率> 65%。与LNA 一样,评估电路和参考设计至关重要(图8)。

图8: 除了器件本身之外,为CGHV14800F PA 提供的演示电路需要的元器件非常少,但物理布局和散热考虑很关键;考虑安装完整性和热目标,PA 通过封装法兰以螺钉和螺母(在底部,不可见)固定到板上。(图片来源:Cree/Wolfspeed)
许多规格表和性能曲线中同样重要的是功率耗散降额曲线(图9)。该曲线显示了可用的功率输出额定值与外壳温度的关系,指示最大允许功率是恒定的115°C,然后线性减小到150°C 的最大额定值。

图9: 由于其在输送功率方面的作用,需要PA 降额曲线向设计人员显示允许输出功率随着外壳温度的升高而降低。这里,额定功率在115?C 之后迅速下降。(图片来源:Cree/Wolfspeed)
MACOM 还提供了基于GaN 的PA,例如NPT1
功率放大器 相关文章:
- 一种改善W-CDMA手机用功率放大器线性度的新方法(10-06)
- Maxim无线/射频功率放大器选择指南(04-13)
- 利用数字预失真线性化宽带功率放大器(05-10)
- 多模多频功率放大器模块助力复杂射频设计(11-02)
- 利用单个功率放大器实现双频段RF前端模块设计(08-02)
- 基于ADuC7026实现功率放大器监控的参考设计(11-02)
