PoE接口如何抵御差分模式瞬态电压
时间:11-03
来源:电子工程专辑
点击:
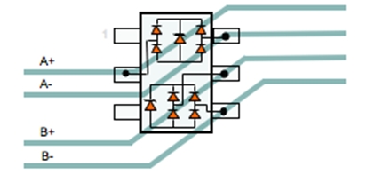
![]() 图2:针对PoE电路的瞬态电压保护。(RJ-45连接器、Rclamp0524S、以太网PHY)
|
- 以太网接入技术简介(01-09)
- 以太网技术的发展(01-24)
- 基于PC104总线的嵌入式以太网卡设计(01-31)
- 下一代SDH技术发展趋势及应用分析(中)(01-05)
- PLC(电力线通信)技术简介(01-08)
- 电信接入网设备的安全和过压防护测试(01-08)


