带功率因数校正的初级端调节反激式LED驱动
消费电子市场(特别是LED驱动市场)最近几年发展迅速。这些市场需要功耗低、尺寸小且成本超低的电源/驱动。另外,由于对电能质量要求不断提高,在这些设备上使用功率因数校正(PFC)电路几乎是必须的。今天,在多种不同电路中,反激因为简单而成为对这些应用最具吸引力的拓扑。它使用一个开关提供绝缘、启动以及各种其他保护。在非连续导通模式下工作时,通过简单的恒定导通时间控制,可使功率因数为1。
传统上,用于LED的恒流LED驱动使用隔离反激式转换器实施,该转换器具有输出电流调节电路,如图1所示。实际LED电流使用感测电阻测量,然后与与参考电压进行比较,生成误差电压。误差电压通过光电耦合器传输到初级端,并用于控制初级端开关器件的占空比。虽然这可以实现卓越的LED电流调节,但输出调节电路要求使用光电耦合器、基准电压以及感测电阻,从而增加系统成本并降低整体效率。

图1传统次级端调节LED驱动
初级端调节(PSR)可以成为最小化LED驱动成本的最佳解决方案。此技术仅使用驱动器初级端的信息便可精确控制次级端的LED电流。它不仅消除了输出电流感测损耗,还减少了所有次级反馈电路。这有利于获得更高效率的离线LED驱动设计,且无需巨大成本。此技术无需次级反馈电路便可调节LED驱动器输出电压,可做开路过压保护,确保驱动器具有更佳的可靠性。

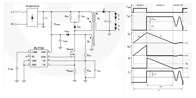
图2初级端调节LED驱动及其典型波形
图2显示的是初级端调节反激式转换器的简化电路图及其典型工作波形。初级端调节的关键在于获得输出电压和电流信息,且无需直接感测。
在二极管导通时间期间,输出电压与二极管正向压降之和反射到辅助绕组为(VO+VF)*Na/Ns。通过在二极管导通时间结束时对绕组电压进行采样,可以获得输出电压信息。输出电流(Io)可使用MOSFET的峰值漏极电流(Ipk)以及电感电流的放电时间(tDIS)来估算,因为在稳态下,输出电流(Io)与二极管电流(ID)的平均值相同。输出电流估算通过峰值检测电路来确定漏极电流的峰值,并利用电感放电时间和开关周期(ts)来计算输出电流。将此输出信息与内部精确参考电压进行比较,产生误差电压(VCOMI),它可以确定MOSFET的占空比。使用Fairchild的创新 TRUECURRENT® 技术,可精确控制恒定输出电流。

利用探测到的输出电压和电流信息,可通过传统的反馈补偿方法完成控制。对于初级端调节,通常优先使用非连续导通模式(DCM)操作。它具有更佳的输出调节以及单位输入功率因数(PF)。
- 高效紧凑反激式变换器电信电源的设计(02-13)
- 一种高效反激式开关电源的设计与性能测试(10-05)
- 多路输出单端反激式开关电源原理及设计(03-07)
- 一种基于UC2844的单端反激式高频稳压开关电源(08-26)
- 反激式DC/DC电源的集成化研究(02-06)
- 低功率反激式转换器不再需要光耦合器(03-24)
