基于Pspice的交错并联BOOST变换器拓扑结构研究及其仿真
时间:08-07
来源:互联网
点击:
3 N个BOOST拓扑结构的并联
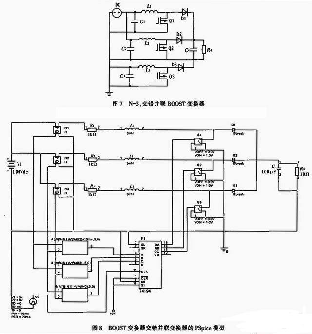
通过并联多个不同的BOOST拓扑结构,可以实现多个并联变换器。采用Giral等人提出的的电流模式交错驱动的方法,实现控制。其中用二进制表示开通和关断,1为开通,0为关断。3个相同的BOOST变换器连接如图7所示。

3个相同的BOOST变换器交错并联变换器的PSpice模型如图8所示。
此种拓扑机构的输出纹波电压:
(3)
上式中增大C可以减小输出纹波的大小,另外通过改变△i也可以纹波电压发生变化。
4 结论
交错并联变换器的优点是可以减小输出电压的纹波,因此此种拓扑结构广泛应用于功率因数校正中。使负载表现为阻性负载,对电网的影响减小。
- 一种新型ZCS-PWM Buck变换器研究(02-20)
- 10W 非隔离 LED 驱动电源的设计(08-05)
- Buck变换器的一种改进型单周控制策略(06-30)
- 根据电流取样电阻位置选择正确的Buck变换器(01-10)
- 采用LC滤波的大功率本安Buck变换器的组成及工作原理(07-20)
- 如何选择一个正确的变换器(09-06)
