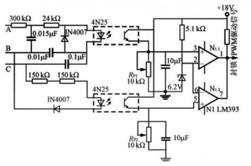
开关电源保护电路的工作原理
输出电平低于比较器的反相输入端的基准电压,比较器输出低电平,封锁PWM驱动信号,关闭电源。比较器输入极性稍加变动,亦可用高电平封锁PWM信号。这种缺相保护电路采用光耦隔离强电,安全可靠,RP1、RP2用于调节缺相保护动作阈值。

图6 三相三线制的缺相保护电路
2.4 短路保护
开关电源同其它电子装置一样,短路是最严重的故障,短路保护是否可靠,是影响开关电源可靠性的重要因素。IGBT(绝缘栅双极型晶体管)兼有场效应晶体管输入阻抗高、驱动功率小和双极型晶体管电压、电流容量大及管压降低的特点,是目前中、大功率开关电源最普遍使用的电力电子开关器件。IGBT能够承受的短路时间取决于它的饱和压降和短路电流的大小,一般仅为几μs至几十μs。短路电流过大不仅使短路承受时间缩短,而且使关断时电流下降率di/dt过大,由于漏感及引线电感的存在,导致IGBT集电极过电压,该过电压可在器件内部产生擎住效应使IGBT锁定失效,同时高的过电压会使IGBT击穿。因此,当出现短路过流时,必须采取有效的保护措施。为了实现IGBT的短路保护,则必须进行过流检测。适用IGBT过流检测的方法,通常是采用霍尔电流传感器直接检测IGBT的电流Ic,然后与设定的阈值比较,用比较器的输出去控制驱动信号的关断;或者采用间接电压法,检测过流时IGBT的电压降Vce,因为管压降含有短路电流信息,过流时Vce增大,且基本上为线性关系,检测过流时的Vce并与设定的阈值进行比较,比较器的输出控制驱动电路的关断。在短路电流出现时,为了避免关断电流的di/dt过大形成过电压,导致IGBT锁定无效和损坏,以及为了降低电磁干扰,通常采用软降栅压和软关断综合保护技术。在检测到过流信号后首先是进入降栅保护程序,以降低故障电流的幅值,延长IGBT的短路承受时间。在降栅动作后,设定一个固定延迟时间用以判断故障电流的真实性,如在延迟时间内故障消失则栅压自动恢复,如故障仍然存在则进行软关断程序,使栅压降至0V以下,关断IGBT的驱动信号。由于在降栅压程序阶段集电极电流已减小,故软关断时不会出现过大的短路电流下降率和过高的过电压。采用软降栅压及软关断栅极驱动保护,使故障电流的幅值和下降率都能受到限制,过电压降低,IGBT的电流、电压运行轨迹能保证在安全区内。
在设计降栅压保护电路时,要正确选择降栅压幅度和速度,如果降栅压幅度大(比如7.5V),降栅压速度不要太快,一般可采用2μs下降时间的软降栅压,由于降栅压幅度大,集电极电流已经较小,在故障状态封锁栅极可快些,不必采用软关断;如果降栅压幅度较小(比如5V以下),降栅速度可快些,而封锁栅压的速度必须慢,即采用软关断,以避免过电压发生。为了使电源在短路故障状态不中断工作,又能避免在原工作频率下连续进行短路保护产生热积累而造成IGBT损坏,采用降栅压保护即可不必在一次短路保护立即封锁电路,而使工作频率降低(比如1Hz左右),形成间歇"打嗝"的保护方法,故障消除后即恢复正常工作。
下面介绍几种IGBT短路保护的实用电路及工作原理。
图7是利用IGBT过流时Vce增大的原理进行保护的电路,用于专用驱动器EXB841。EXB841内部电路能很好地完成降栅及软关断,并具有内部延迟功能,以消除干扰产生的误动作。含有IGBT过流信息的Vce不直接送至EXB841的集电极电压监视脚6,而是经快速恢复二极管VD1,通过比较器IC1输出接至EXB841的脚6,其目的是为了消除VD1正向压降随电流不同而异,采用阈值比较器,提高电流检测的准确性。如果发生过流,驱动器EXB841的低速切断电路慢速关断IGBT,以避免集电极电流尖峰脉冲损坏IGBT器件。

图7 采用IGBT过流时Vce增大的原理进行保护
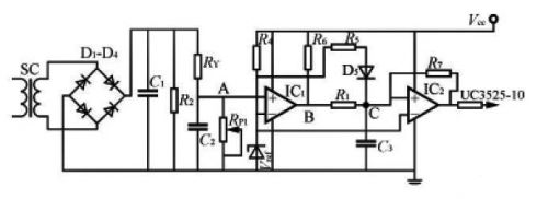
图8是利用电流传感器进行过流检测的IGBT保护电路,电流传感器(SC)初级(1匝)串接在IGBT的集电极电路中,次级感应的过流信号经整流后送至比较器IC1的同相输入端,与反相端的基准电压进行比较,IC1的输出送至具有正反馈的比较器IC2,其输出接至PWM控制器UC3525的输出控制脚10。不过流时,VA<Vref,VB=0.2V,VC<Vref,IC2输出低电平,PWM控制器正常工作。

(a) 电路原理图
(b) PWM控制电路的输出驱动波形图
图8 利用电流传感器进行过流检测的IGBT保护电路
当出现过流时,电流传感器检测的整流电压升高,VA>Vref,VB为高电平,C3充电使VC>Vref,IC2输出高电平(大于1.4V),关闭PWM控制电路。因无驱动信号,IGBT关闭,而电源停止工作,电流传感器无电流流过,使VA<Vref,VB=0.2V,C3经R1放电,当C3放电到使VC<Vref时,IC2又输出低电平,电源重新进入工作状态,如果过流继续存在,保护电路又回复到原来的限流保护工作状态,反复循环使PWM控制电路的输出驱动波形处于间隔输出状态,如图8(b)所示波形。电位器RP1调整比较器过流动作阈值。电容器C3经D5快速充电,经R1慢速放电,只要合理地选择R1,C3的参数,使PWM驱动信号关闭时间t2>>当出现过流时,电流传感器检测的整流电压升高,VA>Vref,VB为高电平,C3充电使VC>Vref,IC2输出高电平(大于1.4V),关闭PWM控制电路。因无驱动信号,IGBT关闭,而电源停止工作,电流传感器无电流流过,使VA<Vref,VB=0.2V,C3经R1放电,当C3放电到使VC<Vref时,IC2又输出低电平,电源重新进入工
- 开关电源的开关损耗(11-25)
- 数字技术在开关电源控制中的应用和发展(11-27)
- 几种实用的直流开关电源保护电路(11-27)
- 一种高压开关电源的设计(11-27)
- 平面变压器在开关电源中应用的优越性分析(11-27)
- DC-DC开关变换器中混沌现象的研究综述(11-27)
