油气井出砂信号预处理电路的设计
时间:06-20
来源:中电网 张微 高国旺 李兵祥
点击:
,很容易得到高低通滤波器的各个参数。

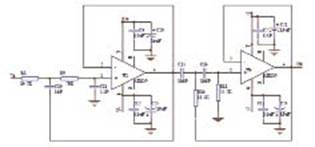
图3 带通滤波电路
低通滤波器的带内增益为1,截止频率为1MHz,低通滤波器的各个参数为:
C10=10pF,R8=14.5K ,R9=50K ,C11=3.3PF
高通滤波器的带内增益为1,截止频率为100kHz,高通滤波器的各个参数为:
C13=100PF,C14=100PF,R10=11.3K ,R11=22.5K
该电路中的C4、C5、C12、C15、C20、C21、C23、C24是为减小正负电源对运放的影响,减小引入运放的高、低频干扰。
