 图8 并联电流源以扩散热量并实现更大的输出电流 这些由铜线组成的稳流电阻的两端压差大约为8mV。铜线的温度系数为每度0.3%,而这将影响整个电流源的温度系数。将基准电压从200mV提高到1V将使稳流电阻上的电压所占比例更小,而且就100℃的温度变化而言,这种影响将从大约1% 降低到0.2%。
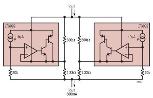
将输出电流提高到400mA以上仅需一个额外的并联器件和一个稳流电阻,因此就大电流而言,这最大限度减少了器件数量。在高压时,我们通过RX分流IC周围的部分电流以降低器件功耗。
电流源可以驱动任何类型的负载。既然该器件实际上是一个复杂的集成电路,那么负载阻抗可能对内部电路产生影响,并引起一些不稳定性。尽管为了使该器件驱动各种负载时都是稳定而做出了很大努力,但是不稳定性可能依然存在。
使该器件稳定其实很容易。可以插入一个电阻与稳流器串联,或者在器件的Vin和Vout两端跨接电容器(基本上是一个旁路电容器)或串联RC。这给该器件一个已知的阻抗,使它在遇到未知阻抗时能够稳定。与旧式调节元件不同,该电容器可以非常小。
存在尖峰电压、噪声或射频的恶劣线路环境,将为噪声和尖峰提供一个旁路,从而保护稳流器的内部电路。就稳定性而言,可以使用低至1,000pF的电容。不过也可以使用0.01μF至1μF的电容。值得注意的是,有些陶瓷电容器具有非常高的电压系数,能够随着电压变化而从5改变至1。
电容在低频时不影响电流源的阻抗,因为像外部电阻 RX一样,它也处于反馈回路内部。就器件两端的AC变化而言,电流流经电容或LT3092的内部晶体管,因此阻抗不变。而在高频时,由于LT3092在带宽之外运行,阻抗相对于LT3092而言是呈容性的。
就工作时存在极大电压变化的负载而言,通过电容器的电流必须低于编程电流。否则当高于编程电流的电流经过电容时,回路就会损坏。器件可以容许的电压变化率率如图9所示,而且依然是约90%的电流流经电容,而不会影响LT3092电流源的阻抗。例如,在器件两端设置1mA负载和1μF电容的情况下,该电路将容许1000V/s的电压变化率。电容、电压变化率以及电流的其它影响可以非常容易地计算出。
 图9 电压变化电路 LT3092也可充当一个无需输出电容器的稳压器。"本质安全"应用常常用低电流与小电容(或不用电容器)来设计。图10显示了一个200mA的稳压器。而作为一个稳压器,在LT3092内部产生的10μA电流将流过一个外部RSET电阻器。SET引脚上施加的电压为该10μA电流与RSET阻值的乘积。内部电压跟随器在输出引脚提供与设置引脚相同的电压。负载从输出引脚连接到地。
 图10 "本质安全"的稳压器(无需电容) | | |