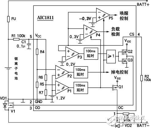
如何设计锂离子电池监控电路和保护电路
时间:06-27
来源:ADI
点击:

编辑点评:本文介绍了电池监控电路和锂离子保护电路的详解,该电路方案性能优良,扩展性强,可以广泛应用于各类电子设备,完成对电池的全面监控和管理。
上一篇:采用 ThinSOT 封装 低 IQ、60V 单片式升压 / SEPIC / 负输出转换器
下一篇:基于 LT8614 和 LT3083 / LT6015 的混合宽调光比线性 LED 电流控制器
下一篇:基于 LT8614 和 LT3083 / LT6015 的混合宽调光比线性 LED 电流控制器
- 数据采集应用:可编程增益仪表放大器设计(03-20)
- 宽共模范围10x增益仪表放大器电路图(09-24)
- 具有低输入偏置电流和高交流共模抑制性能的高速FET输入仪表放大器(10-25)
- 具有数字可编程增益的零漂移、精准仪表放大器(02-25)
- 采用微功耗仪表放大器环路供电发射器/接收器(07-07)
- 如何为仪表放大器提供真确的基准电压?(08-05)
