怎样设计一款隔离型、高频、推挽式 DC/DC 转换器
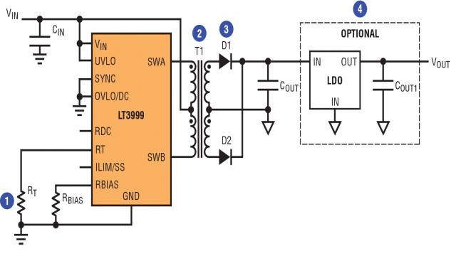
a 显示了变压器驱动器的原理图,该驱动器采用了 LT3999,且器件数量很少。图 6b 显示了设计流程图。
流程图中的 4 个简单步骤可用来设计如 1MHz、5V 输入、5V 输出、400mA 输出且器件数量很少的变压器驱动器。
步骤 1:设定开关频率 (RT)
LT3999 的开关频率用单个 RT 电阻器设定,该电阻器根据 LT3999 数据表中给出的数据选择 (频率范围为 50kHz 至 1MHz)。
在上述设计例子中,就高频 fSW = 1MHz 而言,RT = 12.1k。
步骤 2:选择变压器 (T1)
变压器匝数比由下式决定:
(13)
其中 VSW 是内部开关的开关饱和电压,VF 是整流二极管的正向电压。VLDO 是未稳压变压器驱动器输出与后置稳压低噪声输出之间的压差。VLDO 是在最大电流时的压差,因此该值应该最小化。0.8V 压差足可以避免 LDO 发热问题。一个好的经验法则是设定 VSW = 0.4V、VF = 0.7V、VLDO = 0.8V。
变压器的电流额定值应该比输出电流高 20% ~ 50%,以留出一定的空间。
峰值磁化电流 (IM(PEAK)) 和满负载电流之和反射到主端 (N · IOUT) 应该低于内部开关的峰值电流限制 (ILIM)。在此基础上,要求得到最小 LM (LM(MIN))。
(14)
(15)
就 VOUT = VIN = 5V 而言,Coilcraft PA6383-AL (N = 1.5) 非常适合。
步骤 3:整流器 (D1、D2)
基于电压和电流选择整流器二极管。由于中央抽头结构,因此二极管两端的电压高于变压器副端电压两倍以上。整流器的电压额定值应该高于 2N • VIN = 15V,或许高 20%。CMSH1-20M (20V、1A) 可满足这些要求。
步骤 4:低压差线性稳压器 (U2,可选)
可选后置稳压 LDO 的最高输入电压 (VLDO_IN(MAX)) 出现在无负载时,这里等于 VIN · N = 7.5V。LDO 的电流额定值大于负载电流 (在上述设计例子情况下,> 400mA)。
对于 5V、400mA 输出,LT1763 (20V、500mA) 是非常适合的 LDO。

(a)

(b)
图 11:(a) 器件数量很少的固定输入电压变压器驱动器。(b) 该变压器驱动器的设计流程图
结论
LT3999 是一款单片 DC/DC 变压器驱动器,具有占空比控制功能,可在高频和大功率工作。该器件允许宽输入电压范围,LDO 损耗很低,同时由于以高频工作,所以可采用小型无源组件。该器件的特点还包括高达 36V 的输入电压和高达 1A 的输入电流。
LT3999 推挽式 凌力尔特 converter 相关文章:
- 电压型三相桥式和推挽式逆变电路(08-02)
- LTC3723—— 一个 面向 PoE 应用并具 93.5% 峰值效率的 130W 隔离型推挽式转换器(10-07)
- LED 驱动器 IC 可为众多照明应用的发展起到引领作用(07-02)
- 新型汽车设计需要降压-升压型转换器(07-02)
- 高电压浪涌抑制器可确保电源浪涌期间的可靠操作(07-30)
- 从低至 1.5V 的输入进行转换以提供高达 15A 的输出,无需辅助偏置电源(07-30)
