使用应变计进行应变测量
配置类型II
- 仅测量弯曲应变
- 要求半桥完整结构电阻器完成惠斯通电桥
- R4是用于测量伸展应变(+ε)的工作应变计
- R3是用于测量收缩应变(-ε)的工作应变计
全桥应变计
全桥应变计配置包含四个工作应变计和三种不同类型。 类型1和2测量弯曲应变,类型3测量轴向应变。 只有类型2和3补偿泊松效应,但所有类型都会最小化温度的影响。
配置I-仅弯曲应变 | 配置II-仅弯曲应变 | 配置III-仅轴向应变 |
|
|
|
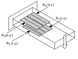
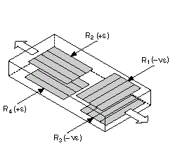
图8.全桥应变计配置
配置类型I
- 仅对弯曲应变高度敏感
- R1和R3是测量收缩应变(–e)的工作应变计
- R2和R4是测量伸展应变(+e)的工作应变计
配置类型II
- 仅对弯曲应变敏感
- R1是测量收缩泊松效应(–νe)的工作应变计
- R2是测量伸展泊松效应(–νe)的工作应变计
- R3是用于测量收缩应变(–e)的工作应变计
- R4是用于测量伸展应变(+e)的工作应变计
配置类型III
- 测量轴向应变
- R1和R3是测量收缩泊松效应(–νe)的工作应变计
- R2和R4是测量伸展应变(+e)的工作应变计
至页首
4. 如何选择正确的应变计?
一旦确定测量的应变类型(轴向或弯曲)后,还要考虑敏感度、成本和其他操作条件。对于同一个应变计,改变电桥配置可以提高对应变的敏感度。 例如,全桥类型I配置的敏感度是1/4桥类型I的四倍。 但是,全桥类型I要求比1/4桥类型I多3个应变计,而且需要访问应变计结构的两端。 此外,全桥应变计比半桥和1/4桥应变计的价格也高很多。 请参考下表,了解不同类型应变计的信息。
测量类型 | 1/4桥 | 半桥 | 全桥 | ||||
类型I | 类型II | 类型I | 类型II | 类型I | 类型II | 类型III | |
| 轴向应变 | 是 | 是 | 是 | 否 | 否 | 否 | 是 |
| 弯曲应变 | 是 | 是 | 是 | 是 | 是 | 是 | 否 |
| 补偿 | |||||||
| 横向灵敏度 | 否 | 否 | 是 | 否 | 否 | 是 | 是 |
| 温度 | 否 | 是 | 是 | 是 | 是 | 是 | 是 |
| 灵敏度 | |||||||
| 敏感度(1000 µε) | ~0.5 mV/V | ~0.5 mV/V | ~0.65 mV/V | ~1.0 mV/V | ~2.0 mV/V | ~1.3 mV/V | ~1.3 mV/V |
| 安装 | |||||||
| 粘贴式应变计的数量 | 1 | 1* | 2 | 2 | 4 | 4 | 4 |
| 安装位置 | 单边 | 单边 | 单边 | 对边 | 对边 | 对边 | 对边 |
| 电线数量 | 2或3 | 3 | 3 | 3 | 4 | 4 | 4 |
| 桥接电阻 | 3 | 2 | 2 | 2 | 0 | 0 | 0 |
| * 该结构中另一个应变计安装在热触点旁边,但并非粘贴式。 | |||||||
栅格宽度
如不受安装场所限制,可使用较宽的栅格改善散热并提高应变计稳定性。 但如果测试样本包含垂直于应变主坐标轴的高应变梯度,可考虑使用较窄的格网,将剪应变和泊松应变作用带来的误差降至最低。
额定应变计电阻
额定应变计电阻是应变计处于非应变状态时的电阻。 通过传感器厂商或相关文档可获取应变计的额定应变计电阻。 商用应变计最常见的额定电阻值为120 Ω、350 Ω和1,000 Ω。使用较高的额定电阻可减少激励电压产生的热量。 较高的额定电阻还可减少温度波动引起电阻中导线变化而导致的信号变化。
温度补偿
理想情况下,应变计电阻应仅随应变而变化。 但是,应变计的电阻率和敏感度也随温度变化而变化,从而引起测量误差。 应变计制造商通过处理应变计材料,对应变计所用样本材料的热膨胀进行补偿,从而达到最小化电阻率的目的。 这些温度补偿电桥配置更能不受温度影响。 同时也可以考虑使用有助于补偿温度波动影响的配置类型。
安装
安装应变计需要花费大量时间和资源,而不同电桥配置之间差别也很大。 粘贴式应变计数量、电线数量以及安装位置都会影响到安装所需的工作量。 一些电桥配置甚至要求应变计安装在结构的反面,这种要求难度很大,甚至无法实现。 1/4桥类型I仅需安装一个应变计和2根或3根电线,因而是最简单的配置类型。
至页首
5. 应变计信号调理
应变计测量十分复杂,多种因素会影响测量效果。 因此,要得到可靠的测量结果,就需要恰当地选择和使用电桥、信号调理、连线以及DAQ组件。 例如,没有应变时,应变计应用引起的电阻容差和应变会生成一定量的初始偏置电压。 同样,长导线会增加电桥臂的电阻,从而增加了偏置误差并且使电桥输出敏感性降低。 为确保应变测量精确,请考虑以下因素:
- 完成1/4桥和半桥应变计所需电路的完整桥结构
- 惠斯通电桥电路上电的激励
- 使用远端检测补偿长导线激励电压中误差
- 提高测量分辨率和信噪比的放大电路
- 移除外部高频噪声的滤波
- 无应变时将电桥平衡为输出0 V的偏置调零
- 验证电桥输出为已知预期值的分流校准
应变计应变测 相关文章:
- 频宽、取样速率及奈奎斯特定理(09-14)
- 为什么要进行信号调理?(09-30)
- IEEE802.16-2004 WiMAX物理层操作和测量(09-16)
- 为任意波形发生器增加价值(10-27)
- 基于PCI 总线的高速数据采集系统(09-30)
- 泰克全新VM6000视频测试仪助力数字电视等产品测试 (10-06)



