采用4mm x 4mm QFN封装的完整两节AA电池/USB电源管理器
引言
对于消费类手持式设备而言,历史悠久的两节AA(碱性或镍氢电池)电源便是其最常用的电池解决方案,尤其是在GPS导航装置、数码相机和MP3播放机中。AA电池购买方便、成本较低、而且具有高功率密度。在这些便携式设备中,有许多都采用了插入式交流适配器,并提供了一根USB总线(用于数据传输)作为电池电源的补充。USB总线还可被用来供电。问题是如何在这三种截然不同的电源(两节AA电池、交流适配器和USB)之间实现无缝切换。LTC3456便是一款适合的解决方案。
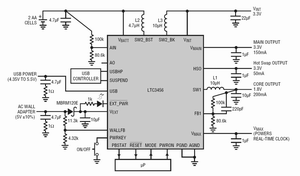
LTC3456是一款完整的系统电源IC,可实现AC交流适配器、USB和两节AA电池之间功率通量的无缝管理,并符合USB电源标准,所有这些功能均集成在一个4mm x 4mm QFN封装之内(图1)。该器件生成了两个单独的电源轨:一个3.3V(固定)主电源和一个1.8V(可调)内核电源。此外,LTC3456还包含一个全功能USB电源管理器、一个用于给存储插件供电的热插拔(Hot Swap)输出和一个适合用作低电池电量比较器或LDO控制器的独立增益部件。该器件还生成了一个始终处于运行状态的VMAX输出,该输出适合于为诸如实时时钟等即使在停机期间也必需处于工作状态的关键部件输送功率。

图1 LTC3456是一款采用微型4mm x 4mm封装的完整系统电源管理IC

图2 基于LTC3456的完整电源解决方案,包括一个1.8V输出(用于处理器内核)、一个3.3V输出(用于I/O)、一个3.3V热插拔电源(用于存储插件)和一个VMAX输出(用于RTC)
LTC3456
LTC3456包含四个工作效率高达92%的高效1MHz固定频率开关稳压器。图2示出了LTC3456的一种典型应用。便携式应用中所使用的大多数处理器都需要双电源电压。这些电压可以是3.3V(用于I/O电路)和1.5V或1.8V(用于处理器内核)。此外,处理器还有可能要求电源以一种特定的顺序启动,以防止发生处理器闭锁或错误起动。通常,内核电源必须在I/O电源之前上升。
LTC3456具有用于内核和主输出的内置电源排序功能。上电时,VINT输出(一个固定的3.3V电源)率先执行上电操作。它负责向大部分内部电路供电。应对该输出端上的外部负载大小加以限制。可调范围为0.8V至1.8V的内核输出随后上升,接着是VMAIN输出。VMAIN输出(一个固定的3.3V电源)在内核输出进入调节状态之后延迟0.8ms(典型值)上电。VMAIN输出由VINT输出通过一个内部0.4Ω(典型值)PMOS开关而产生,并可被用来向I/O电路供电。0.8ms延迟为处理器在外围电路上电之前完成系统时钟的稳定和内部寄存器的装载提供了充足的时间。
LTC3456产生了一个可调范围为0.8V至1.8V的内核输出,该输出适于为新型低电压处理器(ARM等)供电。LTC3456控制电路允许内核输出的工作占空比达到100%。当内核输出由电池来供电时,它提供了低压降操作,从而延长了电池的使用寿命。当由电池供电时,主转换器和内核转换器均提供了突发模式操作(可利用MODE引脚来选择),因而在轻负载条件下实现了高效率。在采用电池供电的情况下,内核转换器具有超过92%的效率。当由USB/墙上电源来供电时,突发模式操作被停用。当由USB来供电时,主转换器实现了高达90%的效率。
LTC3456具有一个适于为闪存卡供电的内置热插拔输出。该热插拔输出具有短路和反向电压隔离功能。它允许在系统上进行存储插件的带电插拔。它具有一个适合向闪存卡供电的120mA(典型值)内置电流限值。
LTC3456提供了针对主输出和内核输出的短路保护功能。它还为所有的输出(VMAX输出除外)提供了输出断接功能。在停机模式中,内核输出、主输出和热插拔输出均被放电至地。在VBATT、VINT、VEXT和USB电压中,VMAX输出是最高的。该输出可被用来提供1mA的最大输出电流。即使在IC处于停机模式的情况下,VMAX输出也将保持运行状态,因而适于向实时时钟等关键系统部件供电。

表1 LTC3456 PowerPath工作模式和特点概要
PowerPath控制
LTC3456包含一个专有的PowerPath控制电路,可实现系统电源之间的无缝切换(从两节AA电池至USB/墙上电源,反之亦然)。图3示出了内部电源通路的简化方框图。AC适配器和USB总线通过VEXT引脚向开关稳压器供电。LTC3456包含一个全功能USB电源管理器,以利用USBHP和SUSPEND引脚的状态来控制来自USB引脚的功率通量。流经USB引脚的电流被精确地限制为100mA或500mA(视USBHP引脚的状态而定)。通过把SUSPEND引脚拉至高电平可停用所有的USB功能。
当必须提升两节AA电池电压(1.8V至3.2V)以生成3.3V输出、以及必须对USB/墙上电源(4V至5.5V)进行降压操作以生成相同电压时,DC-DC转换将是一项特别具有挑战性的工作。LTC3456通过BOOST和BUCK2转换器完成了这项任务。这
- 电源设计小贴士 1:为您的电源选择正确的工作频率(12-25)
- 用于电压或电流调节的新调节器架构(07-19)
- 超低静态电流电源管理IC延长便携应用工作时间(04-14)
- 电源设计小贴士 2:驾驭噪声电源(01-01)
- 负载点降压稳压器及其稳定性检查方法(07-19)
- 电源设计小贴士 3:阻尼输入滤波器(第一部分)(01-16)
