采用4mm x 4mm QFN封装的完整两节AA电池/USB电源管理器
是生成3.3V电源轨最为有效的方式。当从电池或USB/交流适配器来生成3.3V输出时,LTC3456实现了高于90%的效率。内核输出(1.8V)是通过BUCK1(由USB/墙上电源来供电)和BUCK3(由电池来供电)转换器来生成的。LTC3456的独特拓扑结构可利用单个电感器来生成1.8V电源轨,从而节省了成本和空间。当从电池来生成1.8V输出时,它实现了92%以上的效率。表1列出了LTC3456不同的工作模式。
便携式设备需要实现从电池电源至USB或墙上电源的无缝切换(反之亦然)以确保平稳的系统运作。例如,一位用户正在一个连接了USB电缆的便携式MP3播放机上播放音乐。如果USB电缆被猛然从设备上拉脱,则用户应能够继续聆听音乐,而不会觉察到任何中断现象。LTC3456通过实现系统电源的无缝切换而使这种愿望成为可能。当SUSPEND引脚被从低电平拉至高电平时,USB电源不可用。主输出和内核输出在切换时均呈现出小于?%的总偏差,从而实现了至处理器内核和外围电路的无缝切换。
与微处理器的简易连接
LTC3456简化了与微处理器的连接。PWRON、PWRKEY、PBSTAT和/RESET引脚向处理器提供了全部所需的系统信息,并简化了电源排序。PWRON、PWRKEY和PBSTAT键控使IC的有序上电和停机任务得以简化。LTC3456的数据表包含时序图,并提供了与其操作有关的详细信息。
LTC3456还具有上电复位电路(通过 /RESET引脚来使用),该电路在上电和停机期间处于运行状态。为在上电时把处理器保持在其复位状态,该上电复位电路是必需的,而且,在所有的系统电源实现稳定之前,它必须阻止处理器起动操作。LTC3456的内置上电复位电路负责监视VINT(3.3V)和内核(0.8V)电压,并通过 /RESET引脚与处理器相连。在初始上电期间,/RESET引脚被保持于低电平。当主输出和内核输出均进入调节状态时,一个复位延迟定时器将起动。在 /RESET被释放和处理器被允许退出复位状态并开始操作之前,提供了一个完整的262ms超时。这262ms超时延迟为处理器对内部寄存器/RAM进行初始化提供了充足的时间。在断电期间,/RESET 引脚被再次拉至低电平。这将防止微处理器进入任何随机操作模式。
当采用电池或外部电源来供电时,/RESET电路的工作情况相似。在VCORE进入调节状态之后,/RESET引脚将在一个262ms的延迟时间里保持低电平。当IC关断时,VMAIN和VCORE输出均与输入电源断接,并被放电至地。这将防止输出被固定于一个不确定的逻辑电平状态而对微处理器的运作产生不利的影响。它还确保输出在上电期间以一种可预测的方式上升。

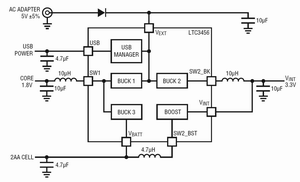
图3 用于说明内部PowerPath的LTC3456简化方框图

图4 一种用于GPS导航系统、采用两节AA电池来供电的完整电源。注意,独立增益部件(AIN和AO引脚)被配置为一个LDO控制器,以生成一个2.8V辅助输出
电压监视
LTC3456具有一个可被用于低电池电量检测的片内增益部件,低电池电量跳变点由布设在AIN引脚上的两个电阻器(图2)来设定。AIN引脚的标称电压为0.8V。AO引脚是一个漏极开路逻辑输出,用于在AIN引脚电压降至0.8V以下时吸收电流。也可通过增益部件的配置来驱动一个外部PNP或PMOS晶体管,以生成一个辅助电压。
此外,LTC3456还具有板载电压比较器电路,以利用 /EXT_PWR引脚上的一个状态输出来检测USB或墙上电源的接入。/EXT_PWR引脚的漏极开路逻辑输出能够吸收高达5mA的电流,故适合于驱动一个外部LED。该板载电压检测器连续监视USB电压和交流适配器电压的状态(通过WALLFB引脚)。当USB或墙上电源可用并处于调节状态时,/EXT_PWR引脚被拉至低电平。
便携式GPS导航装置电源
当今的便携式GPS导航装置采用两节AA电池或一个交流适配器作为工作电源,并备有一根USB总线(用于数据传输)。对电源而言,长电池寿命和小系统尺寸是关键要求。GPS导航装置中所使用的微处理器通常需要至少两种不同的电压源:一般是3.3V(用于I/O电路)和1.5V或1.8V(用于处理器内核)。这种导航装置可能还需要一个2.8V的辅助电源电压,用于给LCD显示控制器IC施加偏压。
图4示出了一种用于便携式GPS导航装置的完整、紧凑而高效的电源。VMAIN(固定3.3V)负责向I/O电路供电。用于处理器内核的电源VCORE被设定为1.8V,并可通过改变反馈电阻器阻值比来调节。3.3V热插拔输出负责向闪存卡供电。LTC3456包含一个独立增益部件(AIN和AO引脚),可被用作一个低电池电量指示器或一个LDO控制器。图4中的电路示出了被用作一个LDO的增益部件,并由一个外部PNP来从主输出生成一个2.8V的辅助输出电压。该2.8V辅助电源被用于给一个LCD控制器IC供电。LTC3456的VMAX输出即使在停机期间仍然处于工作状态,并被用来向一个实时时钟供电
- 电源设计小贴士 1:为您的电源选择正确的工作频率(12-25)
- 用于电压或电流调节的新调节器架构(07-19)
- 超低静态电流电源管理IC延长便携应用工作时间(04-14)
- 电源设计小贴士 2:驾驭噪声电源(01-01)
- 负载点降压稳压器及其稳定性检查方法(07-19)
- 电源设计小贴士 3:阻尼输入滤波器(第一部分)(01-16)
