准方波整流在电压调整模块(VRM)中的应用
在相对较高输入电压时(如48V总线电压),采用对称半桥电路作为主电路拓扑。副边整流电路可采用全波整流结构或倍流整流结构。
如图9所示,让对称半桥全波整流电路按照QSW方式工作,在所有负载范围内电感电流都从正到负变化,则可实现原边开关管在开通之前,电感电流反映到原边,流过即将开通的开关管的体二极管,实现ZVS。而且在负载突升时,输出滤波电感的等效占空比可达到100%,整个周期都会有正压加在输出滤波电感上,来提升电流;负载突降时,滤波电感的等效占空比可以为0%,整个周期都会有负压加在电感上,来降低电流。具有与单通道QSW电路相似的动态响应特性。应用交错并联技术,把两个对称半桥全波整流电路并联起来(如图10所示),取稳态占空比为0.5,可实现完全的输出电流纹波互消作用,大大减小输 出 滤 波 器 , 在 负 载 突 升 和 负 载 突 降 时 , 具 有 对 称 的 快 速 动 态 响 应 。

图9 对称半桥全波整流电路及QSW工作波形

图10 交错并联对称半桥全波整流电路
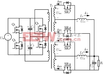
图11为对称半桥倍流整流拓扑,两个输出滤波电感的电流相位相差180°,与双通道交错并联拓扑存在相似的电感电流纹波互消作用,对应D=0.5时,可以实现完全的电流纹波互消作用(输出电流纹波为零)。在应用于负载对动态响应要求不高的场合时,可以把稳态占空比选定为0.5,从而大大减小输出滤波器的体积。但对于数据处理器这类对动态响应有较高要求的负载时,不能把0.5这一满占空比作为稳态占空比。但当D偏离0.5时,其纹波互消作用则会大大削弱,限制了输出滤波器参数的取小,降低了功率级的能量传输速度。在这种情况下利用交错并联技术,把两个对称半桥倍流整流拓扑进行交错并联,如图12所示,则可实现与四通道交错并联QSW电路相似的纹波互消作用(Dmax0.5)此时,若把稳态占空比定在0.25,则可实现稳态时完全的纹波互消作用,输出滤波电感也可以取得很小,从而在负载突升(D:0.25→0.5)和突降(D:0.25→0)时,具有对称的快动态响应。

图11 对称半桥倍流整流拓扑

图12 交错并联对称半桥倍流整流拓扑及其原理波形
值得指出的是,这些交错并联结构的拓扑特别适合于应用磁集成技术。可采用多通道电感集成方案及电感和变压器的集成方案[7][8]。从而大大减小磁性元件所占的总体积,简化电路布局、封装设计,与分立磁性元件相比,具有显著的优越性。
5 结语
本篇针对微处理器应用场合,对其供电电源VRM进行了拓扑分析,指出现有拓扑的缺陷,从而引出准方波整流方式,并结合交错并联技术,对多通道交错并联QSW电路进行了分析,在此基础上,给出适合高总线输入电压要求的隔离式交错并联QSW方案,对各电路特点进行了阐述。本文分析有助于QSW在VRM中的合理选用和电路制作。
- 电源设计小贴士 1:为您的电源选择正确的工作频率(12-25)
- 用于电压或电流调节的新调节器架构(07-19)
- 超低静态电流电源管理IC延长便携应用工作时间(04-14)
- 电源设计小贴士 2:驾驭噪声电源(01-01)
- 负载点降压稳压器及其稳定性检查方法(07-19)
- 电源设计小贴士 3:阻尼输入滤波器(第一部分)(01-16)
