用国产整流设备替换进口整流设备的技术对比与
| 项目 | 非导磁材料结构 | 同轴式结构 | 同相逆并联结构 |
|---|---|---|---|
| 主电路连接图 | 图1 | 图3 | 图5 |
| 基本结构示意图 | 图2 | 图4 | 图6 |
| 代表性厂商 | ABB和德国西门子 | 法国阿尔斯通和西吉莱克 | 日本富士和中国各厂家 |
| 消除阀侧交变磁场引起局部涡流发热的原理 | 采用非导磁材料构件以避免母线周围构件发热 | 采用同轴结构使交变磁场相互抵消避免涡流发热 | 采用同相逆并联结构使交变磁场相互抵消避免涡流发热 |
| 消除整流装置涡流发热的实际效果 | 差 | 一般 | 好 |
| 消除变压器涡流发热的实际效果 | 差 | 差 | 好 |
| 功率因数 | 低 | 一般 | 高 |
| 对均流的影响 | 大 | 中 | 小 |
| 对绝缘结构要求 | 一般 | 高 | 高 |
| 整流装置结构的相对复杂程度 | 简单 | 复杂 | 一般 |
2.2.1 全部采用非导磁材料
以ABB和西门子为代表的大部分厂商,采取的措施是从选材入手。在整流装置内部及其周围尽可能地避免使用钢结构件,而是选用非导磁材料构件,以防止涡流引起局部发热。如图2所示,ABB的做法是将正、负连接母线焊接成两个整体的框架,其结构强度和抗电动力都非常好。但是,这种方式对于消除大电流交变磁场负面影响只是一种治标的办法,实际效果并不理想,限制了单机组电流的继续增大。
2.2.2 同轴式结构
法国阿尔斯通和西吉莱克的做法是将整流装置的各个整流臂做成同轴式结构。整流主电路连接原理图和整流臂结构示意图如图3和图4所示。这种结构是将交流母线穿过直流母线框窗口,再把器件和快熔以交流母线为轴线对称分布安装在交流母线上,然后经连接母排汇接到后面的直流母线框上。
图3 同轴式三相桥式整流主电路连接原理图
图4 同轴式整流臂电流流向示意图
由图4可见,在整流装置这一部分,按电流流向和磁场分布规律,交变磁场的大部分能够被抵消。但是,直流母线框后面去整流变压器一段的交变磁场不能被抵消。
采用同轴结构,整流变压器的引出线结构相对来说比较简单。
在西吉莱克的整流装置中,4英寸整流二极管采用单面水冷却,将4英寸器件当3英寸器件使用。这样,有利于减小整流装置损耗,简化水路结构。但设备造价要相应地提高。
2.2.3 同相逆并联结构
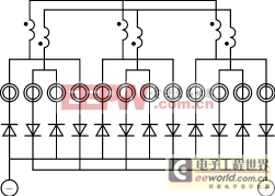
同相逆并联结构方式是日本富士电机及中国各主要整流器制造厂家普遍采用的结构方式。整流主电路连接原理图和整流臂结构示意图如图5和图6所示。

图5 三相桥式同相逆并联整流主电路连接原理图
图6 同相逆并联整流臂电流流向和磁场分布示意图
同相逆并联技术的应用始于上世纪70年代。是从根本上消除大电流交变磁场负面影响的一种治本的办法。从整流变压器绕组引出端开始,到整流装置直流汇流点为止,除饱和电抗器一段(在饱和电抗器以前)之外,所产生的交变磁场的大部分能够被相互抵消掉。对消除涡流发热,降低阀侧母线电抗压降和减小交变磁场对电流分配的影响都特别有效。
采用同相逆并联技术,必须处理好两个同相逆并联连接的整流臂之间绝缘问题,以防止发生短路故障。经过不断地研究和改进,现在这个问题已经得到了解决,不再是影响同相逆并联技术应用的障碍。如果不受快熔分断能力的限制,采用同相逆并联结构继续增加整流机组单机电流的空间最大。
3 整流器件和快速熔断器
整流器件和快速熔断器都是整流装置中的核心元器件,其技术水平和性能指标是保证整机技术水平的关键。二者之间选配得合理与否对于整个整流机组是至关重要的。
3.1 整流器件
3.1.1 目前国内外整流器件的实际水平
现在,不管是国内还是国外,用于整流的电力半导
模拟电源 电源管理 模拟器件 模拟电子 模拟 模拟电路 模拟芯片 德州仪器 放大器 ADI 相关文章:
- 采用数字电源还是模拟电源?(01-17)
- 模拟电源管理与数字电源管理(02-05)
- 数字电源正在超越模拟电源(03-19)
- 数字电源PK模拟电源(04-03)
- TI工程师现身说法:采用数字电源还是模拟电源?(10-10)
- 开关电源与模拟电源的分别(05-08)
