电动车充电器电路图
时间:06-01
来源:互联网
点击:
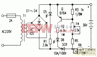
电动车充电器电路图,电路由整流电路,三极管,可控硅等组成。提供36伏输出。
电动车充电器电路图二:

电动车充电器电路图三:

模拟电源 电源管理 模拟器件 模拟电子 模拟 模拟电路 模拟芯片 德州仪器 放大器 ADI 相关文章:
- 采用数字电源还是模拟电源?(01-17)
- 模拟电源管理与数字电源管理(02-05)
- 数字电源正在超越模拟电源(03-19)
- 数字电源PK模拟电源(04-03)
- TI工程师现身说法:采用数字电源还是模拟电源?(10-10)
- 开关电源与模拟电源的分别(05-08)
