五路蓝牙智能无频闪LED灯方案
时间:07-11
来源:互联网
点击:
[size=12.6316px] 智能照明不但智慧,便捷,而且神秘,如何实现呢?会不会很复杂呢?今天给大家揭秘5路蓝牙智能无频闪LED灯方案!
[size=12.6316px]
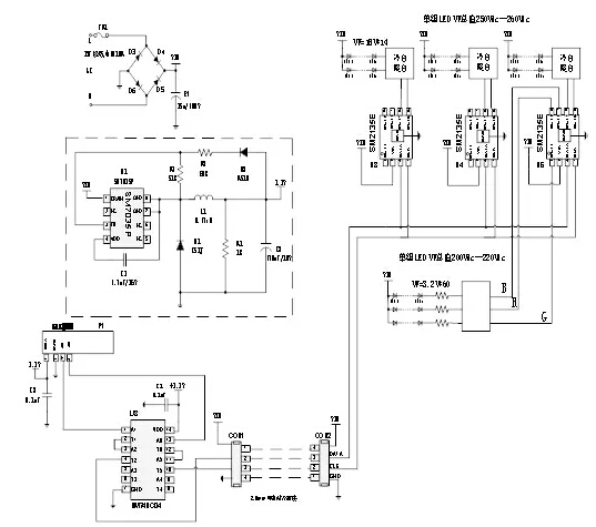
[size=12.6316px] 本次分享的五路蓝牙智能无频闪LED灯方案是采用“SM7035P+SM2135E”+“微智电子MESH版IIC 5路模块”实现的。
[size=12.6316px] SM7035P是AC-DC低功耗恒压控制芯片,用来产生供电电源;SM2135E是五通道智能调光LED恒流驱动芯片,具备5个独立输出端口,芯片内部集成I2C协议输入端口,可接收MCU输出信号控制每个端口输出电流产生256级变化以及每个输出端口所驱动LED灯的亮灭以实现智能调光;控制模块采用微智电子MESH版IIC 5路智能模块。
[size=12.6316px] 一、 基本参数
1.1恒流电源参数
[size=12.6316px]
[size=12.6316px]1.2蓝牙模块
供电电源:直流3.3V±5%,输出能力至少30mA以上;
工作温度-20°至85°;
通信距离:空旷区域50m;
搭配X-Light软件控制(提供公共版APP);
也可搭配WS-Light支持mesh组网功能,最大支持65535个设备;
支持开关分段调光;
支持遥控器和手机同时控制。
[size=12.6316px]二、应用框图
整个系统分为电源板和灯板,原理框图如下:
[size=12.6316px]三、方案原理图

[size=12.6316px]四、方案BOM清单
[size=12.6316px]

- 电源SOC:或许好用的“疯狂”创意(07-24)
- 无线充电技术介绍(06-01)
- 以太网供电技术的研究与应用(08-03)
- 新型模块UPS应用特征与模块高效BUS电源设计方案(08-05)
- DMPPT与PFM/PWM混合调制电路特征与应用(08-10)
- 个人导航设备的电源管理子系统设计(08-20)
