LED驱动电源组合调光策略与实现
时间:03-10
来源:互联网
点击:
照明是与人类生活息息相关的一个领域,也是消耗能源的重要方面,约占世界总耗能的20%。LED(Light Emitting Diode)作为新型高效固体光源,由于高效、环保、寿命长等优点,广泛应用在室内外照明、景观设计、指示灯等方面。LED 照明迅速成为最热门的第四代电光源之一,已成为未来照明产业发展的方向。
另外,为了适应实际生产和节电的需要,LED通常需要调光。调光电路的实现,既节省电能,降低了浪费,同时,避免LED长期在超负荷状态下工作,提高了LED的运行效率和寿命。本文通过研究电力电子开关变换器和调光策略,分析设计LED在不同调光方式下的运行状态,实现高效的组合调光策略。
1 Flyback 驱动电路分析
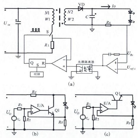
隔离型反激电路具有所用器件最少、成本低、功率密度大、电气隔离、易实现多路输出、提供耐压保护等优点,适合150 W以下小功率电源装置,而LED 照明一般是采用小功率的电源装置。本文采用反激电路作为主电路,采用UC3842 作为控制芯片。UC3842 是一种固定频率电流型控制芯片,外围元件少,振荡频率最大可达500 kHz,控制简单,外围电路也比较成熟。电路原理图如图1所示。

图1 Flyback 恒流驱动电路
LED 由于其陡峭的伏安特性,一般采用恒流驱动。本文采用双环控制恒流输出。如图1,通过电流采样电阻Rs将电流信号转换成电压信号,与给定的Uref-i值进行比较,通过PI调节,经过光耦隔离形成电流误差信号作为内电流环的给定,与开关电流进行比较,再通过UC3842 内部比较器形成PWM波,用以控制开关管的开断,当电流参考值恒定时,电路工作达到稳态即恒流输出。通过调节VR2可以改变Uref-i值,从而达到调光效果。另外,为了防止输出过压,在反馈环节还加了一个电压环,通过调整VR1改变输出限压值。图中参考电压Uref由TL431提供2.5 V的基准电压。
2 调光策略分析
LED的亮度是随着正向电流IF的变化而呈现近似比例变化的,当改变正向电流平均值时,相应地也能改变光输出的大小。常见的改变IF大小的有两种方式,如图2所示。

图2 改变正向电流的两种方式
在图2(a)中,通过在不同时刻连续地调节流过LED的电流,来改变光通量输出,流过LED的电流是连续的;在图2(b)中,先给定一个Im值,通过给定不同的占空比Ddim控制电流,则流过LED的电流:

式中,Ton是在调光开关管一个周期Tdim内的导通时间。这样,通过调节调光占空比Ddim和Im,都可以达到调光效果。
根据改变电流方式的不同,其调光电路可相应地分为模拟调光和PWM调光。
2.1 模拟调光
模拟调光方式可分为开关式幅值变化AM调光和线性调光,其电路控制原理图如图3。幅值变化调光如图3(a),其一般有两种方法:
① 固定参考电压Uref-i的大小, 而改变采样电阻Rs的大小。为减小系统功耗,Rs一般取1 Ω以下,而市场上1 Ω左右的电位器又比较少见; ②电流采样电阻保持不变,线性改变Uref-i的大小,即电流参考值改变。这样既可减少电阻上的功耗,又简单方便。线性调光是将工作在放大区的功率管当做动态电阻,如图3(b)、(c)所示,分为并联型和串联型两种。此时主电路工作在恒压模式,通过改变Q1的阻值来调节电路电流。模拟调光能够避免调光时产生的噪声,无闪烁现象,而且简单方便。但是变换器始终处在连续工作状态,系统的损耗比较大;另一方面,模拟调光时LED的色温、光效等光学特性会随着电流变化而变化,在对色温等要求严格的场合该方式受到限制。

图3 模拟调光示意图
2.2 PWM 调光
PWM调光能够精确地控制流过LED的电流,调光范围更宽,色温不会发生漂移,而且LED驱动器的效率高,缺点是调光时容易产生噪声。PWM调光频率一般在200 Hz 以上,以避免产生LED闪烁等情况。调光方案如图4,在输出负载串接一开关管,通过单片机输出PWM脉冲反复地接通和断开LED电流来调节发光亮度。

图4 PWM调光示意图

图5 调光PWM产生电路原理图
PWM模块由Microchip公司生产的8位单片机PIC16F877A产生。单片机晶振为4 M,调光频率fdim设为250 Hz。AD采集后的数据通过转换作为占空比的给定值,单片机输出的PWM波经过TLP250放大后作为驱动调光MOS管的PWM信号。电路原理图如图5。
由于反激电路不能工作在空载状态,当空载即输出电流为0 时输出电压会很快窜到限压值,所以进行PWM 调光时的Im即电路的最大电流。在进行PWM调光时,先调整电压环和电流环使得电路的最大工作电流为额定电流Im,对Im进行PWM调节,则iLEDS=DdimIm。
2.3 组合调光
将模拟调光和PWM调光结合起来,相互弥补不足,在既需要模拟调光也要求PWM调光的场合尤为适用。根据电路特点和实际应用,提出了结合两种调光方式的调光方案。
(1)在PWM 调光的基础上改变Im进行混合调光。当调光开关管Sdim断开时输出电压为限压值Uo-set,则在Sdim的开通时间内,输出部分构成一阶零输入响应。LED 模型UO=Uturn-on+Rled×IO,则等效电路图如图6 所示,经过DdimTdim的导通时间后,输出电压为:

设Ddim在0.3~1 范围内可调,Uo-set取30 V,Uturn-on取25 V,fdim取250 Hz,输出电容取2000 μF,Rled为7 Ω,则Uo﹥29 V。所以在Sdim开通时刻,Uo基本保持限压值不变,电流为该限值下的最大值Im。此时调节电流环已不起作用,通过连续调节电压环强制改变限压值,从而改变Im以达到调光效果。
(2)第二种调光方案:将LED并联两路,一路用模拟调光,一路用PWM 调光。两路调光示意图如图7 所示。Ⅰ路和Ⅱ路的输出电压都为Uo,则Ⅰ路通过模拟方式进行调光;Ⅱ路的Im即在电压Uo下的电流值,通过改变占空比改变流过Ⅱ路的电流,进行调光。若两路带的负载一样, 则Io=I1+I2≈(1+D)I1。

图6 调光开光管闭合时输出等效电

图7 两路调光示意图
3 实验结果
基于上述拓扑的分析,设计了一个输入电压Uin=36~60 VDC,输出电流Io=0.7 A,输出电压Uo=30V左右的调光电路,电路工作频率为50 kHz,能在30%-100%宽范围内调光。实验的负载采用额定电流为30 mA的小LED 灯8串16并联构成,最大电流可达到1 A。
图8 给出了恒流输出和纹波波形,图9和图10分别是模拟调光和PWM 调光时的驱动波形。图11是三种方式的效率曲线,由图11可知,在一定输出电流范围内,PWM调光的效率最高,模拟调光次之,组合调光效率有所降低,但都能保持在85%以上。

in=48 V,Io=0.45 A恒流输出时输出电流及其纹波">
图8 当Uin=48 V,Io=0.45 A恒流输出时输出电流及其纹波

in=48 V,Io=0.45 A模拟调光时主开关管Uds和Ugs波形">
图9 当Uin=48 V,Io=0.45 A模拟调光时主开关管Uds和Ugs波形

in=48 V,Io=0.45 A PWM调光时主开关管和调光开关管Ugs波形">
图10 当Uin=48 V,Io=0.45 A PWM调光时主开关管和调光开关管Ugs波形

图11 三种调光方式的效率对比曲线
4 结论
本文采用反激变换器电路拓扑,设计了一个LED驱动电源与组合调光电路。分析总结了几种LED调光方法,通过实验样机设计、结果分析,该电路实现了模拟、PWM以及组合调光,调光效率在86%以上,纹波在4%以下,开关管电压应力在允许范围之内,能实现高效可靠的LED照明调光。
另外,为了适应实际生产和节电的需要,LED通常需要调光。调光电路的实现,既节省电能,降低了浪费,同时,避免LED长期在超负荷状态下工作,提高了LED的运行效率和寿命。本文通过研究电力电子开关变换器和调光策略,分析设计LED在不同调光方式下的运行状态,实现高效的组合调光策略。
1 Flyback 驱动电路分析
隔离型反激电路具有所用器件最少、成本低、功率密度大、电气隔离、易实现多路输出、提供耐压保护等优点,适合150 W以下小功率电源装置,而LED 照明一般是采用小功率的电源装置。本文采用反激电路作为主电路,采用UC3842 作为控制芯片。UC3842 是一种固定频率电流型控制芯片,外围元件少,振荡频率最大可达500 kHz,控制简单,外围电路也比较成熟。电路原理图如图1所示。

图1 Flyback 恒流驱动电路
LED 由于其陡峭的伏安特性,一般采用恒流驱动。本文采用双环控制恒流输出。如图1,通过电流采样电阻Rs将电流信号转换成电压信号,与给定的Uref-i值进行比较,通过PI调节,经过光耦隔离形成电流误差信号作为内电流环的给定,与开关电流进行比较,再通过UC3842 内部比较器形成PWM波,用以控制开关管的开断,当电流参考值恒定时,电路工作达到稳态即恒流输出。通过调节VR2可以改变Uref-i值,从而达到调光效果。另外,为了防止输出过压,在反馈环节还加了一个电压环,通过调整VR1改变输出限压值。图中参考电压Uref由TL431提供2.5 V的基准电压。
2 调光策略分析
LED的亮度是随着正向电流IF的变化而呈现近似比例变化的,当改变正向电流平均值时,相应地也能改变光输出的大小。常见的改变IF大小的有两种方式,如图2所示。

图2 改变正向电流的两种方式
在图2(a)中,通过在不同时刻连续地调节流过LED的电流,来改变光通量输出,流过LED的电流是连续的;在图2(b)中,先给定一个Im值,通过给定不同的占空比Ddim控制电流,则流过LED的电流:

式中,Ton是在调光开关管一个周期Tdim内的导通时间。这样,通过调节调光占空比Ddim和Im,都可以达到调光效果。
根据改变电流方式的不同,其调光电路可相应地分为模拟调光和PWM调光。
2.1 模拟调光
模拟调光方式可分为开关式幅值变化AM调光和线性调光,其电路控制原理图如图3。幅值变化调光如图3(a),其一般有两种方法:
① 固定参考电压Uref-i的大小, 而改变采样电阻Rs的大小。为减小系统功耗,Rs一般取1 Ω以下,而市场上1 Ω左右的电位器又比较少见; ②电流采样电阻保持不变,线性改变Uref-i的大小,即电流参考值改变。这样既可减少电阻上的功耗,又简单方便。线性调光是将工作在放大区的功率管当做动态电阻,如图3(b)、(c)所示,分为并联型和串联型两种。此时主电路工作在恒压模式,通过改变Q1的阻值来调节电路电流。模拟调光能够避免调光时产生的噪声,无闪烁现象,而且简单方便。但是变换器始终处在连续工作状态,系统的损耗比较大;另一方面,模拟调光时LED的色温、光效等光学特性会随着电流变化而变化,在对色温等要求严格的场合该方式受到限制。

图3 模拟调光示意图
2.2 PWM 调光
PWM调光能够精确地控制流过LED的电流,调光范围更宽,色温不会发生漂移,而且LED驱动器的效率高,缺点是调光时容易产生噪声。PWM调光频率一般在200 Hz 以上,以避免产生LED闪烁等情况。调光方案如图4,在输出负载串接一开关管,通过单片机输出PWM脉冲反复地接通和断开LED电流来调节发光亮度。

图4 PWM调光示意图

图5 调光PWM产生电路原理图
PWM模块由Microchip公司生产的8位单片机PIC16F877A产生。单片机晶振为4 M,调光频率fdim设为250 Hz。AD采集后的数据通过转换作为占空比的给定值,单片机输出的PWM波经过TLP250放大后作为驱动调光MOS管的PWM信号。电路原理图如图5。
由于反激电路不能工作在空载状态,当空载即输出电流为0 时输出电压会很快窜到限压值,所以进行PWM 调光时的Im即电路的最大电流。在进行PWM调光时,先调整电压环和电流环使得电路的最大工作电流为额定电流Im,对Im进行PWM调节,则iLEDS=DdimIm。
2.3 组合调光
将模拟调光和PWM调光结合起来,相互弥补不足,在既需要模拟调光也要求PWM调光的场合尤为适用。根据电路特点和实际应用,提出了结合两种调光方式的调光方案。
(1)在PWM 调光的基础上改变Im进行混合调光。当调光开关管Sdim断开时输出电压为限压值Uo-set,则在Sdim的开通时间内,输出部分构成一阶零输入响应。LED 模型UO=Uturn-on+Rled×IO,则等效电路图如图6 所示,经过DdimTdim的导通时间后,输出电压为:

设Ddim在0.3~1 范围内可调,Uo-set取30 V,Uturn-on取25 V,fdim取250 Hz,输出电容取2000 μF,Rled为7 Ω,则Uo﹥29 V。所以在Sdim开通时刻,Uo基本保持限压值不变,电流为该限值下的最大值Im。此时调节电流环已不起作用,通过连续调节电压环强制改变限压值,从而改变Im以达到调光效果。
(2)第二种调光方案:将LED并联两路,一路用模拟调光,一路用PWM 调光。两路调光示意图如图7 所示。Ⅰ路和Ⅱ路的输出电压都为Uo,则Ⅰ路通过模拟方式进行调光;Ⅱ路的Im即在电压Uo下的电流值,通过改变占空比改变流过Ⅱ路的电流,进行调光。若两路带的负载一样, 则Io=I1+I2≈(1+D)I1。

图6 调光开光管闭合时输出等效电

图7 两路调光示意图
3 实验结果
基于上述拓扑的分析,设计了一个输入电压Uin=36~60 VDC,输出电流Io=0.7 A,输出电压Uo=30V左右的调光电路,电路工作频率为50 kHz,能在30%-100%宽范围内调光。实验的负载采用额定电流为30 mA的小LED 灯8串16并联构成,最大电流可达到1 A。
图8 给出了恒流输出和纹波波形,图9和图10分别是模拟调光和PWM 调光时的驱动波形。图11是三种方式的效率曲线,由图11可知,在一定输出电流范围内,PWM调光的效率最高,模拟调光次之,组合调光效率有所降低,但都能保持在85%以上。

in=48 V,Io=0.45 A恒流输出时输出电流及其纹波">
图8 当Uin=48 V,Io=0.45 A恒流输出时输出电流及其纹波

in=48 V,Io=0.45 A模拟调光时主开关管Uds和Ugs波形">
图9 当Uin=48 V,Io=0.45 A模拟调光时主开关管Uds和Ugs波形

in=48 V,Io=0.45 A PWM调光时主开关管和调光开关管Ugs波形">
图10 当Uin=48 V,Io=0.45 A PWM调光时主开关管和调光开关管Ugs波形

图11 三种调光方式的效率对比曲线
4 结论
本文采用反激变换器电路拓扑,设计了一个LED驱动电源与组合调光电路。分析总结了几种LED调光方法,通过实验样机设计、结果分析,该电路实现了模拟、PWM以及组合调光,调光效率在86%以上,纹波在4%以下,开关管电压应力在允许范围之内,能实现高效可靠的LED照明调光。
LED 电路 电力电子 电流 电阻 电压 比较器 PWM 单片机 Microchip PIC 电路图 电容 相关文章:
- 高效地驱动LED(04-23)
- 电源设计小贴士 6:精确测量电源纹波(03-21)
- 构建一个低成本的9V电池电压监控器(07-28)
- 用于低成本高效率离线LED驱动器的初级端调节技术(05-14)
- 电源设计小贴士 7:高效驱动 LED 离线式照明(04-05)
- 隔离式MOSFET驱动器集成电路的功率效率在轻负载时得到改善(07-31)
