谈晶闸管投切电容器TSC的触发电路
时间:02-23
来源:互联网
点击:
波形过零点,串联的MOC3083由于分压不均匀,使得3083有的导通有的停止。电网电压升高时,原先导通的依然导通,不同的要承受更高的电压,3083有可能击穿。
* 在初次投切时有一定的冲击。下面是国外著名产品的首次投切的电流波形。
*不能用于快速的冲击负载。最快几百ms,原因是晶闸管在刚刚停止时两端电压不为零,要等待电容器对电阻放电晶闸管两端电压才能衰减为零。需要快速就要减小电阻,增加电阻功率,结果耗能大,不符合节能的要求。
*合闸瞬间存在MOC3083误导通现象,误导通可能损害晶闸管。
* 滤波装置中谐波电流大时,晶闸管工作不正常,存在停止工作的情况。
*电网电压高于400V电路设计困难。
3.新型的晶闸管两端采集过零信号的电路,由此产生一系列触发电路。
在主回路中设计过零触发电路实属不易,查阅文献有采用基于霍尔原理工作的LEM模块采集过零信号的,其过零触发的原理框图见图七,晶闸管过零电压检测电路原理图见图八。本文作者经过努力,依照图七、图八原理框图和电路原理图的思路,摈弃了MOC3083在主回路取过零信号和触发晶闸管的方法,开发一种新型的电路,特点是采集晶闸管的过零信号将它反馈到输入的低压端再做信号逻辑处理来触发晶闸管。其电路框图如图九。这样就完全克服了MOC3083的弱点。
投切电流相对没有冲击,由于第一次投切电容器没有直流电压,是不理想的状态,必然有一定的冲击,当冲击电流与正常稳定电流之比≤1.7倍时,可以认为不影响晶闸管和电容器的使用。投切停止后,电容器上有电网峰值电压,晶闸管在电网电压和电容器直流电压的合成下,存在着过零电压,在过零点触发晶闸管是理想状态,应该没有冲击电流。
新触发电路达到了快速20ms动作,两路晶闸管都动作,无电流冲击,晶闸管在停止时的承受电压低,最大为3倍的有效值电压。
用双踪示波器测试波形。一只表笔测量晶闸管两端的电压和另一只测量晶闸管的电流波形,这样,可以看出晶闸管是否在过零点投入,又可以看出投入时的电流冲击。由于使用两个开关控制三相电路,用双踪示波器分别测量两路的电压电流,就可以完整的观察到触发器运行的效果。A探头为电压,B探头为电流。
图十二为:连续投切的A相晶闸管电压和C相电流的动作波形。
横轴为时间200ms/格,纵轴电压500V/格,电流20A/格。可控硅工作时两端的电压零,线路中有电流,停止时可控硅两端有电压,电流为零。在连续动作中,电流没有冲击。
晶闸管开关放在三角形内的效果更好,同时可以分相控制补偿不平衡负载。
晶闸管的触发电路是保证触发无冲击快速动作的重要部件。新型的晶闸管两端采集过零信号的电路,满足快速无冲击投切电容器的要求,在谐波电流严重的状态下依然可以正常动作,适合TSC的不同主回路、不同电压等级和不同的晶闸管形式,效果不错,对应不同需求产生了一系列触发电路。
参考文献:
[1]杨建宁“三种晶闸管投切电容器(TSC)主回路的分析”2006年电力电容器学术年会论文集P20~23、29
[2] TJE Miller 《电力系统无功功率控制》 [M] 胡国根译 北京水利电力出版社 1990
[3]杨建宁 “两种新型晶闸管投切电容器组的补偿装置的主电路及触发方式”电力电容器2005,1 P11~13、17
[4]。《电力系统并联补偿:结构、原理、控制与应用》姜齐荣谢小荣陈建业: 科学出版社 2004.8 P55、56
来源:电子工程网
* 在初次投切时有一定的冲击。下面是国外著名产品的首次投切的电流波形。
图六:国外公司产品的第一次触发冲击波形
记录C相晶闸管两端电压,A相电流。电流投切冲击很大,使得电网电压都产生了变形。*不能用于快速的冲击负载。最快几百ms,原因是晶闸管在刚刚停止时两端电压不为零,要等待电容器对电阻放电晶闸管两端电压才能衰减为零。需要快速就要减小电阻,增加电阻功率,结果耗能大,不符合节能的要求。
*合闸瞬间存在MOC3083误导通现象,误导通可能损害晶闸管。
* 滤波装置中谐波电流大时,晶闸管工作不正常,存在停止工作的情况。
*电网电压高于400V电路设计困难。
3.新型的晶闸管两端采集过零信号的电路,由此产生一系列触发电路。
在主回路中设计过零触发电路实属不易,查阅文献有采用基于霍尔原理工作的LEM模块采集过零信号的,其过零触发的原理框图见图七,晶闸管过零电压检测电路原理图见图八。本文作者经过努力,依照图七、图八原理框图和电路原理图的思路,摈弃了MOC3083在主回路取过零信号和触发晶闸管的方法,开发一种新型的电路,特点是采集晶闸管的过零信号将它反馈到输入的低压端再做信号逻辑处理来触发晶闸管。其电路框图如图九。这样就完全克服了MOC3083的弱点。
图七 TSC过零触发的原理框图
图八晶闸管过零电压检测电路原理图
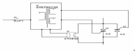
图九:过零采集控制逻辑光电驱动电路框图
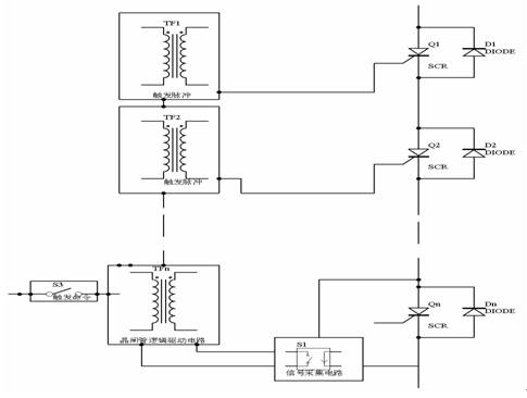
400V电网电压多数采用模块晶闸管,可以采用光电驱动晶闸管如图九。660V电网电压,电网电压高,需要采用脉冲变压器驱动。如图十。
图十:过零采集控制逻辑脉冲变压器驱动电路框图
中压TSC,根据绝缘要求需要采用脉冲磁环触发。图十一。
图十一 中压TSC采用脉冲磁环触发
采用新触发电路,应用单片机做逻辑时间控制触发2控3电路。投切电流相对没有冲击,由于第一次投切电容器没有直流电压,是不理想的状态,必然有一定的冲击,当冲击电流与正常稳定电流之比≤1.7倍时,可以认为不影响晶闸管和电容器的使用。投切停止后,电容器上有电网峰值电压,晶闸管在电网电压和电容器直流电压的合成下,存在着过零电压,在过零点触发晶闸管是理想状态,应该没有冲击电流。
新触发电路达到了快速20ms动作,两路晶闸管都动作,无电流冲击,晶闸管在停止时的承受电压低,最大为3倍的有效值电压。
用双踪示波器测试波形。一只表笔测量晶闸管两端的电压和另一只测量晶闸管的电流波形,这样,可以看出晶闸管是否在过零点投入,又可以看出投入时的电流冲击。由于使用两个开关控制三相电路,用双踪示波器分别测量两路的电压电流,就可以完整的观察到触发器运行的效果。A探头为电压,B探头为电流。
图十二为:连续投切的A相晶闸管电压和C相电流的动作波形。
横轴为时间200ms/格,纵轴电压500V/格,电流20A/格。可控硅工作时两端的电压零,线路中有电流,停止时可控硅两端有电压,电流为零。在连续动作中,电流没有冲击。
图十三:又一幅A相晶闸管电压 C相电流。横坐标50ms/格快速动作
图十四:从长期停止态开始工作的A相晶闸管电压 C相电流。
第一周波有点冲击。冲击电流的峰值32A,正常稳定电流峰值为24A,冲击电流/稳定电流=1.33。晶闸管开关放在三角形内的效果更好,同时可以分相控制补偿不平衡负载。
图十五晶闸管开关放在三角形内的效果
图十六晶闸管开关放在三角形内首次动作无冲击
4.结论:晶闸管的触发电路是保证触发无冲击快速动作的重要部件。新型的晶闸管两端采集过零信号的电路,满足快速无冲击投切电容器的要求,在谐波电流严重的状态下依然可以正常动作,适合TSC的不同主回路、不同电压等级和不同的晶闸管形式,效果不错,对应不同需求产生了一系列触发电路。
参考文献:
[1]杨建宁“三种晶闸管投切电容器(TSC)主回路的分析”2006年电力电容器学术年会论文集P20~23、29
[2] TJE Miller 《电力系统无功功率控制》 [M] 胡国根译 北京水利电力出版社 1990
[3]杨建宁 “两种新型晶闸管投切电容器组的补偿装置的主电路及触发方式”电力电容器2005,1 P11~13、17
[4]。《电力系统并联补偿:结构、原理、控制与应用》姜齐荣谢小荣陈建业: 科学出版社 2004.8 P55、56
来源:电子工程网
电容 电路 可控硅 电压 电容器 电流 变压器 CMOS 电子 单片机 二极管 电路图 电阻 示波器 相关文章:
- 电源设计小贴士 1:为您的电源选择正确的工作频率(12-25)
- 用于电压或电流调节的新调节器架构(07-19)
- 超低静态电流电源管理IC延长便携应用工作时间(04-14)
- 电源设计小贴士 2:驾驭噪声电源(01-01)
- 负载点降压稳压器及其稳定性检查方法(07-19)
- 电源设计小贴士 3:阻尼输入滤波器(第一部分)(01-16)
