谈晶闸管投切电容器TSC的触发电路
时间:02-23
来源:互联网
点击:
在快速无功补偿和谐波滤波装置中,要用晶闸管作为执行元件投切电容器,做为TSC电路,前文分析了三种TSC的主电路。执行元件晶闸管根据应用场合的不同,有饼式的、模块的和双向可控硅的不同结构型式。针对不同的主回路和不同的晶闸管型式,触发电路也不同。TSC要求在晶闸管电压过零点触发,确定晶闸管电压过零点的方法有两种,一种是从电网电压取得同步信号,一种是从晶闸管的阳极和阴极取得过零信号。
本文分析现存的各种触发电路的特点,由此推出一种新型的从主回路晶闸管上获取晶闸管电压过零信号的电路,以该电路支撑产生一系列触发电路,取得了优秀的触发效果。首先:
1. 介绍晶闸管投切电容器的原理和快速过零触发要求
晶闸管投切电容器组的关键技术是必须做到电流无冲击。晶闸管投切电容器组的机理如图一所示,
式(2)的第三项给出当触发角偏离最佳点时的振荡电流的幅值;式(2)中的第二项给出当偏离最佳予充电值时振荡电流的幅值。若使电容器电流ic=C*du/dt=0,则du/dt=0,即晶闸管必须在电源电压的正或负峰值触发导通投切电容器组,电容器预充电到峰值电压。
触发电路的功能是:电流无冲击触发;快速投切,20ms的动作。这个20ms不是得到投切命令到产生动作的时间,而是从停止到再投入动作的时间为20ms。快速反应时,在平衡补偿电路,不能出现不平衡动作,即有的相有电流,有的没有。
1. 两类晶闸管的触发电路的特点和存在的问题
从同步信号的采集上,有两类晶闸管触发电路。一类为从电网电压取得同步信号,一类为从晶闸管两端取得同步信号。
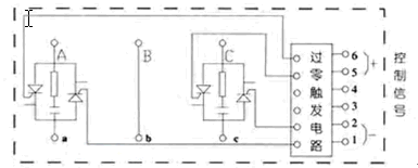
从电网电压取得同步信号的电路框图如图二:
电路中包括同步变压器、同步信号处理电路和功率驱动电路、脉冲变压器隔离电路等。当得到触发命令后,在投切点产生触发脉冲列,经过脉冲变压器的隔离,推动晶闸管。同步信号处理电路有滤波处理功能,可以是CMOS等的电子电路组成,也可以是单片机、GAL电路等。电路中包括相序错判断功能。
从电网电压取得同步信号的优点为在主回路没有送电时,给触发命令,可以测量晶闸管的触发脉冲幅度和相位,在主回路得电后,给触发命令,可以放心, TSC为正确的投入工作。对于TSC电路中的两只晶闸管+一只二极管的“2+1”电路、两只晶闸管+两只二极管的“2+2”电路、三只晶闸管+三只二极管的“3+3”电路,电容器有二极管预充电, 电容器上一直存在直流电压,晶闸管的交直流电压不变,电网电压取得同步信号触发适合。缺点为电路复杂,对于400V小容量的TSC电路造价高。如果TSC全部采用晶闸管不用二极管,由于晶闸管两端的电压随着电容器放电电压的减少逐渐小,意味着触发点在变动,上述电路不能跟随变化触发点,所以不适应了。
目前,从晶闸管两端取得过零信号的典型触发电路是MOC3083,它的框图如图三:
用在380V电网的TSC电路上要串联几只3083。在2控3的TSC电路应用如图四:
快速动作时,有触发命令,一对晶闸管导通另一对晶闸管不通电压反而升高了,限于篇幅和重点,本文不分析为什么电压反而高了,只是从测量的2控3电路中看到了确实存在电压升高的现象和危险,这种现象如同倍压整流电路直流电压升高了一样。图五测量不正常工作的两对晶闸管的电压波形。此试验晶闸管存在高压击穿的可能,所以用调压器将电网电压调低。晶闸管导通时两端电压为零,不导通,晶闸管有电容器的直流电压和电网的交流电压。测量C相停止时峰峰值电压为540V,其有效值= ,图中C相升高的电压峰值为810V,升高电压约为电网电压有效值的倍数:。推算,400V电压下工作,晶闸管有可能承受的电压,400V电网的TSC电路多数是采用模块式的晶闸管,模块的耐压不高,常规为1800V,升高的管压降很容易击穿晶闸管元件。
本文分析现存的各种触发电路的特点,由此推出一种新型的从主回路晶闸管上获取晶闸管电压过零信号的电路,以该电路支撑产生一系列触发电路,取得了优秀的触发效果。首先:
1. 介绍晶闸管投切电容器的原理和快速过零触发要求
晶闸管投切电容器组的关键技术是必须做到电流无冲击。晶闸管投切电容器组的机理如图一所示,
式(2)的第三项给出当触发角偏离最佳点时的振荡电流的幅值;式(2)中的第二项给出当偏离最佳予充电值时振荡电流的幅值。若使电容器电流ic=C*du/dt=0,则du/dt=0,即晶闸管必须在电源电压的正或负峰值触发导通投切电容器组,电容器预充电到峰值电压。
触发电路的功能是:电流无冲击触发;快速投切,20ms的动作。这个20ms不是得到投切命令到产生动作的时间,而是从停止到再投入动作的时间为20ms。快速反应时,在平衡补偿电路,不能出现不平衡动作,即有的相有电流,有的没有。
1. 两类晶闸管的触发电路的特点和存在的问题
从同步信号的采集上,有两类晶闸管触发电路。一类为从电网电压取得同步信号,一类为从晶闸管两端取得同步信号。
从电网电压取得同步信号的电路框图如图二:
电路中包括同步变压器、同步信号处理电路和功率驱动电路、脉冲变压器隔离电路等。当得到触发命令后,在投切点产生触发脉冲列,经过脉冲变压器的隔离,推动晶闸管。同步信号处理电路有滤波处理功能,可以是CMOS等的电子电路组成,也可以是单片机、GAL电路等。电路中包括相序错判断功能。
从电网电压取得同步信号的优点为在主回路没有送电时,给触发命令,可以测量晶闸管的触发脉冲幅度和相位,在主回路得电后,给触发命令,可以放心, TSC为正确的投入工作。对于TSC电路中的两只晶闸管+一只二极管的“2+1”电路、两只晶闸管+两只二极管的“2+2”电路、三只晶闸管+三只二极管的“3+3”电路,电容器有二极管预充电, 电容器上一直存在直流电压,晶闸管的交直流电压不变,电网电压取得同步信号触发适合。缺点为电路复杂,对于400V小容量的TSC电路造价高。如果TSC全部采用晶闸管不用二极管,由于晶闸管两端的电压随着电容器放电电压的减少逐渐小,意味着触发点在变动,上述电路不能跟随变化触发点,所以不适应了。
图二: 电网电压取得同步信号的触发电路
从晶闸管两端取得过零信号比较困难,过零触发要求电压高时截止,电压最低低时导通触发。几乎找不出什么元件是这种特性。如稳压管,电压低截止,电压高维持电压不变。不满足要求。目前,从晶闸管两端取得过零信号的典型触发电路是MOC3083,它的框图如图三:
图三:MOC3083电路图
MOC3083芯片内部有过零触发判断电路,它是为220V电网电压设计的,芯片的双向可控硅耐压800V,在4、6两端电压低于12V时如果有输入触发电流,内部的双向可控硅就导通。用在380V电网的TSC电路上要串联几只3083。在2控3的TSC电路应用如图四:
图四 2控3的TSC电路
用2对晶闸管开关控制3相电路,电路简单了,控制机理复杂了。这种触发电路随机给触发命令要出现下面的许多麻烦问题。快速动作时,有触发命令,一对晶闸管导通另一对晶闸管不通电压反而升高了,限于篇幅和重点,本文不分析为什么电压反而高了,只是从测量的2控3电路中看到了确实存在电压升高的现象和危险,这种现象如同倍压整流电路直流电压升高了一样。图五测量不正常工作的两对晶闸管的电压波形。此试验晶闸管存在高压击穿的可能,所以用调压器将电网电压调低。晶闸管导通时两端电压为零,不导通,晶闸管有电容器的直流电压和电网的交流电压。测量C相停止时峰峰值电压为540V,其有效值= ,图中C相升高的电压峰值为810V,升高电压约为电网电压有效值的倍数:。推算,400V电压下工作,晶闸管有可能承受的电压,400V电网的TSC电路多数是采用模块式的晶闸管,模块的耐压不高,常规为1800V,升高的管压降很容易击穿晶闸管元件。
图五不正常的两对晶闸管的电压波形*在晶闸管电压
电容 电路 可控硅 电压 电容器 电流 变压器 CMOS 电子 单片机 二极管 电路图 电阻 示波器 相关文章:
- 电源设计小贴士 1:为您的电源选择正确的工作频率(12-25)
- 用于电压或电流调节的新调节器架构(07-19)
- 超低静态电流电源管理IC延长便携应用工作时间(04-14)
- 电源设计小贴士 2:驾驭噪声电源(01-01)
- 负载点降压稳压器及其稳定性检查方法(07-19)
- 电源设计小贴士 3:阻尼输入滤波器(第一部分)(01-16)
