直下式LED背光源的设计与实现
时间:02-13
来源:互联网
点击:
图3 驱动电路原理图
具体的电路图如图4、5、6所示,这里需要说明的是,所有的图纸都是用Altium Designer6软件绘制。
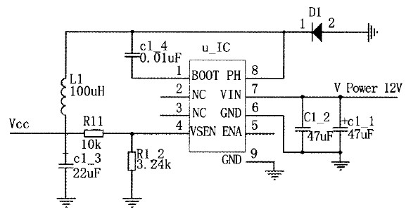
图4 电源电路图
图5 TCL5941电路图
图6 控制电路图
3 制 作
电路板安装在背光源的铝背板上,安装情况如图7所示。在电路板上铺上底反板,底反板的颜色为白色,有利于反光。
图7 电路板的整体安装
连接器是LED用来和背面的电路板进行电路连接的,它的管脚根据LED单元来确定。电路板的材料可以根据散热要求制定,为了更好的散热,图中电路饭采用的是铝基电路板,电路板的形状根据安装要求没计,颜色采用白色,利于LED混光。
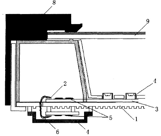
在电路板上面覆盖光学膜材,再固定上框架。其中电路芯片一部分在LED灯的电路板边缘,一部分左背板的后面。电路板上的连接器用来与外面的驱动芯片相连。具体结构如图8的结构剖面图所示。
图8 背光源的整体结构图
4 结果与测试
LED点亮后得到了高亮度、效果好的一个背光原,效果实拍对比如图9所示。
图9 (左)点亮的背光源,(右)未点亮的背光源。
加上液晶屏之后与CCFL背光源的测试效果如图10所示。
图10 (左)LED 背光源,(右)CCFL背光源。
采用9点测试,测试仪器为BM-7.如图11、表1、图12所示。
图11 9点测试。
表1 背光源光学测试结果
图12 通过液晶屏的色彩还原性测试结果。
通过测试结果可以看出, 中心亮度达到11,230nits,均匀性达到90%以上,具体为96.26%.
还原性达到了128%以上,由于液晶屏表面彩膜的限制,液晶模组的色彩还原性只有10O~105%左右,要想进一步提高色彩表现力,一方面可以选择匹配的彩膜,另一方面就是用LED作为图像的最后总显示光源,另外,基于场序彩色原理的无彩膜技术也是方法之一。
5 结论
所做的47in LED背光源达到了中心亮度11,230nits、整体功耗178W、均匀度96.26% 、色彩还原性128.15% ,具有很高的性能。LED背光源看上去好像没有什么太复杂的技术,只要把LED点亮就可以,但真正应用到液晶电视中就涉及到很多非常复杂的技术。要研究出适合量产的大尺寸背光源,需要液晶面板厂家、背光源厂家、电视机厂家的共同合作。
来源:电子工程网
LED 显示器 LCD 二极管 电路 电压 连接器 电流 德州仪器 电路图 Altium 电子 相关文章:
- 高效地驱动LED(04-23)
- 电源设计小贴士 6:精确测量电源纹波(03-21)
- 构建一个低成本的9V电池电压监控器(07-28)
- 用于低成本高效率离线LED驱动器的初级端调节技术(05-14)
- 电源设计小贴士 7:高效驱动 LED 离线式照明(04-05)
- 隔离式MOSFET驱动器集成电路的功率效率在轻负载时得到改善(07-31)
