太阳能发电控制-逆变器设计
时间:02-20
来源:互联网
点击:
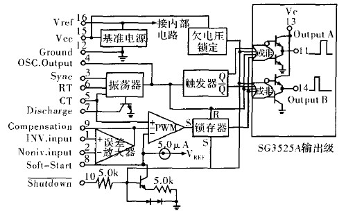
图3 SG3525的原理图
1.5 功放
样机的功放采用全桥电路。由SG3525的脚l1和脚14送来的信号,又各自分成两路。一路直接驱动全桥的下管,另一路经过自举电路倒相后驱动上管。由于SG3525提供的两个信号问存在一个死区,所以防止了同一侧桥臂的上下两管直通。在两个下管的源极与地之间接有一个采样电阻,采到的电流信号用于过载和短路的判断。
2 MCU软件设计
2.1 主要功能的实现方案
(1)蓄电池充电控制充电MOSFET的栅极由MCU的一个I/O口控制。当蓄电池电压低于直充阈值时,MCU跳过PCA,直接输出一个高电平信号打开充电MOSFET,使太阳板不间断地向蓄电池充电。蓄电池电压超过后,MCU接人PCA,改为PWM方式充电。充电的脉宽随着蓄电池电压的升高而逐渐变窄。达到充电上限后,再次跳过PCA,输出一个低电平,完全关断充电。
(2)直流输出控制直流输出MOSFET也由MCU的一个I/O口控制。蓄电池的电压低于欠压阈值时,MCU输出关断信号,停止放电。高于恢复阈值时,输出开启信号。
(3)直流和交流过载保护相关标准对户用太阳能逆变器规定:逆变器过载20%时应输出不少于一分钟,过载50%时输出不少于10S。程序巾定义了一个名为“过载量”的参数,它等于过载电流采样值对持续时间的累积。一旦过载发生,程序便开始计算过载量。当过载量达到设定值时立即关断输出。
(4)直流和交流短路保护当检测到短路发生时,立即启动优先级最高的外中断程序,向SG3525的脚4和脚10送出短路保护信号,关断其输出。同时,切断为逆变器供电的继电器,使逆变器电源中断。
(5)LED指示当检测到太阳板的电压时,“发电”LED点亮。当蓄电池电压降到欠压阈值后,“欠压”LED点亮,只有电压升到恢复阈值,“欠压”LED才会熄灭。无论交流或直流的短路、过载故障发生,“过载”LED都会点亮。必须关机才能使其熄灭。在逆变器正常输出时,“输出”LED点亮。
2.2 主程序流程图
图4是主函数的流程图。单片机上电后先初始化系统,允许中断,开启PCA。随后进入无限循环。
在每个循环中依次完成下列任务:
(1)根据蓄电池电压设置蓄电池的标志位,以决定直流输出管的开关状态。
(2)根据直流开关和交流开关的状态(开或关)设置标志,以决定样机是否开启相应功能。
(3)查询有无过载发生。如果有,则进入过载子程序,计算过载量并进行相应的处理。
(4)根据各种电气参数和工作状态,确定LED指示灯的亮、灭。
在主函数之外,还有6个中断函数。其中定时器0、定时器1和定时器2中断分别为PCA、直流过载保护和交流过载保护提供时基。直流短路中断和交流短路中断都是外中断,一旦进入,会马上切断振荡信号和功率管的电源,以保护样机。PCA中断在下面另作介绍。
图4主程序流程图
图5PCA中断流程图
2.3 过载保护流程图
直流过载和交流过载的保护程序基本上是相同的。以直流过载保护为例,它是由图6所示的直流过载保护程序和图7所示的定时器l中断程序配合实现的。每当检测出过载,程序立即启动定时器1,同时根据过载的程度,为一个“过载常数”赋值。定时器1每次溢出即进入中断,对过载常数进行累加以得到过载量。一旦过载量达到设定的阈值,MCU就会关断输出。
如果在连续的45S钟内未检测到过载,程序便自动将过载量清零。这样,就防止了偶然干扰所造成的过载会累计至过载阈值,使样机进入过载保护。
图6直流过载保护流程图
图7定时器1中断流程图
3 实验结果
对样机进行检测的结果如下:
(1)设定Vo=13.5V,VH=14.4V。当蓄电池电压低于13.5V时,充电管完全打开;高于14.4V时,充电管完全关断。在13.5V和14.4V之间为PWM充电方式,输出脉冲的宽度随蓄电池电压的升高而减小。
(2)设定=11.0V,VR=13.3V。电池电压处在11.0V和14.4V之间时,样机有稳定的直流或/和交流输出。当电压降低到11.0V以下时,MCU自动切断输出,同时“欠压”LED点亮。直到蓄电池电压恢复到l3.3V后,才可继续供电。
(3)蓄电池电压在11.0V~14.4V之间变化,负载在0~100%之间变化时,逆变器的输出电压变动不大于额定输出电压的5%。
(4)过载在12O一150%范围内时,样机在60S后关机。在150~160%范围内时,样机在10s后关机。超过60%时,样机立即关机。
(5)短路发生后,样机会立即天机。
4 结语
用8051系列单片机和SG3525配合做成的太阳能光伏发电控制——逆变器,可以实现对蓄电池的充电、放电智能化管理,并具有多种保护功能,使用简单安全。与只用硬件做成的同类装置相比,其智能化的程度高,调节准确,保护可靠,且可以进一步开发新的功能。实验情况表明,本样机完全适合无电地区利用太阳能发电的需要。
来源:太阳能光伏网
半导体 逆变器 单片机 电压 PWM 电路 MCU 电流 LED ADC 传感器 振荡器 开关电源 电容 电阻 放大器 MOSFET 比较器 继电器 相关文章:
- 电源设计小贴士 1:为您的电源选择正确的工作频率(12-25)
- 负载点降压稳压器及其稳定性检查方法(07-19)
- 高效地驱动LED(04-23)
- 电源SOC:或许好用的“疯狂”创意(07-24)
- 实现智能太阳能管理的微型逆变器应运而生(05-06)
- 以太网供电芯片:合规与超规(07-25)
