LED分布式恒流技术
时间:05-20
来源:互联网
点击:
作者:LED-文子
1. 分布式恒流技术
分布式恒流就是:在各并联支路点均设立独立恒流源,从而管理、维持、控制支路与整体线路稳定。在使用上可视为一个完整的线路结构,而实际应用是分布在线路各节点的恒流控制并能相互通讯。分布式恒流设计LED产品,有着非常高的产品稳定性。在当前,LED产品宣称与实际使用寿命有较大的差距,在驱动线路设计技术积累有限的情况下,评估产品寿命与实际使用有距离。驱动线路稳定性直接影响产品整体稳定,分布式恒流有着独有的优势。
保持支路和整体电流稳定,还要能方便控制管理支路和整体线路工作,这是分布式恒流技术的包含范围。驱动LED需要恒流,但是电流的大小取决于应用环境,LED照明智能化发展是关键,分布式恒流技术充份预留智能化接口。
在分布式LED驱动设计中,驱动回搜、色温可调、灰度控制都要变得方便。这是分布式恒流技术发展的必要性,随温度变化驱动电压要适当调整,客户设计因产品而异LED数量不一,支路恒流平衡都需要回授线路完成。LED在迅速替代CCFL作为新一代背光源,但是我们发现显色性并没有CCFL好,色温也不能可调,不是我们不需要LED色温可调整,关键是设计线路不支持色温可调整。
在LED应用中,灰度也需要很好的表现,灰度控制总是会和亮度混淆,实际上有着本质的区别,灰度控制代表着智能化的水平程度,而亮度在产品中只设定一次,智能化一定离不了灰度等级再现。
分布式恒流技术还有一个特点是,让AC电源部分继续采用传统开关电源,恒压的供电模式。开关电源技术积累会给LED电源设计创造品质条件,虽然加速老化估算电源寿命是一种办法,和传统开关电源长期实战技术积累还是有些差距!
分布式恒流也有它缺点,开始会增加部分设计成本,产品设计品质与线路设计选择需要权衡。可能成本增加是短暂的,表面的,应该综合考量。
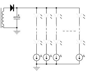
2. 分布式恒流源节点设置
分布式恒流技术就是在需要恒流的节点上串接,低压差线性恒流驱动器。低压差很重要,关系到产品驱动效率。做到恒流驱动有很多种,其中低压差线性恒流就可以实现一切LED应用设计,即稳定又简单,结合开关电源,有着完美的恒流驱动架构。
恒流源放置点灵活,在所有的并联支路,不会因支路电流变化影响其它支路工作。都希望挑选LED得到负载阻抗匹配,分布式恒流可以设计变得更完美,要求不是很高也可以免除挑选。 保持各支路和整体线路电流稳定,才能提升灯具产品稳定性。
恒流源放置,在每个并联支路节点,也可以是整体的恒流点设计,恒流源串接支路中在某一个位置都能起到很好的作用。一般恒流驱动通道数很难与设计匹配,分布式恒流会有着高度的设计灵活性。
在LED照明线路设计中,AC电源需要回授电路,配合输出LED驱动数量,和驱动效率的合理性。在分布式恒流驱动源中,每一个驱动源都可以直接完成光耦回授任务。
3. 恒流输出软件化将开辟,LED应用技术的飞跃
在日常驱动电源设计中,周边器件累计误差处理起来很是棘手,结果驱动电源参数离设计初衷相差甚远。恒流驱动需要电流检测,通常做法是在支路中串接毫偶电阻获取回授信息,要达到高的效率,电阻值会越小,过小的毫偶电阻给生产、测试都带来麻烦,一般的仪器无法验证到正确值,生产过程会影响到精度,电流值被固定,调整非常不便。
分布式恒流输出软件化将开辟,LED应用技术的飞跃,LED恒流技术软件化,大幅提升LED应用的灵活性。恒流驱动器电流设定软件化实际上也很简单,在IC内部设立寄存器,根据实际产品应用存储的方式设置输出电流大小,这一切都是软件化过程,不需要更改线路设计。在销售器件的同时附赠上微机操作软件,直观的数字写入完成电路电流设定。
驱动线路周边0器件,这是我们的目标,周边0器件不会带来设计器件参数误差累计,因周边器件误差累计而造成的恒流精度回升到0。
4. 驱动优势
我们将恒流输出范围均等的划分若干等级,每阶电流被数字化描述,指定在一定空间内的寄存器,上电驱动IC会读取对应数字并执行相应电流值。内置E2PROM是首选,任何寄存器都能完成其任务,按照应用需要和工艺允许程度,决定存储器的类型选择。
在开发驱动技术的同时,也要同时开发应用软件,友好的界面支持数字化写入技术,使得LED驱动电源设计变得更简单,更智能。
电流阶划分与设计要求有所不同,因长运通公司型号对应市场不同有所区别。分布式恒流内置寄存器后,电流值划分会弥补工艺上的精度不足,因制造工艺原因输出电流总是有误差,因此得到改善。
驱动IC出厂时可以确定输出电流大小,可根据不同的客户,提供不同的电流输出值,免除批量校准过程。对于小客户来讲,通过附赠上微机软件改写电流值,是最为方便的方式。还有一种情况,也是客户经常需要的,比如对产品的亮度要求,允许驱动电流不同,要求产品亮度一致,从而通过产品设计接口解决终端客户对亮度的要求。在年久后,因LED光衰减或根据现实使用情况,再次确定驱动电流值及用途。
1. 分布式恒流技术
分布式恒流就是:在各并联支路点均设立独立恒流源,从而管理、维持、控制支路与整体线路稳定。在使用上可视为一个完整的线路结构,而实际应用是分布在线路各节点的恒流控制并能相互通讯。分布式恒流设计LED产品,有着非常高的产品稳定性。在当前,LED产品宣称与实际使用寿命有较大的差距,在驱动线路设计技术积累有限的情况下,评估产品寿命与实际使用有距离。驱动线路稳定性直接影响产品整体稳定,分布式恒流有着独有的优势。
保持支路和整体电流稳定,还要能方便控制管理支路和整体线路工作,这是分布式恒流技术的包含范围。驱动LED需要恒流,但是电流的大小取决于应用环境,LED照明智能化发展是关键,分布式恒流技术充份预留智能化接口。
在分布式LED驱动设计中,驱动回搜、色温可调、灰度控制都要变得方便。这是分布式恒流技术发展的必要性,随温度变化驱动电压要适当调整,客户设计因产品而异LED数量不一,支路恒流平衡都需要回授线路完成。LED在迅速替代CCFL作为新一代背光源,但是我们发现显色性并没有CCFL好,色温也不能可调,不是我们不需要LED色温可调整,关键是设计线路不支持色温可调整。
在LED应用中,灰度也需要很好的表现,灰度控制总是会和亮度混淆,实际上有着本质的区别,灰度控制代表着智能化的水平程度,而亮度在产品中只设定一次,智能化一定离不了灰度等级再现。
分布式恒流技术还有一个特点是,让AC电源部分继续采用传统开关电源,恒压的供电模式。开关电源技术积累会给LED电源设计创造品质条件,虽然加速老化估算电源寿命是一种办法,和传统开关电源长期实战技术积累还是有些差距!
分布式恒流也有它缺点,开始会增加部分设计成本,产品设计品质与线路设计选择需要权衡。可能成本增加是短暂的,表面的,应该综合考量。
2. 分布式恒流源节点设置
分布式恒流技术就是在需要恒流的节点上串接,低压差线性恒流驱动器。低压差很重要,关系到产品驱动效率。做到恒流驱动有很多种,其中低压差线性恒流就可以实现一切LED应用设计,即稳定又简单,结合开关电源,有着完美的恒流驱动架构。
恒流源放置点灵活,在所有的并联支路,不会因支路电流变化影响其它支路工作。都希望挑选LED得到负载阻抗匹配,分布式恒流可以设计变得更完美,要求不是很高也可以免除挑选。 保持各支路和整体线路电流稳定,才能提升灯具产品稳定性。
恒流源放置,在每个并联支路节点,也可以是整体的恒流点设计,恒流源串接支路中在某一个位置都能起到很好的作用。一般恒流驱动通道数很难与设计匹配,分布式恒流会有着高度的设计灵活性。
在LED照明线路设计中,AC电源需要回授电路,配合输出LED驱动数量,和驱动效率的合理性。在分布式恒流驱动源中,每一个驱动源都可以直接完成光耦回授任务。
3. 恒流输出软件化将开辟,LED应用技术的飞跃
在日常驱动电源设计中,周边器件累计误差处理起来很是棘手,结果驱动电源参数离设计初衷相差甚远。恒流驱动需要电流检测,通常做法是在支路中串接毫偶电阻获取回授信息,要达到高的效率,电阻值会越小,过小的毫偶电阻给生产、测试都带来麻烦,一般的仪器无法验证到正确值,生产过程会影响到精度,电流值被固定,调整非常不便。
分布式恒流输出软件化将开辟,LED应用技术的飞跃,LED恒流技术软件化,大幅提升LED应用的灵活性。恒流驱动器电流设定软件化实际上也很简单,在IC内部设立寄存器,根据实际产品应用存储的方式设置输出电流大小,这一切都是软件化过程,不需要更改线路设计。在销售器件的同时附赠上微机操作软件,直观的数字写入完成电路电流设定。
驱动线路周边0器件,这是我们的目标,周边0器件不会带来设计器件参数误差累计,因周边器件误差累计而造成的恒流精度回升到0。
4. 驱动优势
我们将恒流输出范围均等的划分若干等级,每阶电流被数字化描述,指定在一定空间内的寄存器,上电驱动IC会读取对应数字并执行相应电流值。内置E2PROM是首选,任何寄存器都能完成其任务,按照应用需要和工艺允许程度,决定存储器的类型选择。
在开发驱动技术的同时,也要同时开发应用软件,友好的界面支持数字化写入技术,使得LED驱动电源设计变得更简单,更智能。
电流阶划分与设计要求有所不同,因长运通公司型号对应市场不同有所区别。分布式恒流内置寄存器后,电流值划分会弥补工艺上的精度不足,因制造工艺原因输出电流总是有误差,因此得到改善。
驱动IC出厂时可以确定输出电流大小,可根据不同的客户,提供不同的电流输出值,免除批量校准过程。对于小客户来讲,通过附赠上微机软件改写电流值,是最为方便的方式。还有一种情况,也是客户经常需要的,比如对产品的亮度要求,允许驱动电流不同,要求产品亮度一致,从而通过产品设计接口解决终端客户对亮度的要求。在年久后,因LED光衰减或根据现实使用情况,再次确定驱动电流值及用途。
LED 电流 电压 开关电源 电路 电阻 可控硅 相关文章:
- 高效地驱动LED(04-23)
- 电源设计小贴士 6:精确测量电源纹波(03-21)
- 构建一个低成本的9V电池电压监控器(07-28)
- 用于低成本高效率离线LED驱动器的初级端调节技术(05-14)
- 电源设计小贴士 7:高效驱动 LED 离线式照明(04-05)
- 隔离式MOSFET驱动器集成电路的功率效率在轻负载时得到改善(07-31)
