机载大功率射频同轴继电器设计
一、引 言
随着科学技术快速发展,航空航天领域使用的射频同轴继电器数量越来越多,对其耐恶劣环境条件和严酷力学条件要求也越来越高。和地面应用不同,对应用于机载的大功率射频同轴继电器有许多特殊要求:
1)驱动电流小、功耗低。可以节省有限的能源,减少系统发热。
2)重量轻。可以提高整机的有效载荷、飞行速度、续航距离、机动性能。
3)环境(低温、高温、电磁干扰、振动、低气压)适应能力强。
4)大功率。功率直接决定了机载或地面雷达的探测距离和探测精度,功率越大探测的距离越远且越精确。
我所研制的一款机载大功率射频同轴继电器产品,其触点形式为单刀双掷,控制方式为TTL、自保持、自关断、带辅助触点,技术指标完全能够满足机载使用,以下对其进行重点介绍。
二、机载大功率射频同轴继电器设计
1、技术指标
机载大功率射频同轴继电器主要技术指标见表1。产品特点是驱动电流小,功耗低、振动等级高、耐大功率。
表1 技术指标
2、产品结构及工作原理
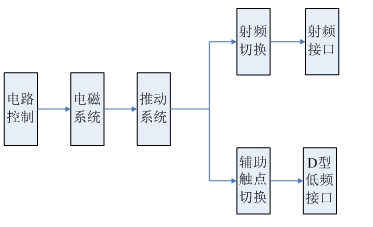
机载大功率射频同轴继电器主要由电路控制、电磁系统、推动系统、射频切换、射频接口、辅助触点切换、D型低频接口七部分组成。产品结构图见图1,工作原理框图见图2。

图1 机载大功率射频同轴继电器结构图
产品总体结构为长方体,上端部的对外接口是标准的9芯D型连接器低频接口,其与辅助触点直接焊接在印制电路板上,电路板、电磁系统通过四个螺杆固定在微波通道腔盖上。推动系统包括铁芯内部的两个塑料推杆、微波通道内与微波簧片相连的两个推杆以及可以绕轴自由转动的衔铁共三部分组成,衔铁转动时可以实现辅助簧片与微波传输簧片的连动。射频切换由矩形同轴传输线组成,微波传输簧片在传输线的中间位置,微波通道内的弹簧可以实现微波传输簧片的自动复位。在下端部的对外接口是标准的N型射频连接器。
产品的外罩、微波腔体、腔盖均使用铝合金材料,可以大大减轻自重,外罩表面通过氧化处理有效防止盐雾腐蚀。电路控制、电磁系统及射频部分上下放置,防止相互之间电磁干扰。D型连接器低频接口与外罩接触处装有密封垫,微波腔体周围与外罩接触处装有矩形密封圈,电路控制、电磁系统、推动系统、射频切换部分被外罩包裹在一个相对封闭的空间内,防止灰尘、水汽等的进入。
机载大功率射频同轴继电器工作原理是:D型连接器低频接口接电源,额定工作电压通过电路控制部分施加到电磁系统,电磁系统的作用是把电能转换为机械能,通过推动系统完成射频及辅助触点同步切换,射频信号通过射频接口输入或输出,辅助信号通过D型接口输入或输出。

图2 机载大功率射频同轴继电器功能框图
3、方案设计
(1)控制电路设计
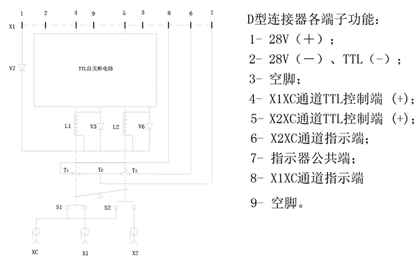
从节能及减少线圈发热角度出发,电路控制采用了自保持及RC自关断的结构形式。为了便于自动控制,设计了辅助触点及TTL控制方式。控制电路部分的9芯D型连接器、电子元器件、辅助触点焊接在一块PCB上,电路原理图见图3。

图3 控制电路原理图
D型连接器1、2端子施加28Vd.c.激励电压,当端子4为高电平时,激励电压施加到线圈L1上,线圈L1上有电流通过,并生产电磁力带动机构动作,射频开关S1闭合、S2断开,由于RC冲放电电路,随着充电的连续,电容C两端电压不断升高,当完全截止时,线圈L1上电流为零。由于本产品为自保持型,即使线圈L1电流变为零时,机构并不发生翻转,仍保持在如图所示状态,当需要发生翻转时,只需在D型连接器端子5施加高电平,原理同上。
本项目产品的实际动作时间不大于15ms,为了保证产品可靠动作,线圈中电流的持续时间应大于25ms,该时间由电容充电时间决定,其理论计算公式如下:
05(暂缺)
式(1)中:C为充电电容,R为充电回路电阻,V为电容终电压,V0为电容初始电压,Vt为t时刻电容电压。
(2)电磁系统设计
射频同轴继电器类产品中,用电磁力驱动是普遍的方法,通常电磁系统采用的类型主要是“平衡旋转式”和“螺旋管式”。“平衡旋转式”电磁系统其优点是转轴两端衔铁部分质量相对平衡,对转轴的总力矩为“零”,可以耐较高的冲击、振动,以保证恶劣环境下的可靠性。“螺旋管式”电磁系统优点是磁的利用率较高,磁路系统的漏磁小,铁芯的行程较大。
依据产品应用于机载条件,电磁系统采用了“平衡旋转式”结构,见图4,磁路原理见图5。

图4 平衡旋转式

图5 磁路原理图
HL-磁钢磁势;(IW)-线圈通电时产生的磁势;R钢-磁钢磁阻; R芯-铁芯磁阻; R轭-轭铁磁阻;R衔-衔铁磁阻;Rδx-磁钢与衔铁间气隙磁阻; Rδ1-衔铁在左回路中气隙磁阻;Rδ2-衔铁在右回路中气隙磁
射频 继电器 电流 电路 连接器 电压 电子 PCB 电容 电阻 仿真 相关文章:
- 基于nRF2401智能小区无线抄表系统集中器设计(04-30)
- 基于nRF2401智能无线火灾监控系统设计(04-01)
- 家居安防无线监控报警系统(04-02)
- 什么是原子钟(07-04)
- 基于nRF905智能小区照明控制系统设计(08-20)
- 航天飞机将退出历史舞台,专家讲解原因(11-09)
