基于CAN总线的电控自动离合器控制器设计
时间:10-24
来源:互联网
点击:
表1 BTS7810K 输入输出特性
图2 电机驱动电路
2.3 CAN 节点接口设计CAN 总线是德国Bosch 公司20 世纪90 年代初为解决现代汽车中众多控制与测试仪器之间的信息交换而开发的一种串行通信协议网络[ 3]。它具有传输速率高、可靠性强和实时性好等特点, 正好符合ACS 与发动机协调控制的通信需要。对发动机和离合器进行综合控制,充分利用发动机电子控制系统控制发动机转速及时、准确的特点, 使之与离合器相互协调配合, 将有利于离合器取得更好的控制效果, 进而提高换挡品质。
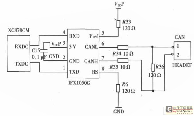
CAN 节点硬件电路主要包括: 带有CAN 控制器的微控制和用于数据收发的CAN 收发器。本文选用的微处理器XC878CM 带有片内的CAN 控制器, 主要负责CAN 的初始化和数据处理。MultiCAN 模块集成了除收发器外CAN 总线控制器的所有功能。此外,MultiCAN 还具有先进的验收滤波功能、先进的数据管理、先进的中断管理等优良特性。CAN 的收发器种类很多, 本设计中选用英飞凌公司的高速收发器IFX1050G。CAN 节点的接口电路图如图3 所示。
图3 CAN 节点的接口电路图
3 软件设计电控单元ECU 的控制软件主要由离合器控制程序和CAN 总线通信程序组成。
3.1 离合器控制软件设计
离合器的控制程序包括三个部分: 离合器分离控制程序、起步结合控制程序、换挡结合控制程序。其中分离控制程序比较简单,ECU 得到分离指令后, 离合器全速分离, 并且准确地在完全分离点停止即可。离合器的控制难点在于起步结合控制。离合器的起步结合过程既要保证车辆起步的平稳性、舒适性、起步不熄火, 又要保证起步的快速性, 减少滑摩功的产生, 延长离合器使用寿命。因此, 要取得较好的控制效果除了对离合器的结合量进行控制外, 还要对离合器的结合速度进行控制, 并通过与发动机的协调控制, 提高控制效果。图4 为起步结合控制软件流程图。换挡过程中离合器的结合控制与起步控制在控制策略上类似, 在此不再赘述。
图4 起步结合控制软件流程图
3.2 CAN 通信协议设计CAN 通信协议包括物理层、数据链路层和应用层。物理层和数据链路层是通过硬件实现的, 在使用CAN 通信时, 需要开发者自行定义应用层协议。构造应用层协议的主要任务是ID 分配、定义消息周期、确定信号与消息的映射关系。设计要考虑的主要因素有数据传输的实时性要求、数据的相对重要程度、与数据相关的应用控制算法对数据的时间要求等。国际上存在一些现有的标准, 如CANopen 、SAE J1939 等。
在一些利用简单的通信协议就可以满足要求的情况下, 采用复杂的协议会造成资源浪费, 用户在应用时也会觉得诸多不便, 反而限制了灵活性。本文设计的CAN 总线网络中仅有离合器控制器和发动机控制器两个节点。针对仅有两个节点的实验平台, 本文从协议实现的代码量、目标系统的信息量、软件的开发成本等角度出发, 定义一种简单可靠的CAN 协议。具体的通信协议定义如表2 所示, 标识符用来表示信息的优先级, 标识符越小优先级越高。
表2 CAN 总线通信协议
本文实验是在自行搭建的离合器模拟实验平台上进行的。本实验平台是由离合器控制板、加速踏板、刹车踏板、相关传感器、离合器执行机构及发动机模拟控制板组成。离合器控制板与发动机模拟控制板之间通过CAN 总线通信。图5 为实验过程中通过CAN 总线传送的档位变化信息, 图6 为通过CAN 总线传递的加速踏板开度信号。
图5 档位信息
图6 加速踏板开度信号
本文提出了一套电控自动离合器的控制器方案, 并进行了系统的软硬件开发, 初步实现了自动离合器的基本功能, 设计了CAN 总线接口。在实验平台上验证了控制器方案及CAN 通信模块的可行性和可靠性, 为实车试验打下基础。总线 电路 ADC 电源模块 MCU 电压 收发器 单片机 PWM 传感器 电子 电路图 相关文章:
- 一种新型防伪读码器的设计(01-01)
- 基于ARM与DSP的嵌入式运动控制器设计(04-25)
- 基于ARM核的AT75C220及其在指纹识别系统中的应用(05-24)
- 基于nRF2401智能小区无线抄表系统集中器设计(04-30)
- 基于FPGA安全封装的身份认证模型研究(05-27)
- 高精度压力测控系统的试验研究(04-08)
